指南生活
首页
美食营养
手工爱好
生活家居
返回
指南生活
首页
美食营养
游戏数码
手工爱好
生活家居
健康养生
运动户外
职场理财
情感交际
母婴教育
时尚美容
知识问答
生活知识
生活百科
搜索
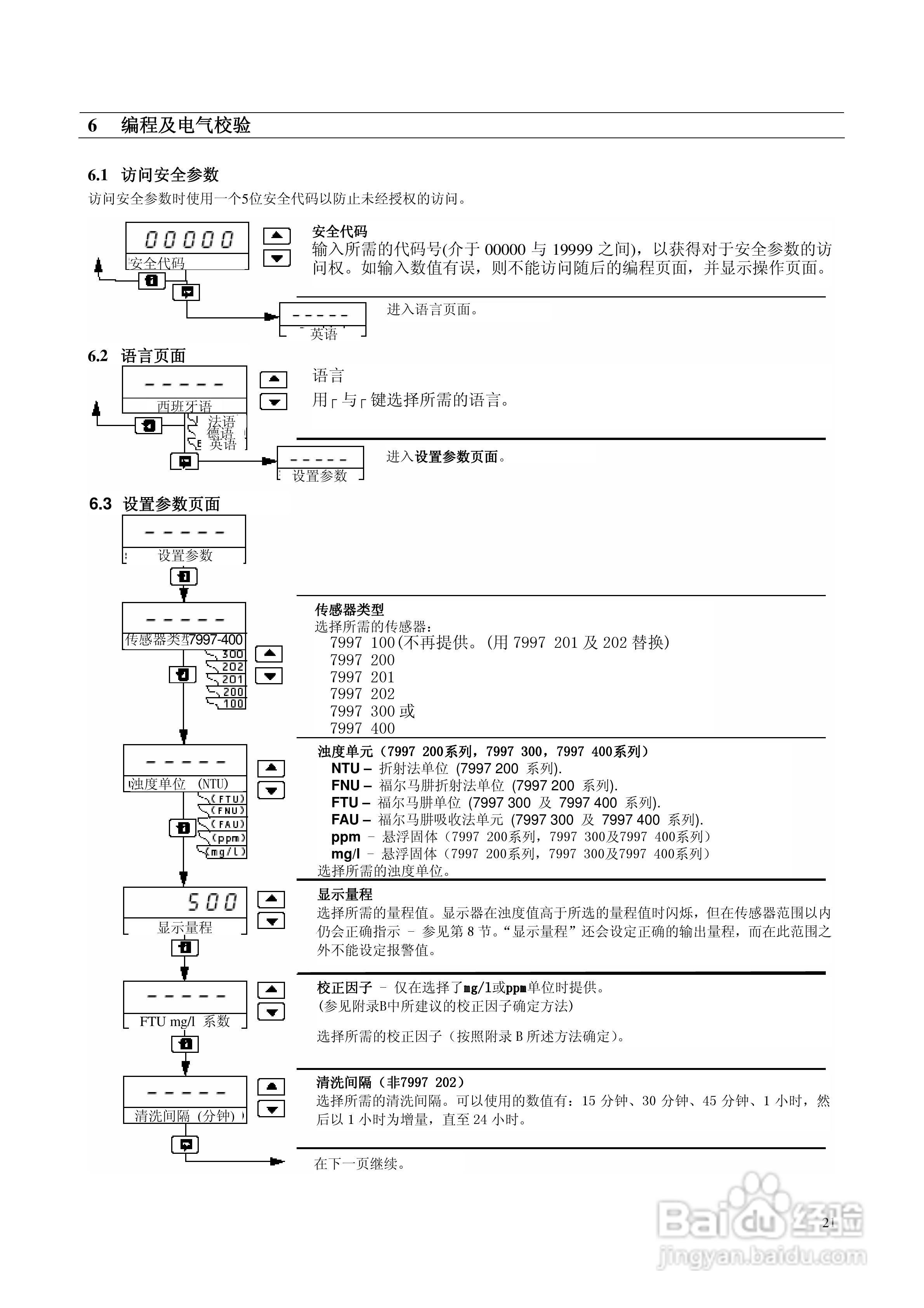
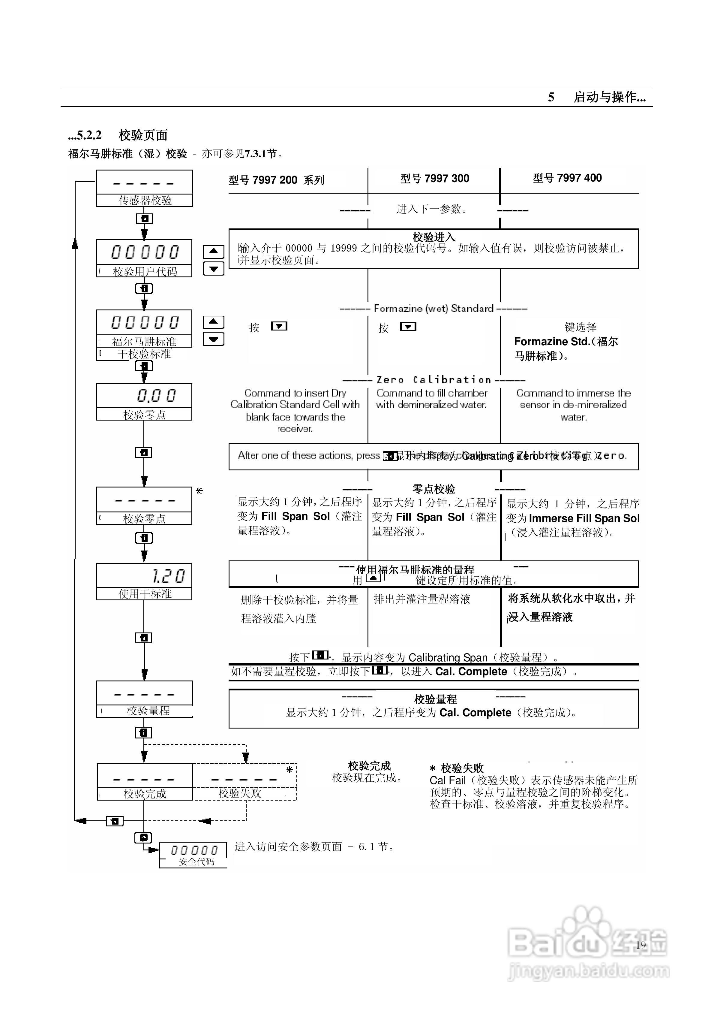
ABB系列浊度检测仪表说明书:[3]
2026-03-30 04:38:08
本篇为《ABB系列浊度检测仪表说明书》,主要介绍该产品的使用方法以及常见故障解决方案。
(共篇)
上一篇:
|
下一篇:
声明:
本网站引用、摘录或转载内容仅供网站访问者交流或参考,不代表本站立场,如存在版权或非法内容,请联系站长删除,联系邮箱:site.kefu@qq.com。
相关推荐
ABB系列浊度检测仪表说明书:[1]
阅读量:131
ABB系列浊度检测仪表说明书:[5]
阅读量:42
浊度色度两用仪测量说明
阅读量:150
3dMax中如何设置太阳光浊度
阅读量:157
781型浊度测定仪步骤
阅读量:151
猜你喜欢
文字中间的圆点怎么打
螺旋藻怎么吃
不吃盐会怎么样
cad立面图怎么画
怎么才能瘦
怎么设置ip地址
微信支付怎么开通
脚后跟干裂起硬皮怎么办
石英表怎么调日期
起亚赛拉图怎么样
猜你喜欢
驾驶证过期了怎么换证
月经量少是怎么回事
湖北人怎么样
心脏病怎么治疗
朗逸怎么样
成都到九寨沟怎么走
怎么盘头发简单好看
蛤蜊干怎么做好吃
八宝粥怎么做
卫青怎么死的