指南生活
首页
美食营养
手工爱好
生活家居
返回
指南生活
首页
美食营养
游戏数码
手工爱好
生活家居
健康养生
运动户外
职场理财
情感交际
母婴教育
时尚美容
知识问答
生活知识
生活百科
搜索
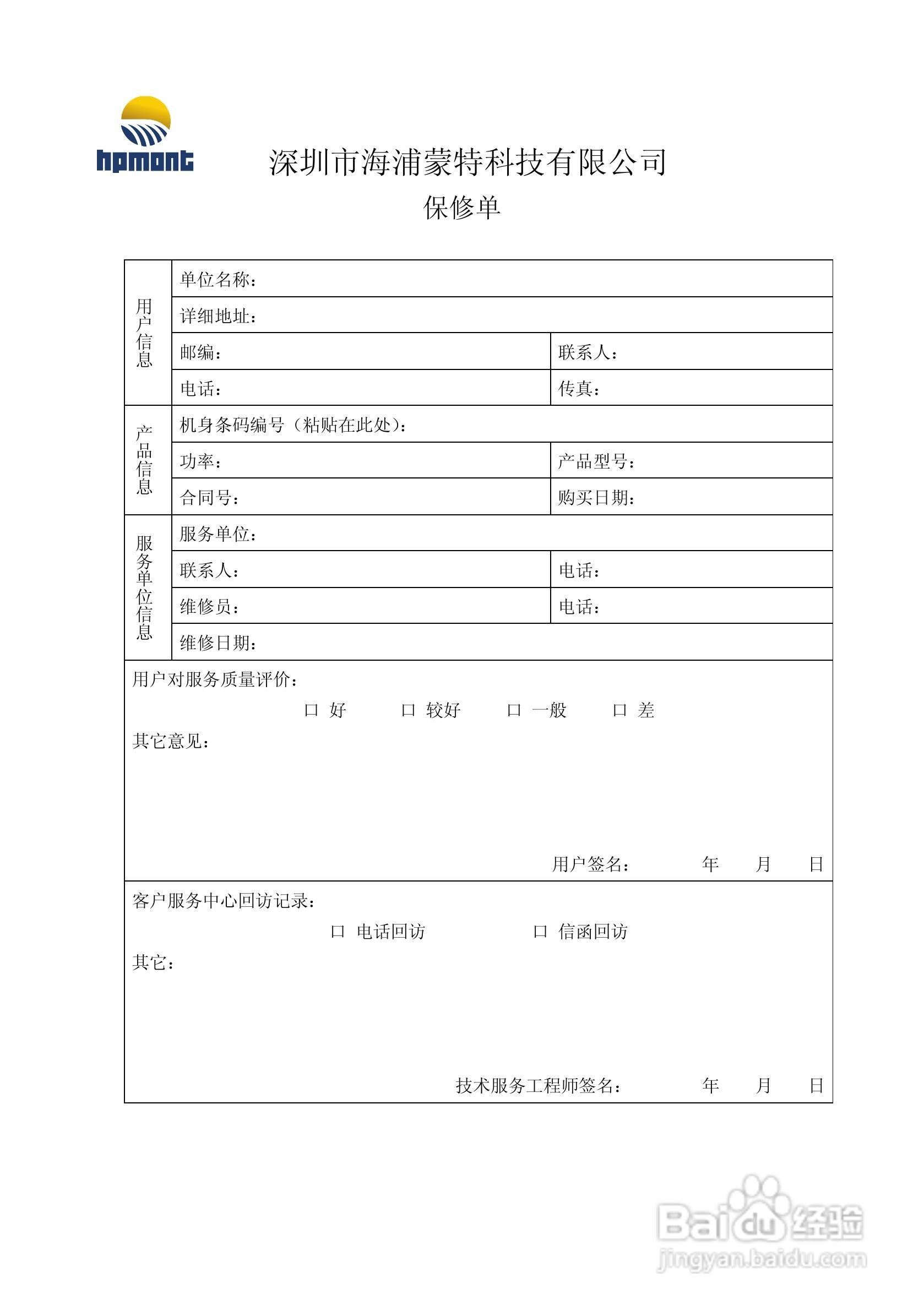
海浦蒙特HD50-6T400G高性能矢量控制驱动器用户手册:[20]
2026-03-24 10:58:51
本篇为《海浦蒙特HD50-6T400G高性能矢量控制驱动器用户手册》,主要介绍该产品的使用方法以及常见故障解决方案。
(共篇)
上一篇:
声明:
本网站引用、摘录或转载内容仅供网站访问者交流或参考,不代表本站立场,如存在版权或非法内容,请联系站长删除,联系邮箱:site.kefu@qq.com。
相关推荐
海浦蒙特HD50-6T400G高性能矢量控制驱动器用户手册:[17]
阅读量:141
海浦蒙特HD50-6T400G高性能矢量控制驱动器用户手册:[12]
阅读量:84
高性能耐腐蚀磁力泵的优缺点分析
阅读量:80
高性能枪式植筋胶
阅读量:81
高性能流媒体解决方案公司
阅读量:126
猜你喜欢
什么是甲状腺
什么是系数
父爱是什么
脖子上长小肉粒是什么原因
vmi是什么意思
商务英语学什么
碱性磷酸酶偏高是什么原因
唐筛什么时候做
什么是题记
dn100是什么意思
猜你喜欢
300分能上什么大学
scarf是什么意思
系动词是什么
often是什么意思
throw是什么意思
什么是职业规划
年糕是什么做的
ai是什么格式
虚拟机是什么
妆前乳是什么