指南生活
首页
美食营养
手工爱好
生活家居
返回
指南生活
首页
美食营养
游戏数码
手工爱好
生活家居
健康养生
运动户外
职场理财
情感交际
母婴教育
时尚美容
知识问答
生活知识
生活百科
搜索
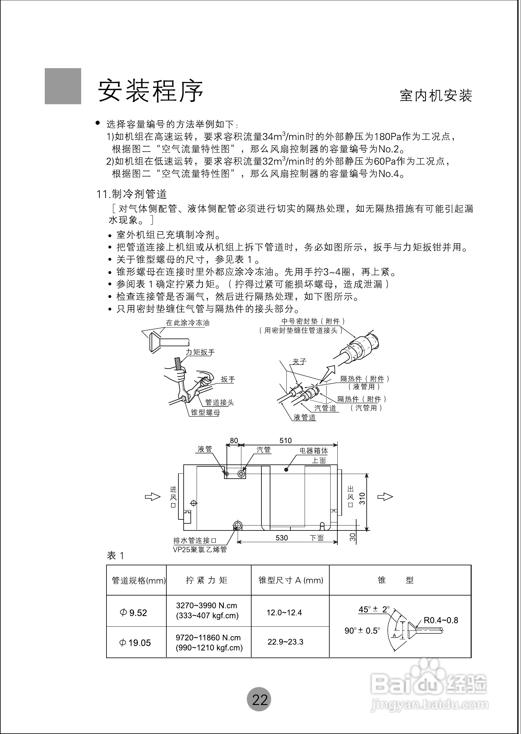
海尔KFRd-250EW空调使用说明书:[3]
2026-05-08 04:54:35
(共篇)
上一篇:
|
下一篇:
声明:
本网站引用、摘录或转载内容仅供网站访问者交流或参考,不代表本站立场,如存在版权或非法内容,请联系站长删除,联系邮箱:site.kefu@qq.com。
相关推荐
海尔KFRd-250EW空调使用说明书:[2]
阅读量:35
海尔KFRd-250EW空调使用说明书:[4]
阅读量:112
海尔KFRd-125EW 空调使用说明书:[2]
阅读量:121
海尔KF(R)-250LW/A空调使用说明书:[3]
阅读量:73
海尔KF(R)-250LW/A空调使用说明书:[2]
阅读量:20
猜你喜欢
单核细胞百分比偏高是什么原因
重生八零年代好生活
短线如何选股
龙之谷怎么样
如何显示隐藏文件夹
外语程度怎么填
如何查询本机ip地址
男士如何护肤
良字少一点是什么字
海马s7质量怎么样
猜你喜欢
林地守卫者怎么获得
电脑音响没声音怎么办
如何选购冰箱
龟头过度敏感怎么办
皮衣发霉怎么办
富士康生活网
怎么样下载电视剧
lol鳄鱼怎么玩
新买的耳机怎么煲机
左旋肉碱怎么样