指南生活
首页
美食营养
手工爱好
生活家居
返回
指南生活
首页
美食营养
游戏数码
手工爱好
生活家居
健康养生
运动户外
职场理财
情感交际
母婴教育
时尚美容
知识问答
生活知识
搜索
日本山武指示调节器SDC40A使用说明书:[5]
2025-12-29 05:21:02
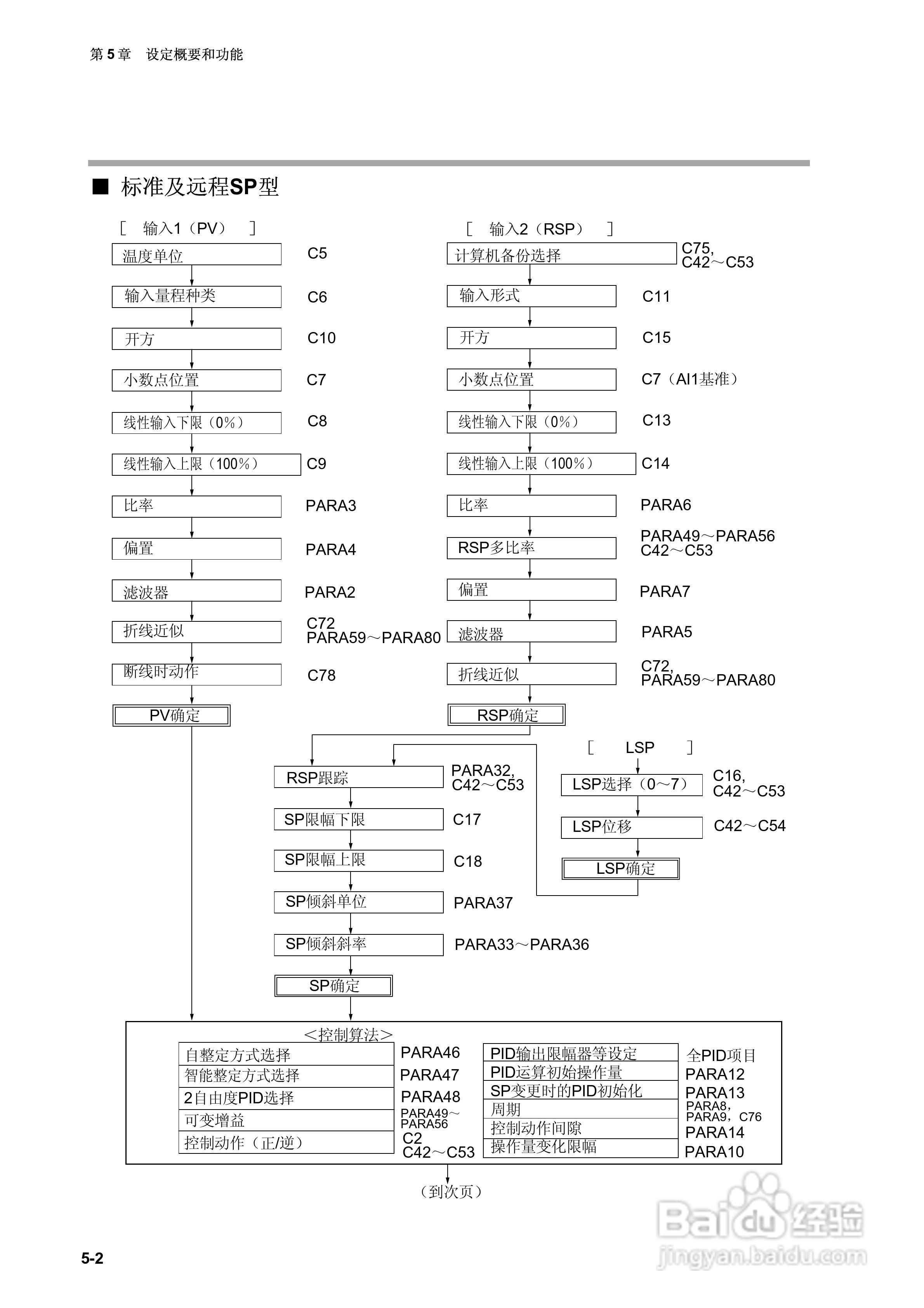
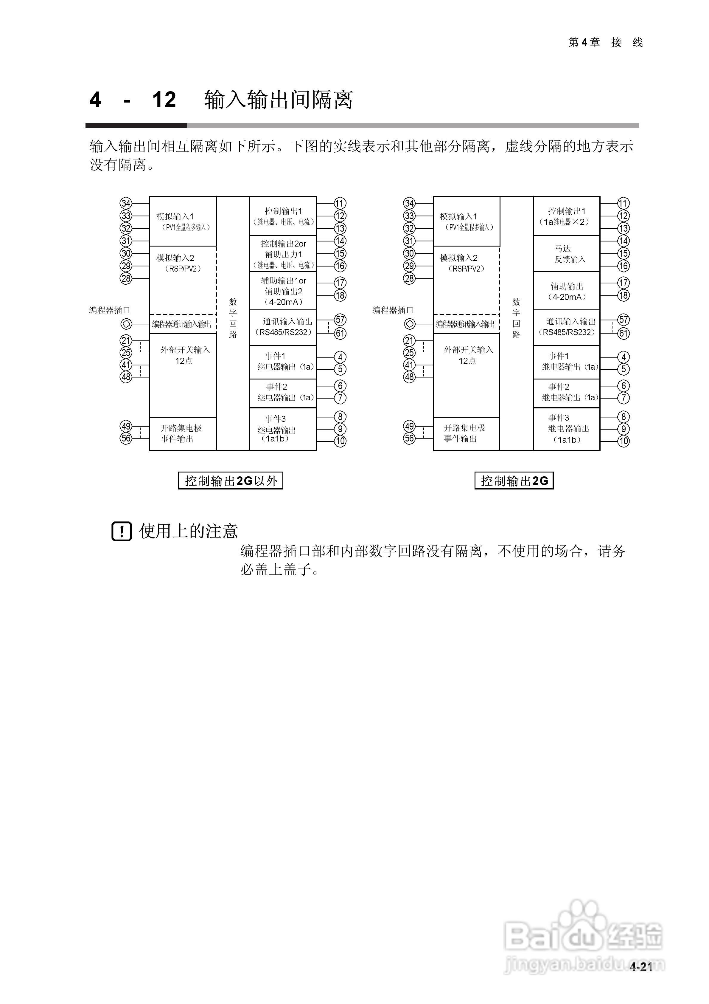
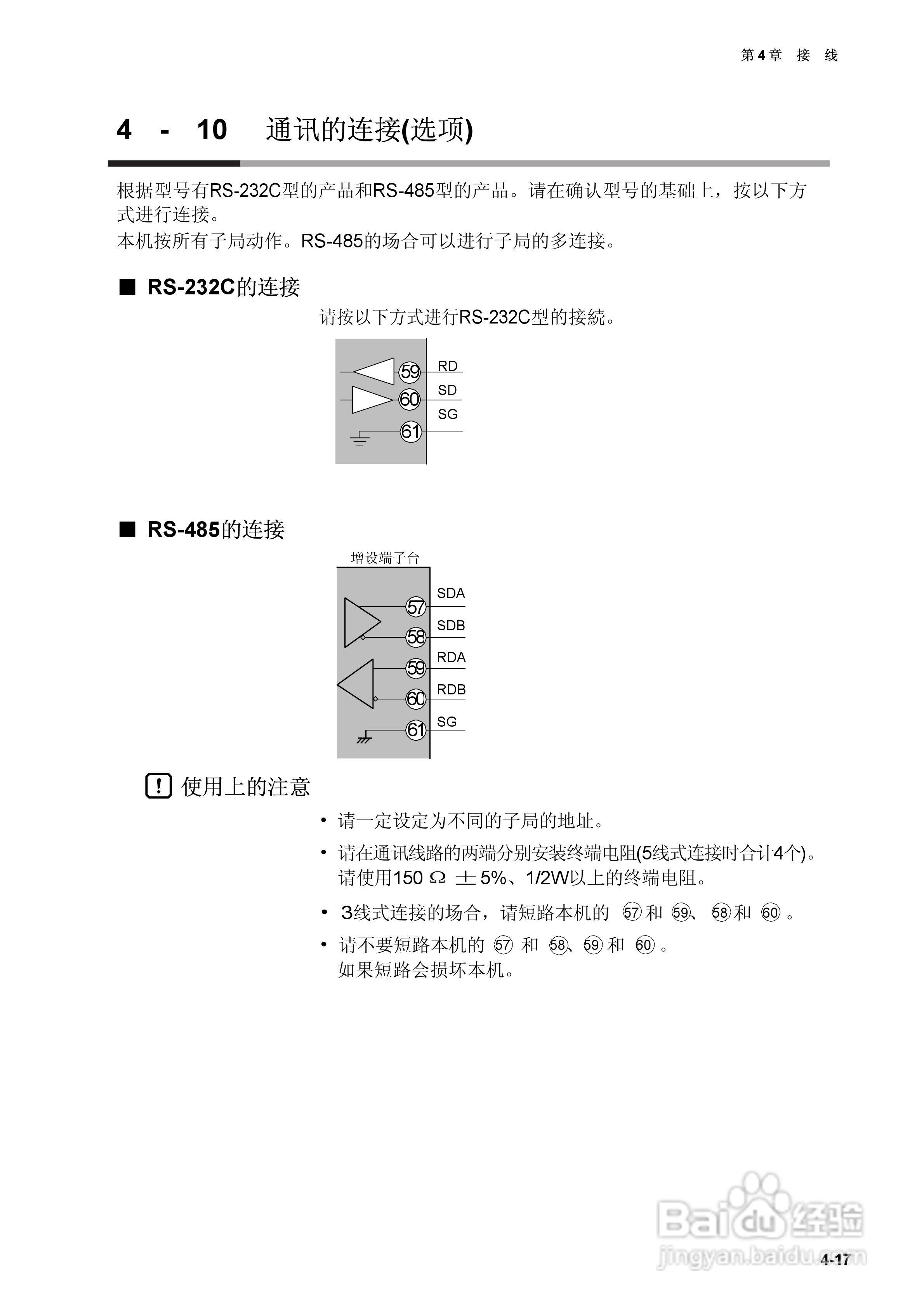
本篇为《日本山武指示调节器SDC40A使用说明书》,主要介绍该产品的使用方法以及常见故障解决方案。
(共篇)
上一篇:
|
下一篇:
声明:
本网站引用、摘录或转载内容仅供网站访问者交流或参考,不代表本站立场,如存在版权或非法内容,请联系站长删除,联系邮箱:site.kefu@qq.com。
相关推荐
日本山武指示调节器SDC40A使用说明书:[4]
阅读量:192
日本山武指示调节器SDC40A使用说明书:[17]
阅读量:31
使用说明书封面怎么做
阅读量:37
使用说明书wf2651使用指南
阅读量:55
日本山武指示调节器SDC40A使用说明书:[10]
阅读量:25
猜你喜欢
start是什么意思
什么是996
忐忑不安是什么意思
安装包是什么
湿疹是什么原因引起的
震耳欲聋是什么意思
股市熔断是什么意思啊
女娲和伏羲是什么关系
current是什么意思
太多的借口太多的理由是什么歌
猜你喜欢
微信是什么时候出来的
什么是低血压
太多的借口太多的理由是什么歌
知无不言是什么意思
什么是同位素
什么的我作文400字
苏维埃是什么意思
立春的含义是什么意思
什么是谚语
慢热是什么意思