指南生活
首页
美食营养
手工爱好
生活家居
返回
指南生活
首页
美食营养
游戏数码
手工爱好
生活家居
健康养生
运动户外
职场理财
情感交际
母婴教育
时尚美容
知识问答
生活知识
生活百科
搜索
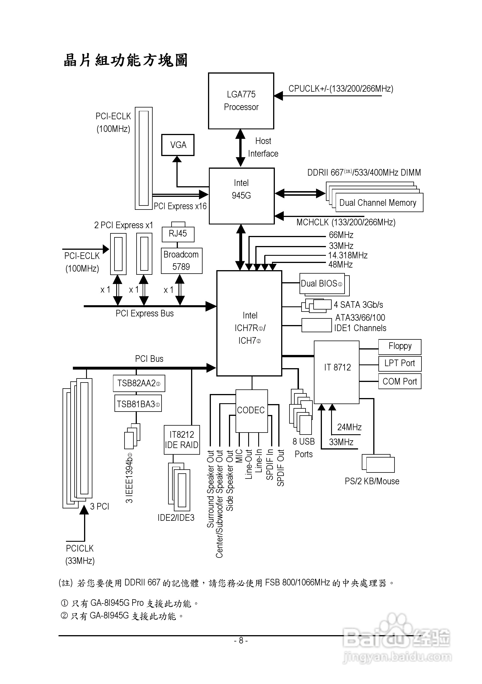
技嘉GA-8I945G型主板说明书:[1]
2026-03-31 10:42:41
本篇为《技嘉GA-8I945G型主板说明书》,主要介绍该产品的使用方法以及常见故障解决方案。
(共篇)
下一篇:
声明:
本网站引用、摘录或转载内容仅供网站访问者交流或参考,不代表本站立场,如存在版权或非法内容,请联系站长删除,联系邮箱:site.kefu@qq.com。
相关推荐
技嘉GA-8I945G Pro型主板说明书:[1]
阅读量:136
技嘉GA-8I945G型主板说明书:[9]
阅读量:142
技嘉GA-8I945G Pro型主板说明书:[9]
阅读量:134
技嘉主板bios设置固态硬盘启动
阅读量:188
技嘉GA-8I945G Pro型主板说明书:[8]
阅读量:175
猜你喜欢
萝卜干怎么做好吃
脚上长冻疮怎么办
肠胃不好经常拉肚子怎么调理
微信背景变黑色了怎么恢复
百度红包怎么提现
怎么祛痘印
水果沙拉怎么做
鹦鹉鱼怎么养
狐臭怎么彻底去除
眉毛怎么修
猜你喜欢
平安普惠怎么样
干咳怎么办
套的五笔怎么打
忘记qq密码怎么办
中短发怎么扎好看
压力大怎么办
甲醛中毒怎么办
草龟怎么养
车钥匙锁车里了怎么办
毛囊炎怎么治