指南生活
首页
美食营养
手工爱好
生活家居
返回
指南生活
首页
美食营养
游戏数码
手工爱好
生活家居
健康养生
运动户外
职场理财
情感交际
母婴教育
时尚美容
知识问答
生活知识
生活百科
搜索
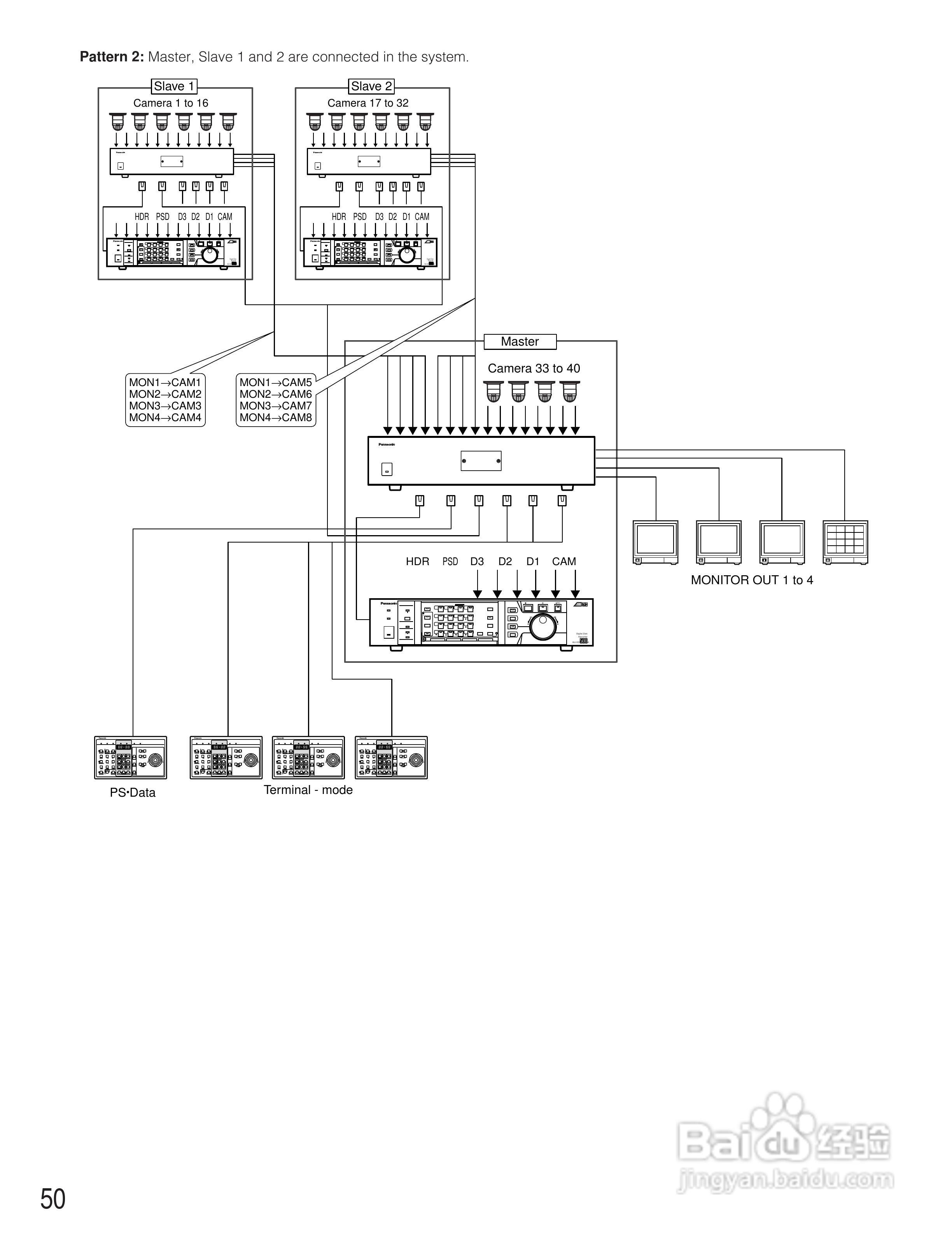
松下WJ-SX155矩阵切换器使用说明书:[5]
2026-04-17 23:46:56
本篇为《松下WJ-SX155矩阵切换器使用说明书》,主要介绍该产品的使用方法以及常见故障解决方案。
(共篇)
上一篇:
|
下一篇:
声明:
本网站引用、摘录或转载内容仅供网站访问者交流或参考,不代表本站立场,如存在版权或非法内容,请联系站长删除,联系邮箱:site.kefu@qq.com。
相关推荐
松下WJ-SX155矩阵切换器使用说明书:[15]
阅读量:29
松下WJ-SX155矩阵切换器使用说明书:[13]
阅读量:40
松下dvx200使用教程
阅读量:33
松下摄像机使用教程
阅读量:97
松下双开双控接线方法
阅读量:134
猜你喜欢
怎么让头发变直
模拟器怎么用
台式机怎么连接无线网
香椿芽的吃法大全
点号怎么打
大公鸡图片大全
多用电表的读数方法
锂电池充电方法
博洋家纺怎么样
怎么去红血丝
猜你喜欢
去眼袋用什么方法最佳
缺铁性贫血怎么办
360影视大全
腔梗的治疗方法
家用吸尘器怎么选
治疗湿疹最快的方法
怎么考导游证
农行k令怎么用
儿童画画大全简单漂亮
鹅蛋怎么做好吃