指南生活
首页
美食营养
手工爱好
生活家居
返回
指南生活
首页
美食营养
游戏数码
手工爱好
生活家居
健康养生
运动户外
职场理财
情感交际
母婴教育
时尚美容
知识问答
生活知识
生活百科
搜索
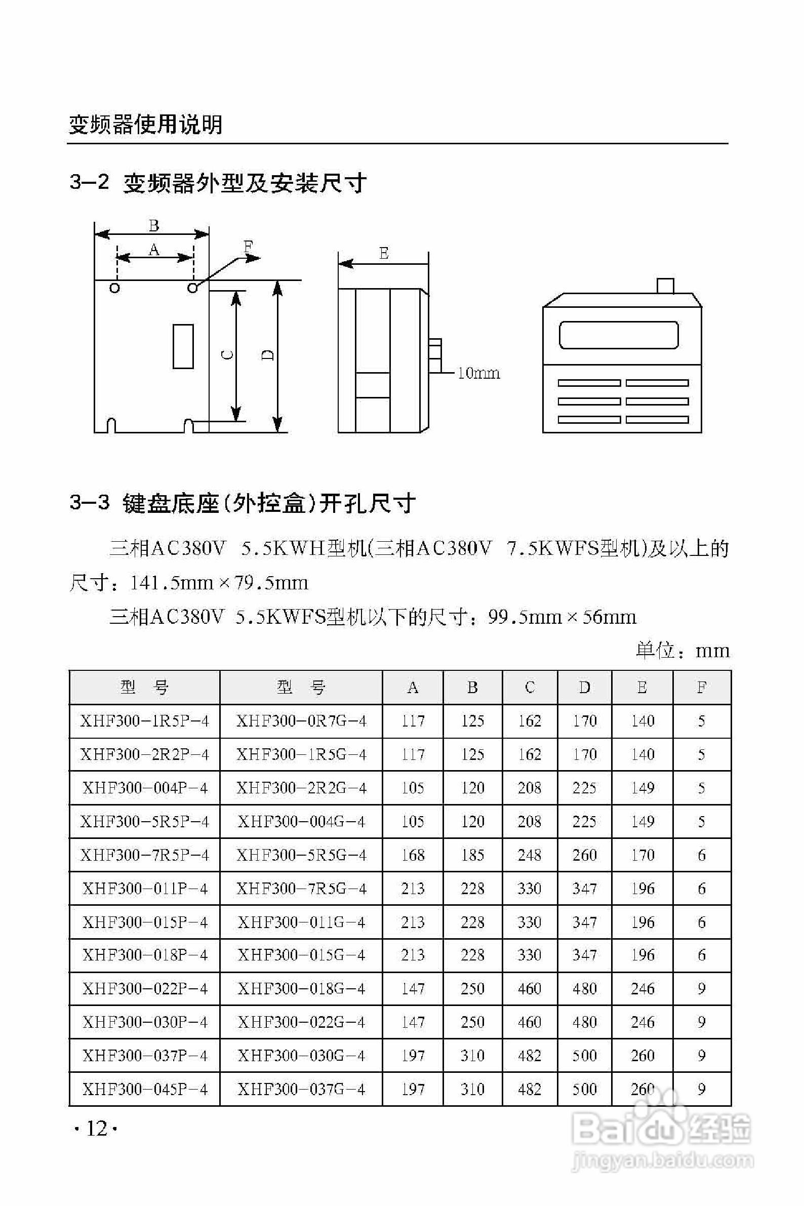
西普XHF300-475变频器使用说明书:[2]
2026-04-13 19:14:54
本篇为《西普XHF300-475变频器使用说明书》,主要介绍该产品的使用方法以及常见故障解决方案。
(共篇)
上一篇:
|
下一篇:
声明:
本网站引用、摘录或转载内容仅供网站访问者交流或参考,不代表本站立场,如存在版权或非法内容,请联系站长删除,联系邮箱:site.kefu@qq.com。
相关推荐
西普XHF300-475变频器使用说明书:[9]
阅读量:193
西普XHF300-475变频器使用说明书:[11]
阅读量:170
RY300系列变频器远程操作器说明书:[2]
阅读量:128
使用说明书封面怎么做
阅读量:137
使用说明书wf2651使用指南
阅读量:47
猜你喜欢
蒸菜的做法大全
花朵简笔画图片大全
忽必烈简介
电脑ip怎么改
文都考研怎么样
微信怎么快速加好友
狮子简笔画图片大全
铁锈怎么洗掉
新款十字绣图案大全
打印机怎么连接到电脑
猜你喜欢
日本工番口番漫画大全
心态不好怎么调整
素材图片大全
修改符号大全
五言律诗大全
环保手抄报图片大全
谢谢韩语怎么说
完美国际黄昏材料大全
老年人头晕是怎么回事
易怒怎么办