指南生活
首页
美食营养
手工爱好
生活家居
返回
指南生活
首页
美食营养
游戏数码
手工爱好
生活家居
健康养生
运动户外
职场理财
情感交际
母婴教育
时尚美容
知识问答
生活知识
生活百科
搜索
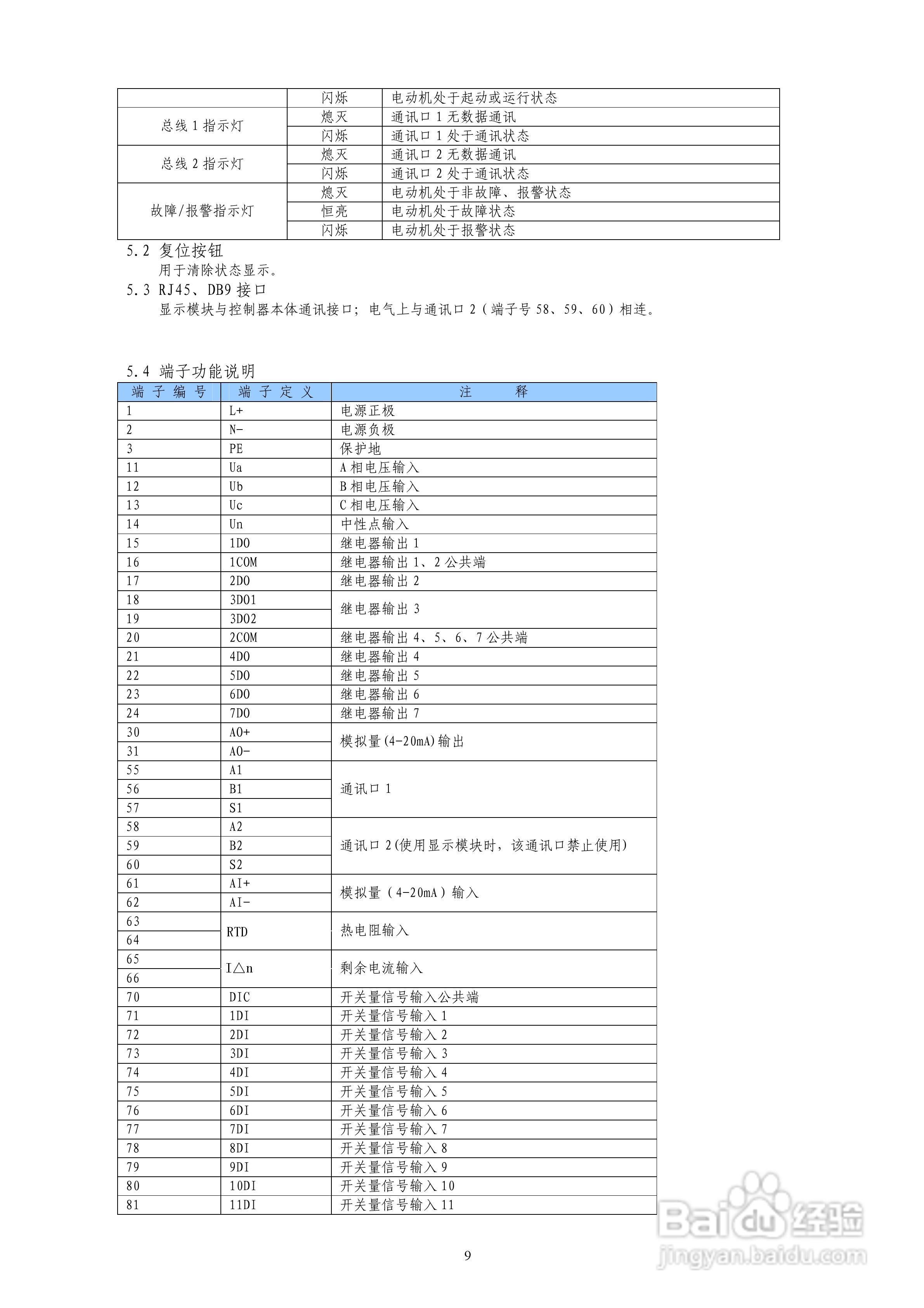
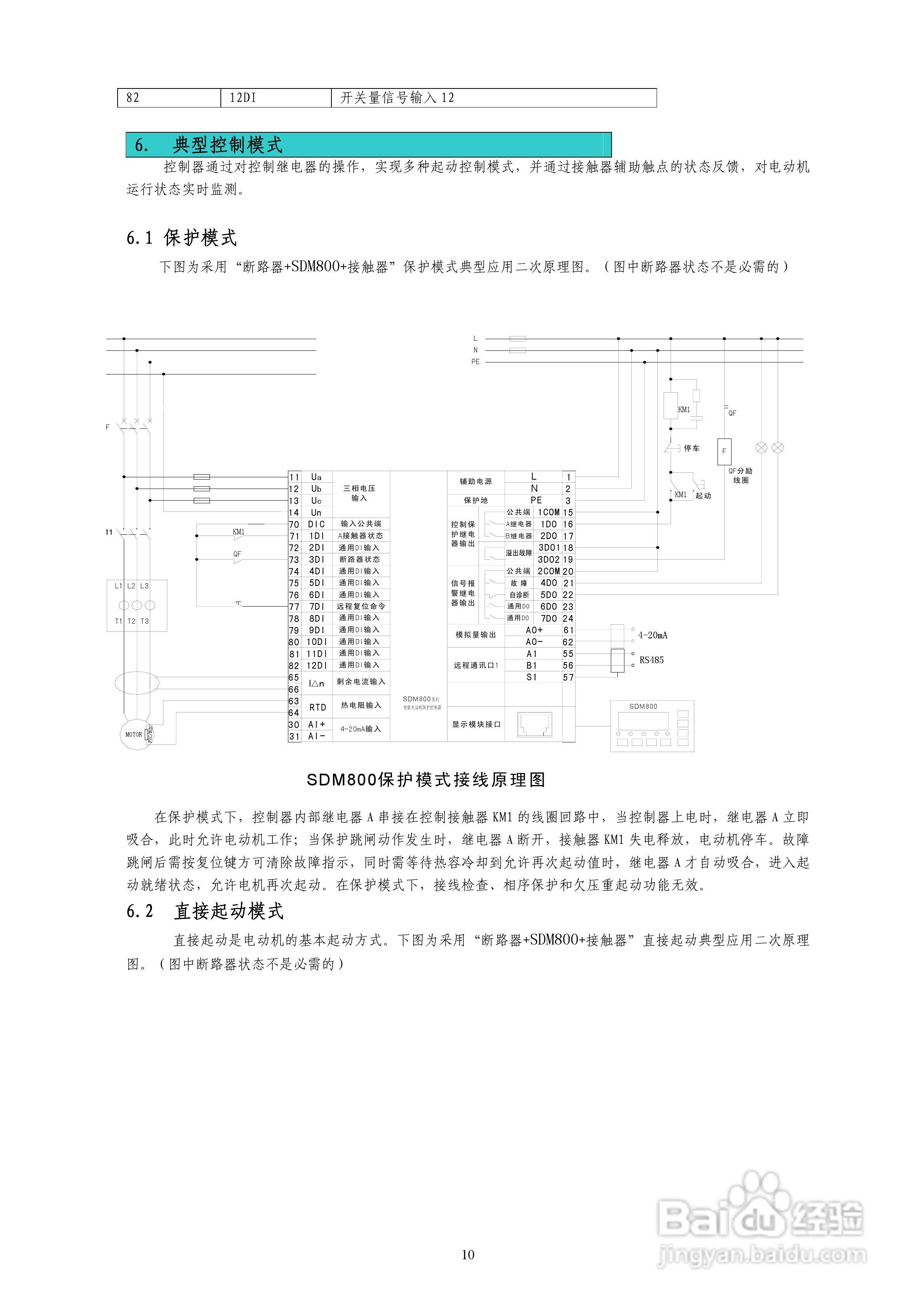
SDM800智能电动机保护控制器说明书:[1]
2026-03-23 04:22:03
本篇为《SDM800智能电动机保护控制器说明书》,主要介绍该产品的使用方法以及常见故障解决方案。
(共篇)
下一篇:
声明:
本网站引用、摘录或转载内容仅供网站访问者交流或参考,不代表本站立场,如存在版权或非法内容,请联系站长删除,联系邮箱:site.kefu@qq.com。
相关推荐
怎样使用电瓶车电机制作发电机(3)
阅读量:50
海信冰箱BCD-206TA型使用说明书
阅读量:190
马兰士AV或许SR-73喇叭输出继电器自吸不释放
阅读量:124
欣灵HHS6B(DHC6A)液晶显示时间继电器说明书
阅读量:55
假期手抄报图片
阅读量:193
猜你喜欢
如何修改图片
模拟人生4怎么安装
龟苓膏是什么做的
wow怎么去外域
电话会议怎么开
小米平板怎么连接电脑
如何推迟经期
如何投资商铺
血压低怎么办吃什么好得快
谭明明在看守所的生活
猜你喜欢
脸上粉刺怎么去除
梦见拉屎是什么意思
背上肉多怎么减肥
夫妻古代生活守则
平凡生活
安悦e生活
我们生活的年代 电视剧
如何设置u盘启动
望尘莫及是什么意思
夫妻之间如何沟通