指南生活
首页
美食营养
手工爱好
生活家居
返回
指南生活
首页
美食营养
游戏数码
手工爱好
生活家居
健康养生
运动户外
职场理财
情感交际
母婴教育
时尚美容
知识问答
生活知识
搜索
朗睿 LR-064ARM型彩色工业液晶显示器使用说明书:[1]
2025-12-27 23:26:10
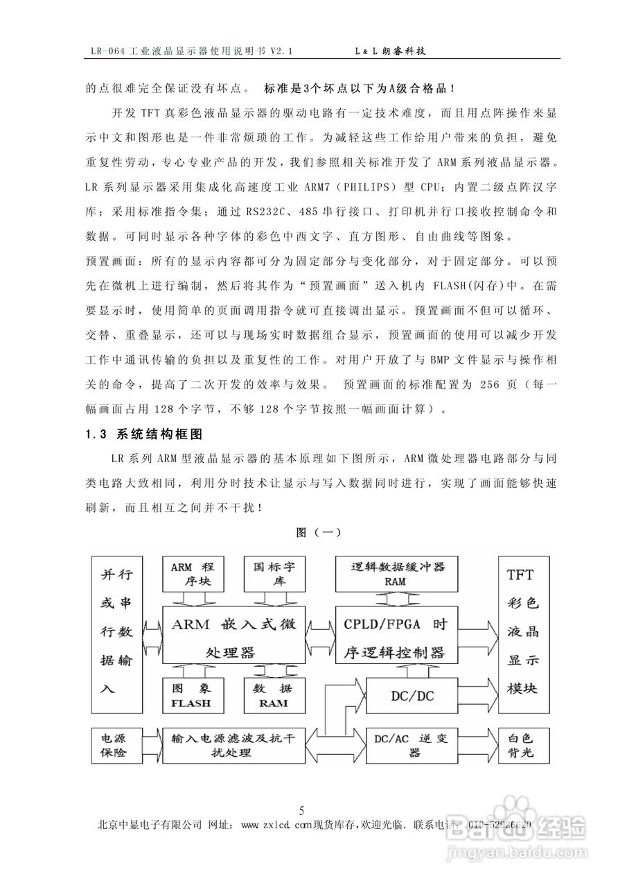
本篇为《朗睿 LR-064ARM型彩色工业液晶显示器使用说明书》,主要介绍该产品的使用方法以及常见故障解决方案。
(共篇)
下一篇:
声明:
本网站引用、摘录或转载内容仅供网站访问者交流或参考,不代表本站立场,如存在版权或非法内容,请联系站长删除,联系邮箱:site.kefu@qq.com。
相关推荐
这个动物不正经:第5关游戏攻略
阅读量:176
成语玩命猜(iOS版)第127关通关答案
阅读量:122
怎么样用七巧板拼字母I
阅读量:76
怎样用纸制作圣诞树
阅读量:20
蝴蝶用蒙氏积木怎样拼呢?(拼法5)
阅读量:181
猜你喜欢
植物大战僵尸图片大全
入股分红怎么算
成年片黄网站色大全免费
魔域怎么赚钱
鼻涕多是怎么回事
睡觉多梦怎么调理
小鱼图片大全
白落梅简介
房子简笔画图片大全
纹身图案大全图片男
猜你喜欢
祭文大全
木叶的性处理番acg大全
女宝宝名字大全
睡觉手麻是怎么回事
梁洁个人资料简介
老古装剧电视剧大全
四虎影视东方影视大全
三年级古诗大全
斗罗大陆武魂大全
颈复康治颈椎怎么样