指南生活
首页
美食营养
手工爱好
生活家居
返回
指南生活
首页
美食营养
游戏数码
手工爱好
生活家居
健康养生
运动户外
职场理财
情感交际
母婴教育
时尚美容
知识问答
生活知识
搜索
富士PXH加热/制冷控制型数字显示式调节器操作手册:[13]
2025-12-17 01:23:07
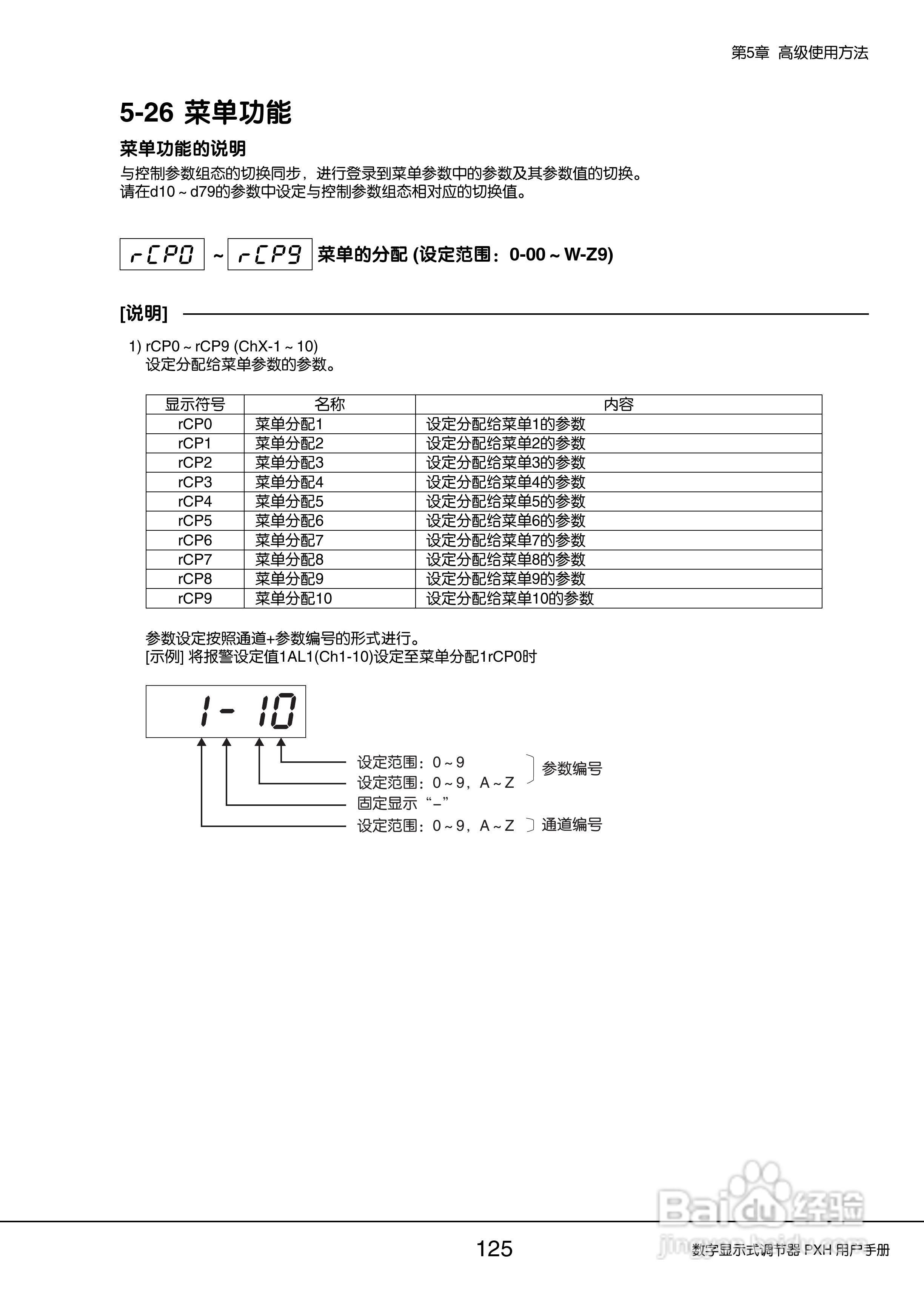
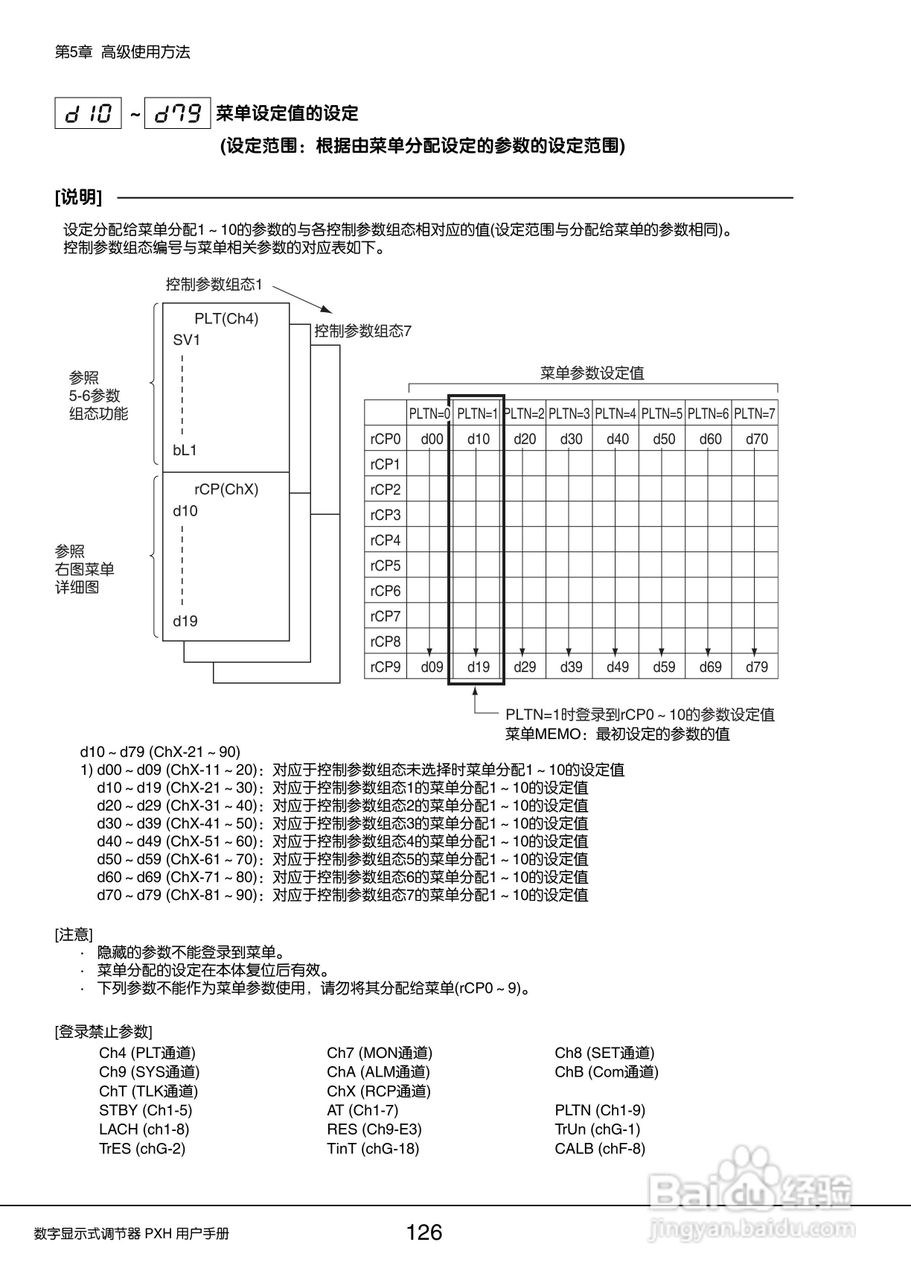
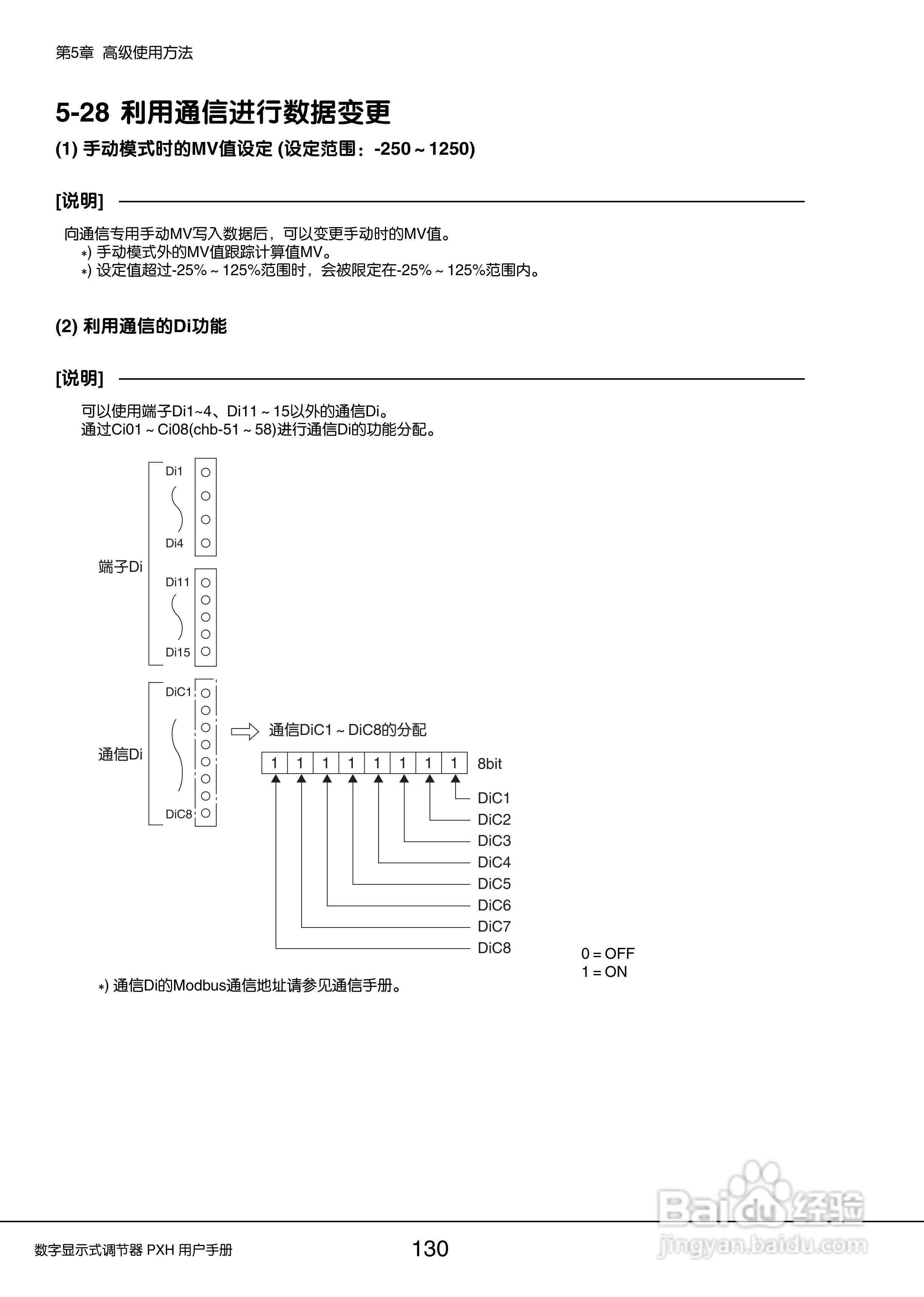
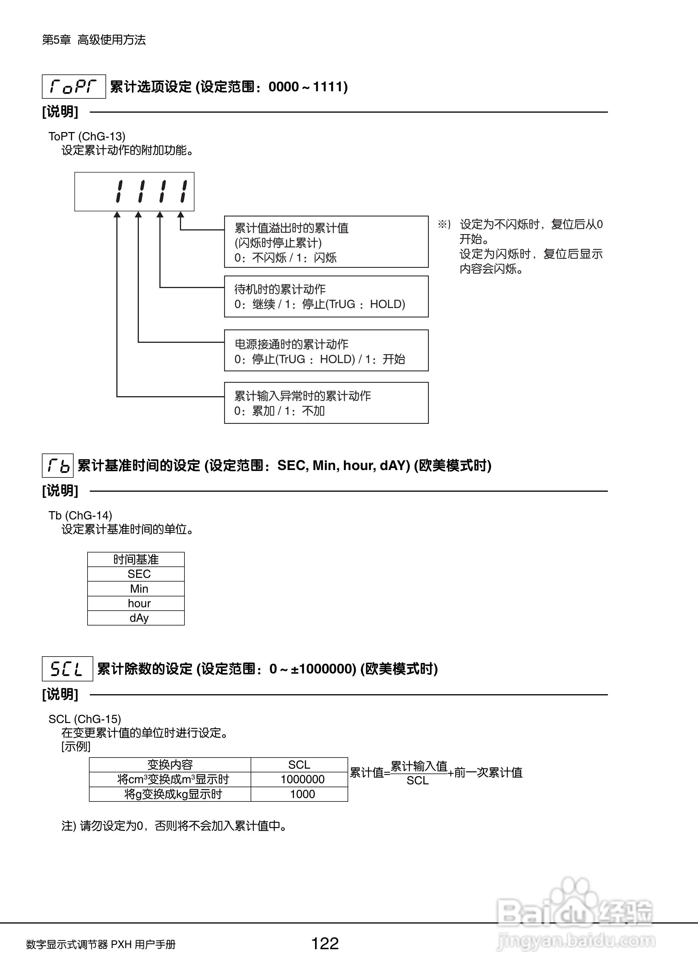
本篇为《富士PXH加热/制冷控制型数字显示式调节器操作手册》,主要介绍该产品的使用方法以及常见故障解决方案。
(共篇)
上一篇:
|
下一篇:
声明:
本网站引用、摘录或转载内容仅供网站访问者交流或参考,不代表本站立场,如存在版权或非法内容,请联系站长删除,联系邮箱:site.kefu@qq.com。
相关推荐
富士PXH加热/制冷控制型数字显示式调节器操作手册:[14]
阅读量:120
富士PXH加热/制冷控制型数字显示式调节器操作手册:[7]
阅读量:189
富士施乐s2110扫描设置
阅读量:29
富士施乐s2520扫描设置教程
阅读量:101
富士施乐打印机驱动软件安装教程
阅读量:89
猜你喜欢
ferry是什么意思
邂逅意思
台湾有什么值得买的
诈尸是什么意思
fc是什么意思
article是什么意思
国家公务员什么时候报名
主管护师什么时候出成绩
燕雀安知鸿鹄之志哉的意思
嗟来之食的意思
猜你喜欢
婚宴用什么酒
迷途知返的意思
六一儿童节的祝福
给母亲的祝福语
祖国祝福语
殷勤的意思
花与乙女的祝福
灵魂的意思
护眼台灯什么牌子好
石敢当是什么意思