指南生活
首页
美食营养
手工爱好
生活家居
返回
指南生活
首页
美食营养
游戏数码
手工爱好
生活家居
健康养生
运动户外
职场理财
情感交际
母婴教育
时尚美容
知识问答
生活知识
搜索
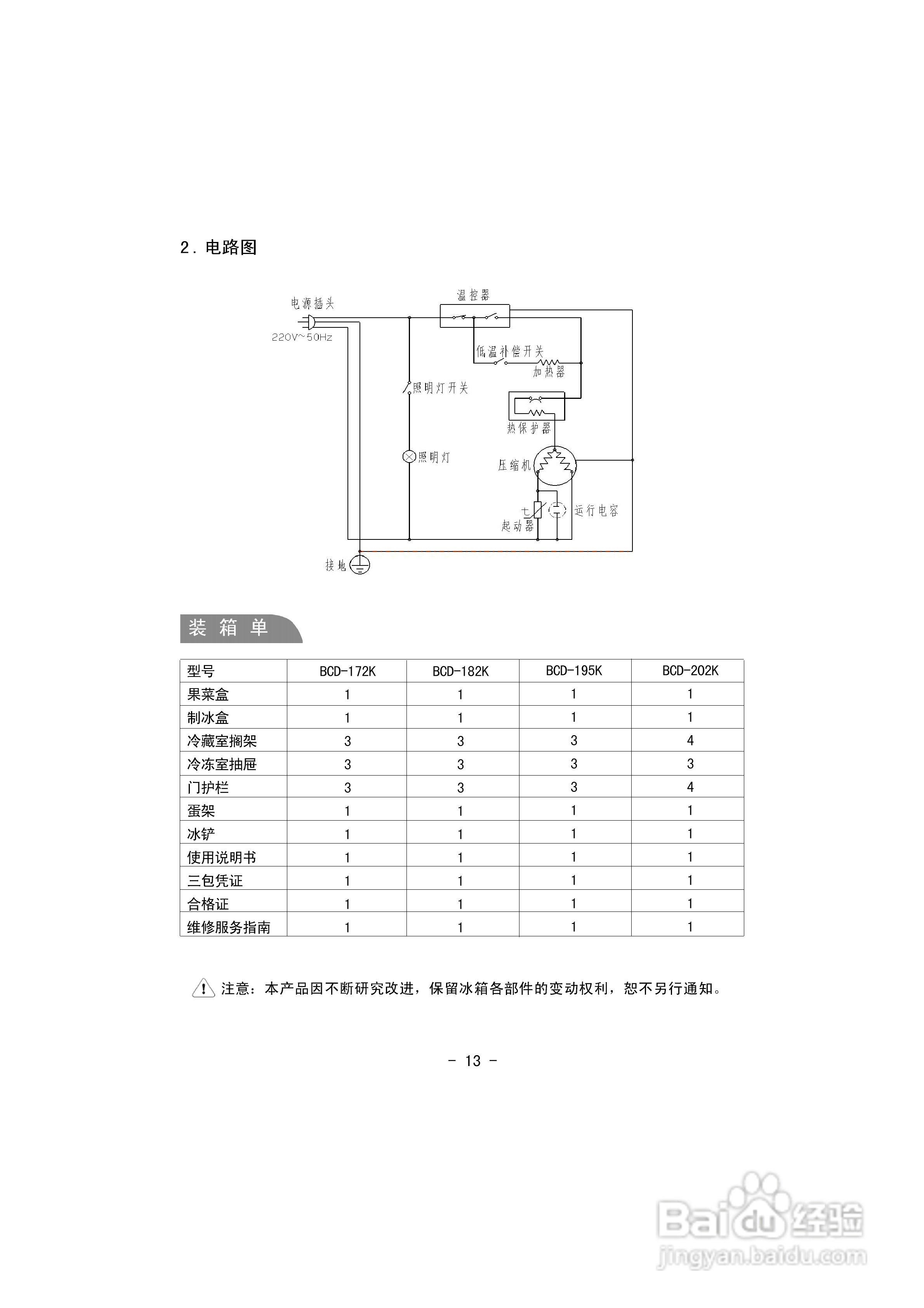
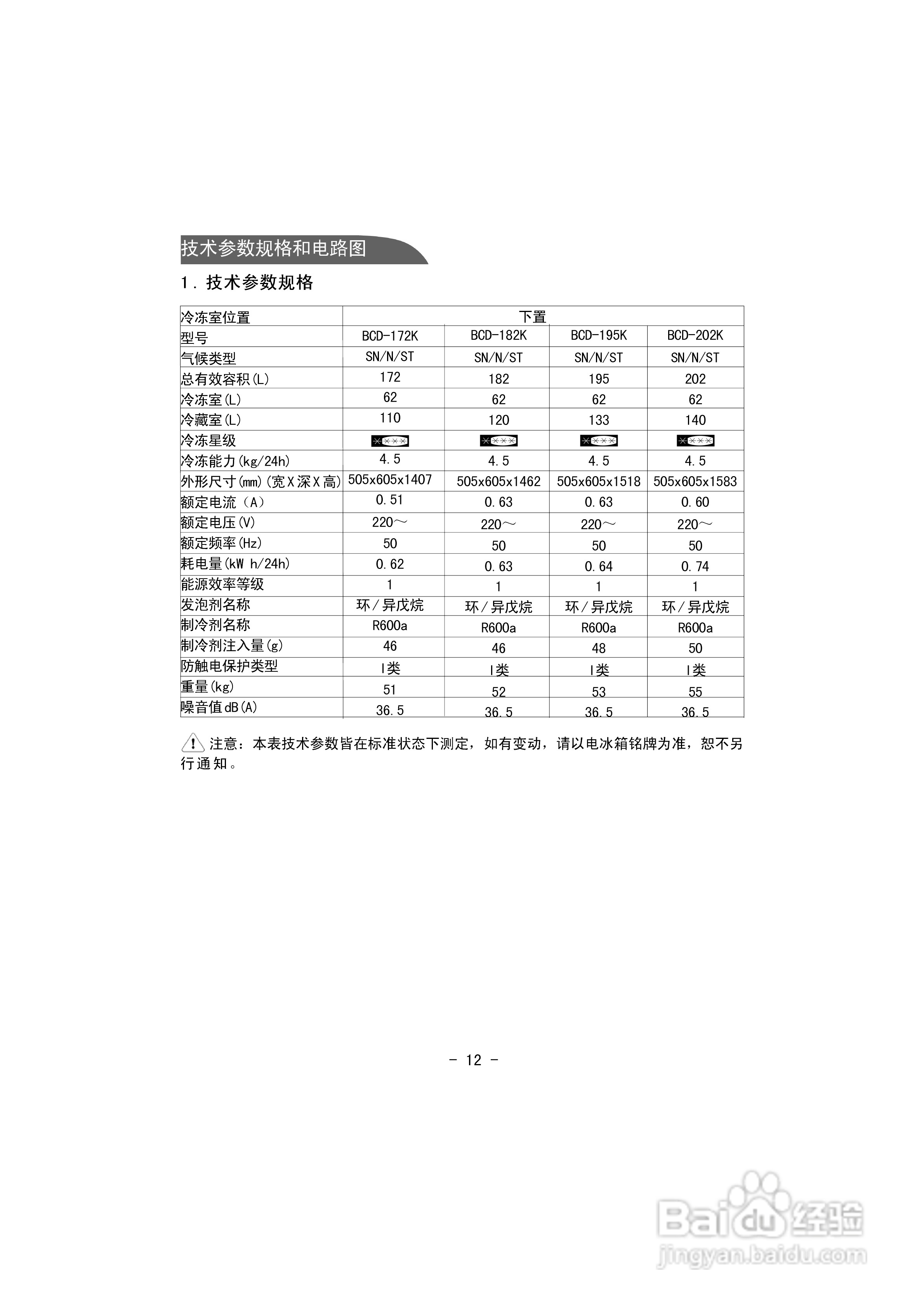
伊莱克斯电冰箱BCD-182K型使用说明书
2026-01-12 04:34:58
声明:
本网站引用、摘录或转载内容仅供网站访问者交流或参考,不代表本站立场,如存在版权或非法内容,请联系站长删除,联系邮箱:site.kefu@qq.com。
相关推荐
马兰士功放SR-73喇叭输出继电器自吸不释放维修
阅读量:46
国金佣金宝怎么关闭定向广告展示
阅读量:90
床垫不合适会造成孩子驼背
阅读量:64
气豆角炒肚丝
阅读量:69
如何开启海豚股票智能盯盘通知
阅读量:46
猜你喜欢
减肥排行榜
高尔夫车怎么样
牛仔衬衫怎么搭配
项目经历怎么写
怎么样去除皱纹
云南丽江旅游攻略
斯坦索姆刷马怎么走
红烧肉怎么做
怎么搭配
按摩减肥
猜你喜欢
减肥的最快方法
炒土豆丝怎么做好吃
减肥餐食谱大全
大理丽江自助游攻略
葫芦岛旅游攻略
中华女子学院怎么样
板鞋搭配
地铁最后的曙光攻略
dnf鬼剑士时装搭配
不吃早餐能减肥么