指南生活
首页
美食营养
手工爱好
生活家居
返回
指南生活
首页
美食营养
游戏数码
手工爱好
生活家居
健康养生
运动户外
职场理财
情感交际
母婴教育
时尚美容
知识问答
生活知识
搜索
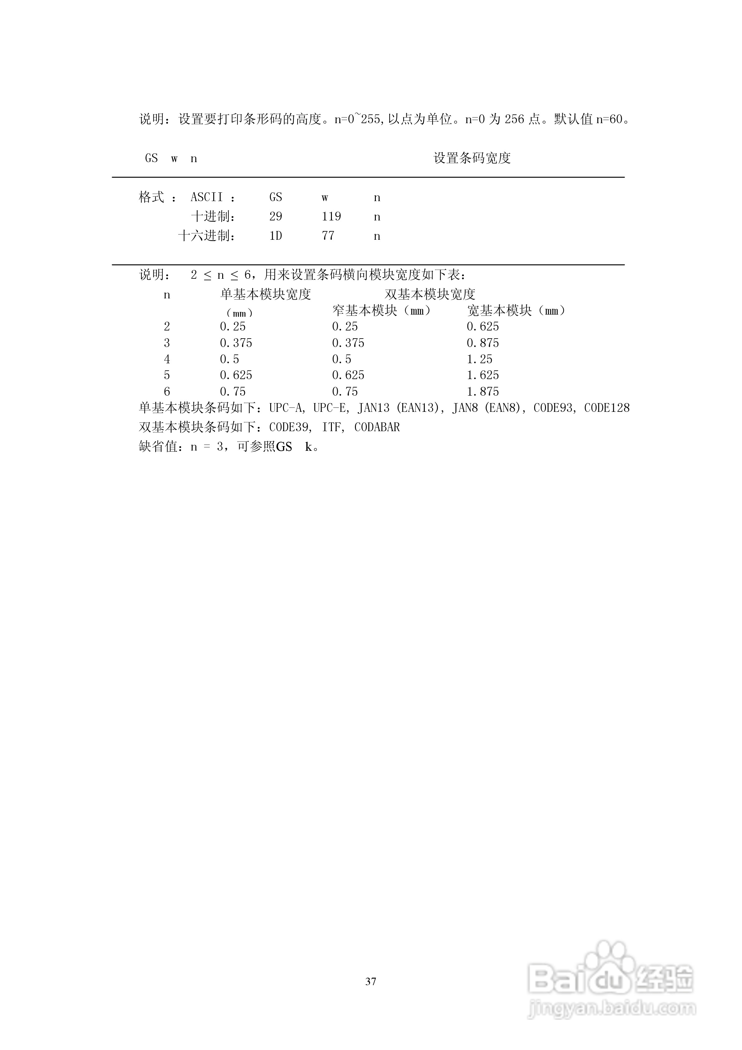
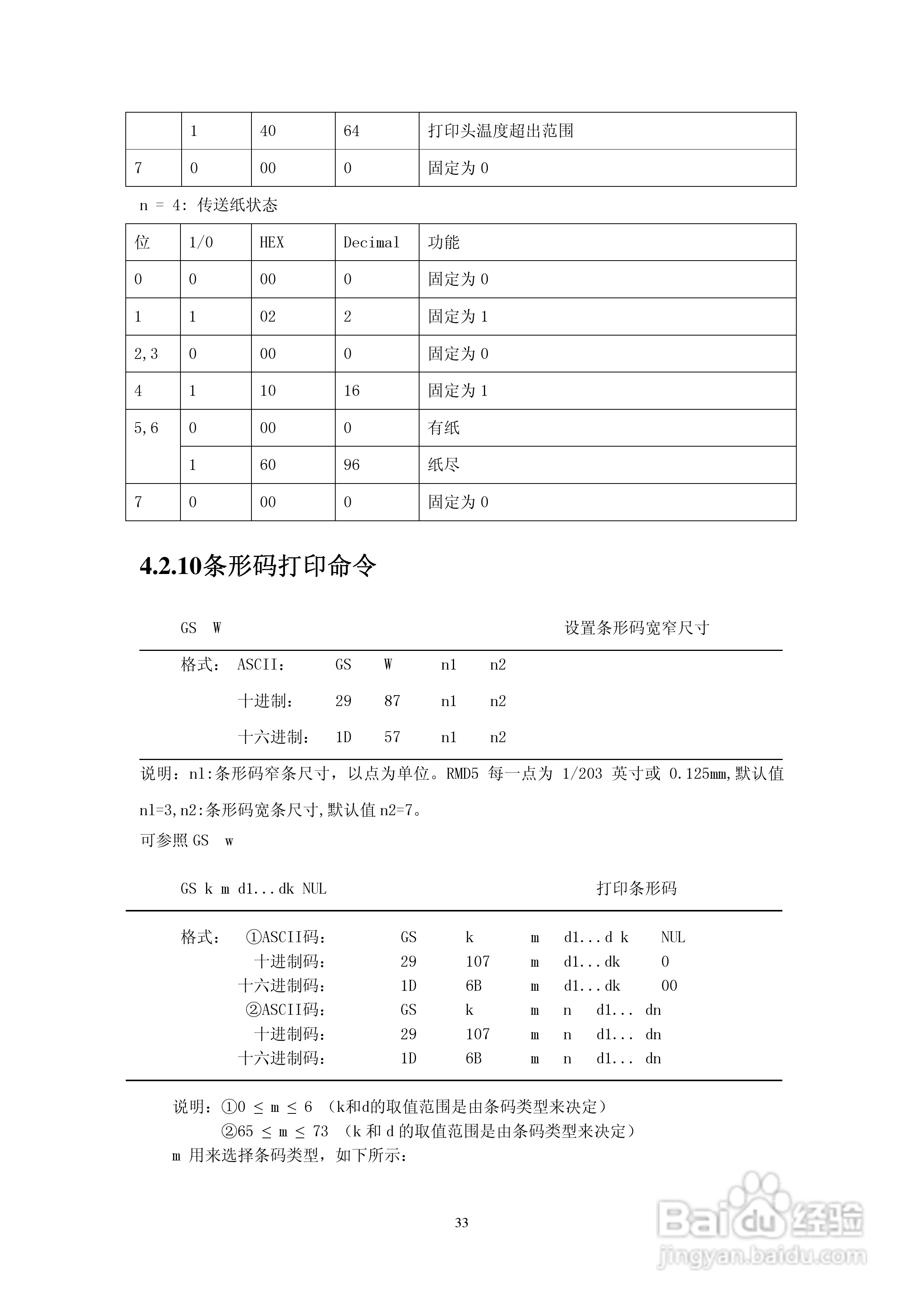
思普瑞特SP-RMD5微型热敏打印机说明书:[4]
2026-01-05 06:00:33
本篇为《思普瑞特SP-RMD5微型热敏打印机说明书》,主要介绍该产品的使用方法以及常见故障解决方案。
(共篇)
上一篇:
|
下一篇:
声明:
本网站引用、摘录或转载内容仅供网站访问者交流或参考,不代表本站立场,如存在版权或非法内容,请联系站长删除,联系邮箱:site.kefu@qq.com。
相关推荐
域名怎么解析和绑定-空间和windows2003的绑定
阅读量:122
挑选钻石男戒需要注意什么?
阅读量:195
SPC-96BV单相交流电压表
阅读量:82
5 5c 5s的区别
阅读量:56
如何拍摄好外景婚纱照
阅读量:21
猜你喜欢
三星如何恢复出厂设置
珂卡芙鞋子怎么样
眼部脂肪粒如何去除
怎么把网页放在桌面
梦到蛇是什么寓意
怎么盘头发简单好看
下巴周围反复长痘痘是什么原因
溢价是什么意思
如何删除差评
宽带路由器怎么安装
猜你喜欢
mod是什么意思
如何找回六级准考证号
如何做一名合格的员工
作文生活需要微笑
舌头边缘有齿痕是什么原因
公关是什么意思是什么
是什么
倩碧淡斑精华怎么样
教你如何接吻
北京现代汽车怎么样