指南生活
首页
美食营养
手工爱好
生活家居
返回
指南生活
首页
美食营养
游戏数码
手工爱好
生活家居
健康养生
运动户外
职场理财
情感交际
母婴教育
时尚美容
知识问答
生活知识
搜索
L系列自动平衡小型记录调节、报警仪说明书:[2]
2025-12-28 06:28:34
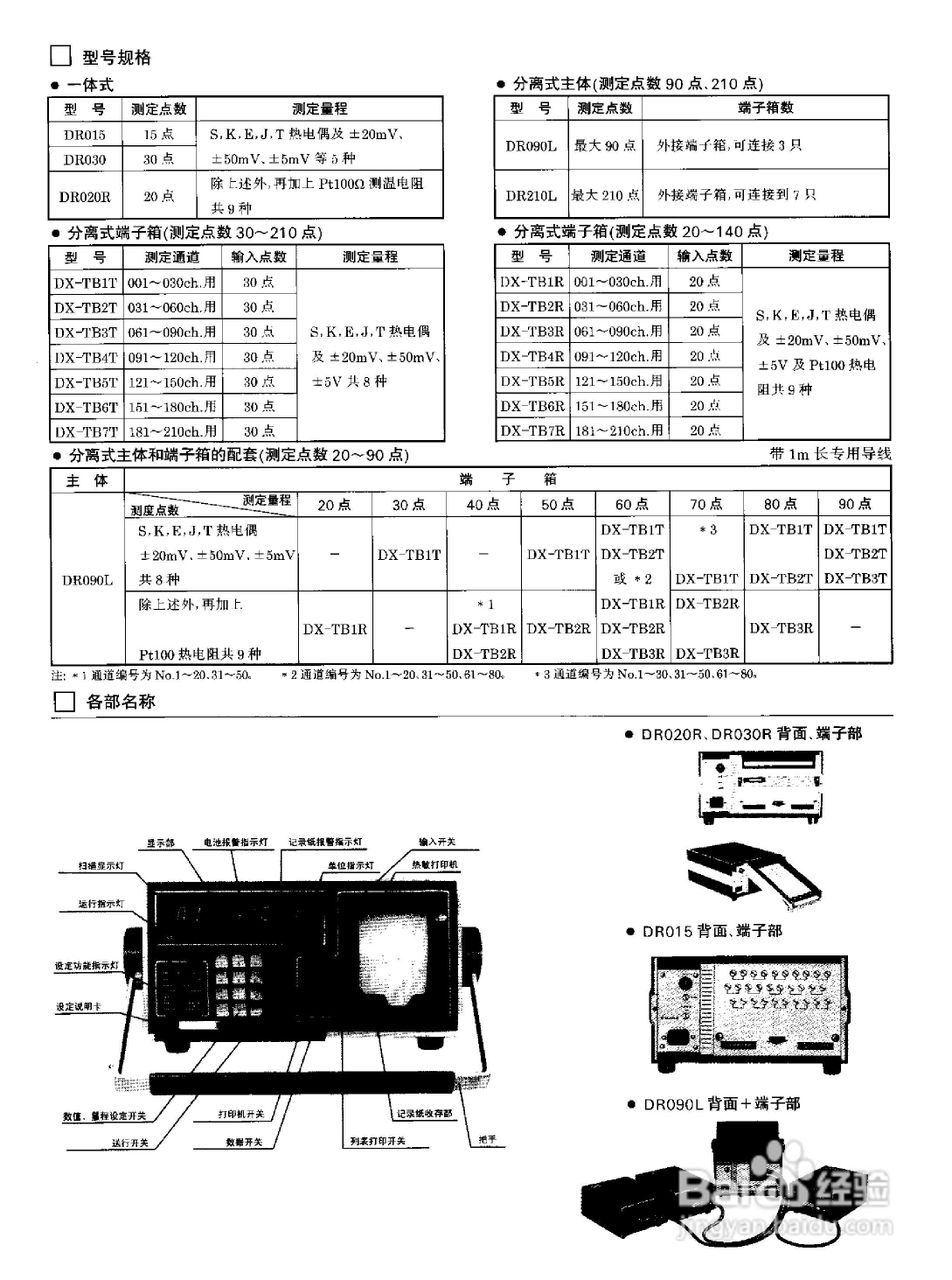
本篇为《L系列自动平衡小型记录调节、报警仪说明书》,主要介绍该产品的使用方法以及常见故障解决方案。
(共篇)
上一篇:
|
下一篇:
声明:
本网站引用、摘录或转载内容仅供网站访问者交流或参考,不代表本站立场,如存在版权或非法内容,请联系站长删除,联系邮箱:site.kefu@qq.com。
相关推荐
L系列自动平衡小型记录调节、报警仪说明书:[10]
阅读量:103
LTM8203多通道温湿度巡检报警仪说明书:[2]
阅读量:29
LTM8203多通道温湿度巡检报警仪说明书:[1]
阅读量:115
单点壁挂式二合一气体报警仪
阅读量:109
个人辐射报警仪的特点
阅读量:115
猜你喜欢
魔兽世界坐骑掉落大全
生殖器疱疹怎么治
红烧鸡块怎么烧好吃又嫩
鸡腿的做法大全家常
红掌的养殖方法和注意事项
深圳怎么样
扁桃体肿大治疗方法
怎么截视频
备注名称大全
冬瓜的做法大全家常
猜你喜欢
汽车之家2019款价大全
中耳乳突炎治疗方法
干粽叶怎么处理才能包粽子
冬瓜汤怎么做好吃
苦瓜的做法大全家常
排骨汤怎么炖好吃
qq人脸识别怎么解除
尿床怎么办
油炸糕的做法家常做法
广州怎么样