指南生活
首页
美食营养
手工爱好
生活家居
返回
指南生活
首页
美食营养
游戏数码
手工爱好
生活家居
健康养生
运动户外
职场理财
情感交际
母婴教育
时尚美容
知识问答
生活知识
生活百科
搜索
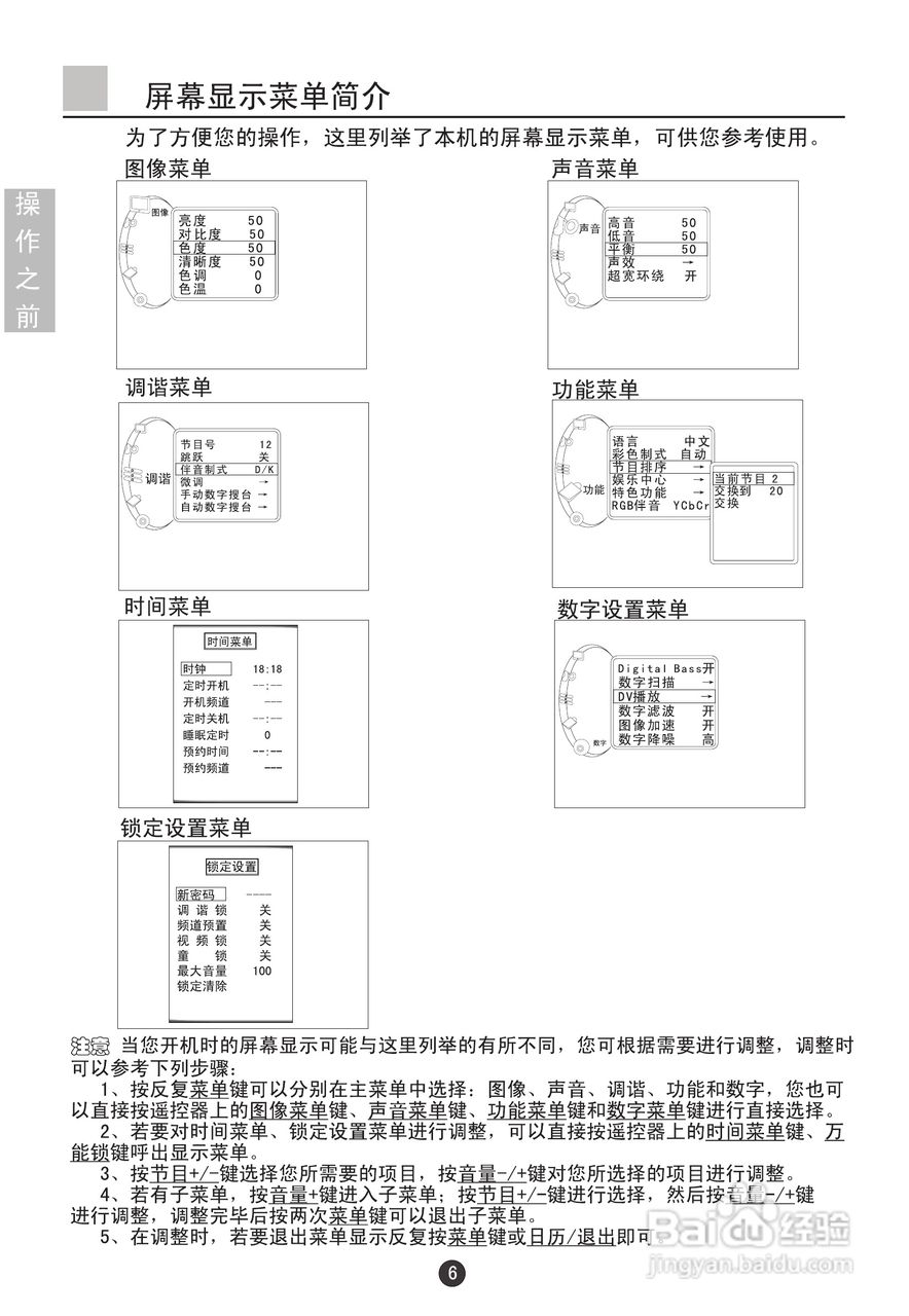
海尔D29FV6-A8彩电说明书:[1]
2026-03-31 02:33:29
(共篇)
下一篇:
声明:
本网站引用、摘录或转载内容仅供网站访问者交流或参考,不代表本站立场,如存在版权或非法内容,请联系站长删除,联系邮箱:site.kefu@qq.com。
相关推荐
海尔D29FV6-A8彩电说明书:[3]
阅读量:25
海尔D29FV6H-A8彩电使用说明书:[2]
阅读量:178
海尔电热水器使用方法
阅读量:180
海尔智能空调绑定方法
阅读量:69
海尔电热水器的清洗方式
阅读量:63
猜你喜欢
胆是什么意思
日字旁的有什么字
麦麸是什么
points是什么意思
政治掮客是什么意思
treasure什么意思
三轮摩托车什么牌子好
脑供血不足什么症状
购房合同什么时候签
虎视眈眈是什么意思
猜你喜欢
榕树的养殖方法
沙盘是什么
什么是兴趣
april是什么意思
amount什么意思
孕吐从什么时候开始
tone是什么意思
沙漠风暴是什么服务
imei是什么
不以为然的然是什么意思