指南生活
首页
美食营养
手工爱好
生活家居
返回
指南生活
首页
美食营养
游戏数码
手工爱好
生活家居
健康养生
运动户外
职场理财
情感交际
母婴教育
时尚美容
知识问答
生活知识
生活百科
搜索
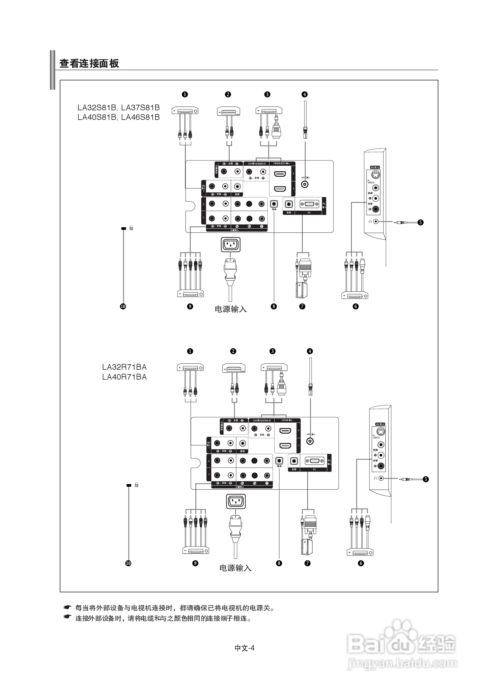
三星LA37S81B液晶彩电使用说明书:[1]
2026-03-27 08:12:25
(共篇)
下一篇:
声明:
本网站引用、摘录或转载内容仅供网站访问者交流或参考,不代表本站立场,如存在版权或非法内容,请联系站长删除,联系邮箱:site.kefu@qq.com。
相关推荐
win7如何安装win7系统
阅读量:81
怎么制作无绑定软件、无广告、纯净的PE?
阅读量:160
XP系统选择什么安全软件好?
阅读量:145
迅捷FWD105无线路由一体机的设置方法
阅读量:85
win7系统无法识别光驱怎么办
阅读量:61
猜你喜欢
怎么进入路由器设置界面
美庐奶粉怎么样
雪花秀怎么样
我不受欢迎怎么想都是你们的错
动态图片怎么制作
下标怎么打
套的五笔怎么打
晚上睡不着觉怎么办
倩碧黄油怎么用
怎么看五行
猜你喜欢
惠普电脑怎么进入bios
狗身上的跳蚤怎么去除
淘宝怎么改收货地址
黑头怎么去
怎么打特殊符号
home怎么读
三菱空调怎么样
股票成交量怎么看
爱奇艺怎么下载视频
冰箱不制冷怎么办