指南生活
首页
美食营养
手工爱好
生活家居
返回
指南生活
首页
美食营养
游戏数码
手工爱好
生活家居
健康养生
运动户外
职场理财
情感交际
母婴教育
时尚美容
知识问答
生活知识
搜索
XMJ-M系列模拟量输入流量积算仪表使用说明书:[2]
2025-12-19 09:02:58
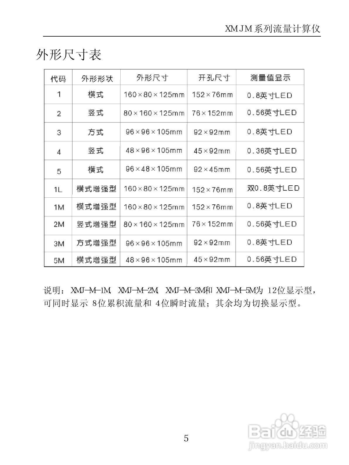
本篇为《XMJ-M系列模拟量输入流量积算仪表使用说明书》,主要介绍该产品的使用方法以及常见故障解决方案。
(共篇)
上一篇:
|
下一篇:
声明:
本网站引用、摘录或转载内容仅供网站访问者交流或参考,不代表本站立场,如存在版权或非法内容,请联系站长删除,联系邮箱:site.kefu@qq.com。
相关推荐
Windows Server 2012 R2如何查看镜像卷的属性
阅读量:34
安装在Virtualbox中的Windows系统盘空间不足
阅读量:93
linux远程桌面登陆
阅读量:69
Windows Server 2003通过创建日期搜索用户文件
阅读量:77
Win10系统怎么设置默认音乐播放器应用
阅读量:154
猜你喜欢
如何关闭自动更新
怎么去除黑斑
教师如何说课
中国的国花是什么花
邯郸职业技术学院怎么样
rst是什么意思
如何去除双下巴
如何给孩子起名
如何办理暂住证
泄洪是什么意思
猜你喜欢
如何鉴定银的真假
相由心生是什么意思
祖坟风水怎么看
起亚k3油耗怎么样
雅宝家具怎么样
朝鲜人民的真实生活
生活常识趣味问答题
彩生活服务集团
八零后修道生活录
糜烂生活手抄本