指南生活
首页
美食营养
手工爱好
生活家居
返回
指南生活
首页
美食营养
游戏数码
手工爱好
生活家居
健康养生
运动户外
职场理财
情感交际
母婴教育
时尚美容
知识问答
生活知识
生活百科
搜索
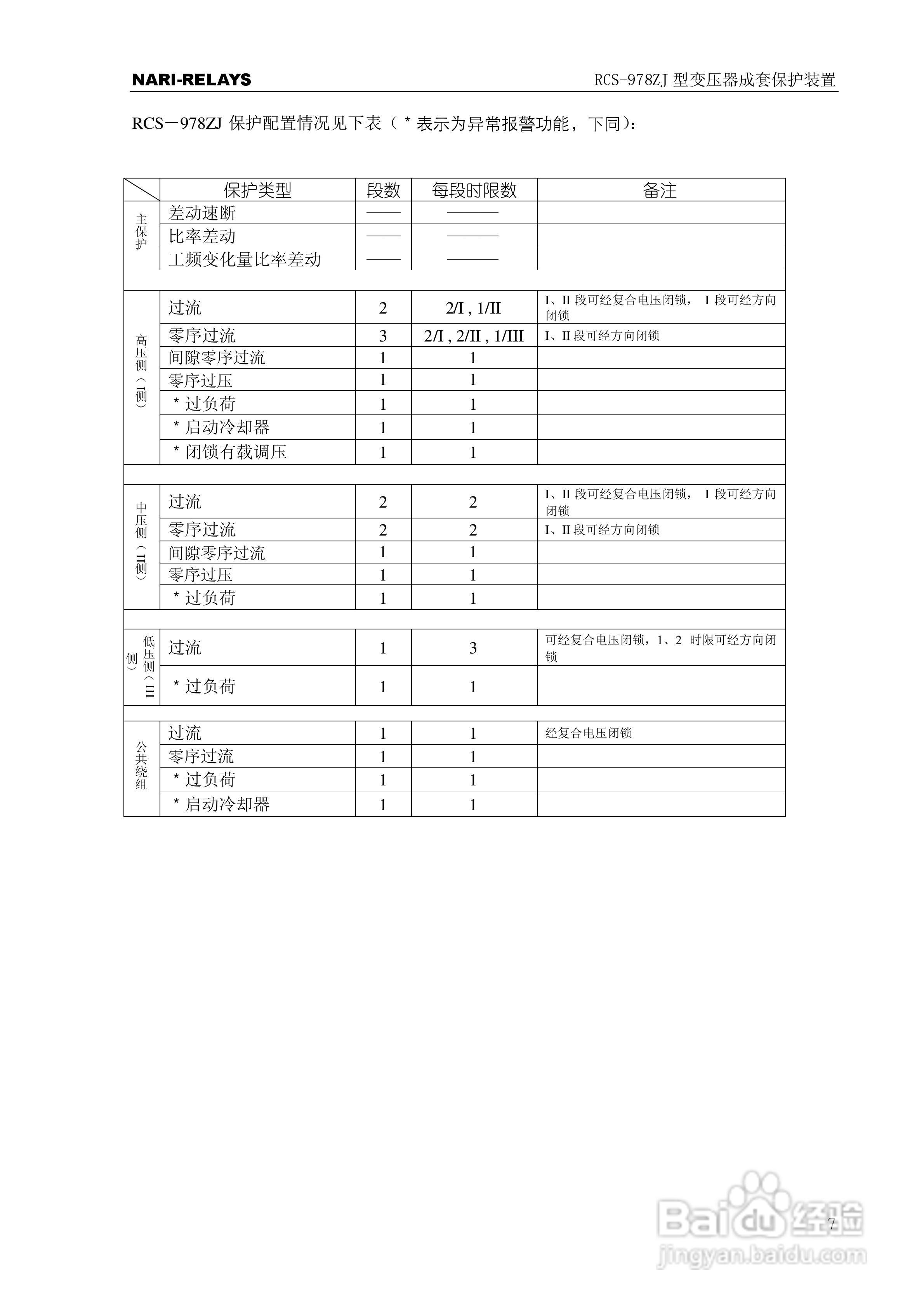
RCS-978ZJ型变压器成套保护装置技术和使用说明书:[2]
2026-03-26 03:43:49
本篇为《RCS-978ZJ型变压器成套保护装置技术和使用说明书》,主要介绍该产品的使用方法以及常见故障解决方案。
(共篇)
上一篇:
|
下一篇:
声明:
本网站引用、摘录或转载内容仅供网站访问者交流或参考,不代表本站立场,如存在版权或非法内容,请联系站长删除,联系邮箱:site.kefu@qq.com。
相关推荐
RCS-978ZJ型变压器成套保护装置技术和使用说明书:[4]
阅读量:58
RCS-978ZJ系列220KV变压器保护装置说明书:[2]
阅读量:54
RCS-978ZJ系列220KV变压器保护装置说明书:[4]
阅读量:46
RCS-978ZJ系列220KV变压器保护装置说明书:[6]
阅读量:106
使用说明书封面怎么做
阅读量:34
猜你喜欢
1314是什么意思啊
龟毛是什么意思
反噬是什么意思
蜂花粉的作用
书香门第是什么意思
什么当春乃发生
icloud是什么意思
玫瑰茶的功效与作用
音欠读什么
宝宝什么时候吃dha
猜你喜欢
皮白金草本乳膏作用
has是什么意思
玩什么游戏好
什么眉笔好用
茹毛饮血的意思
受益匪浅的意思
紫气东来是什么意思
帐篷什么牌子好
柔和的意思
女人最喜欢什么