指南生活
首页
美食营养
手工爱好
生活家居
返回
指南生活
首页
美食营养
游戏数码
手工爱好
生活家居
健康养生
运动户外
职场理财
情感交际
母婴教育
时尚美容
知识问答
生活知识
生活百科
搜索
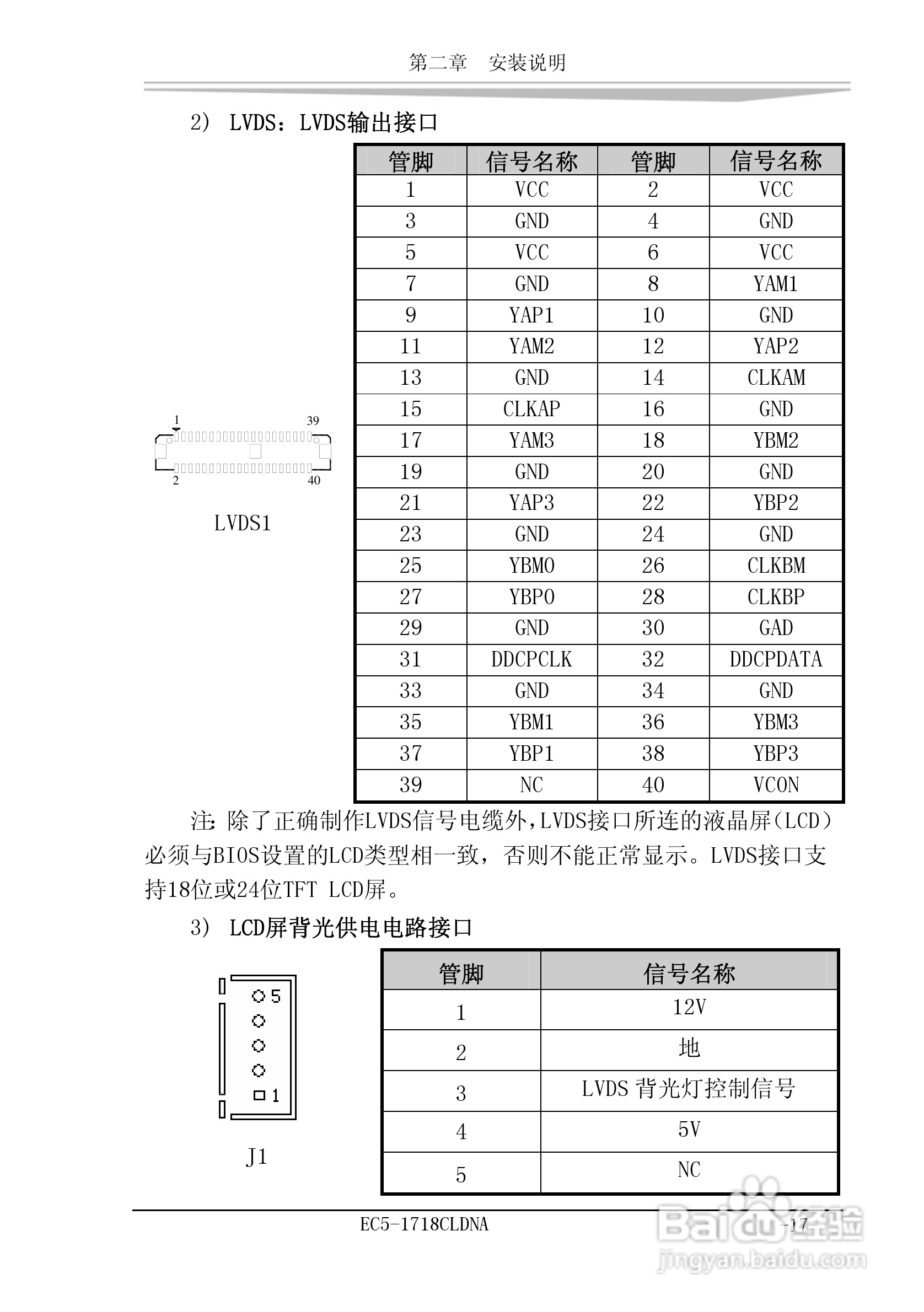
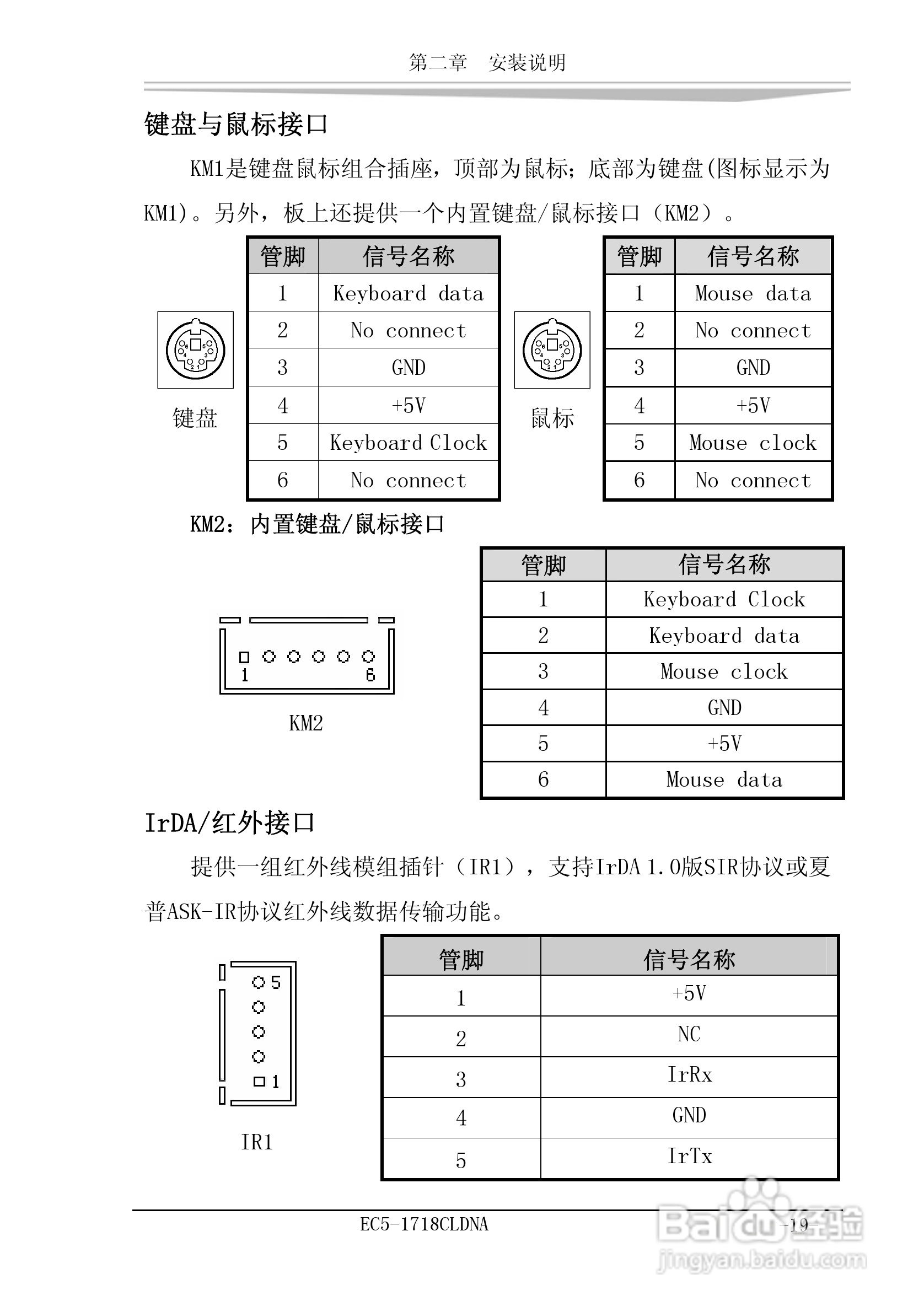
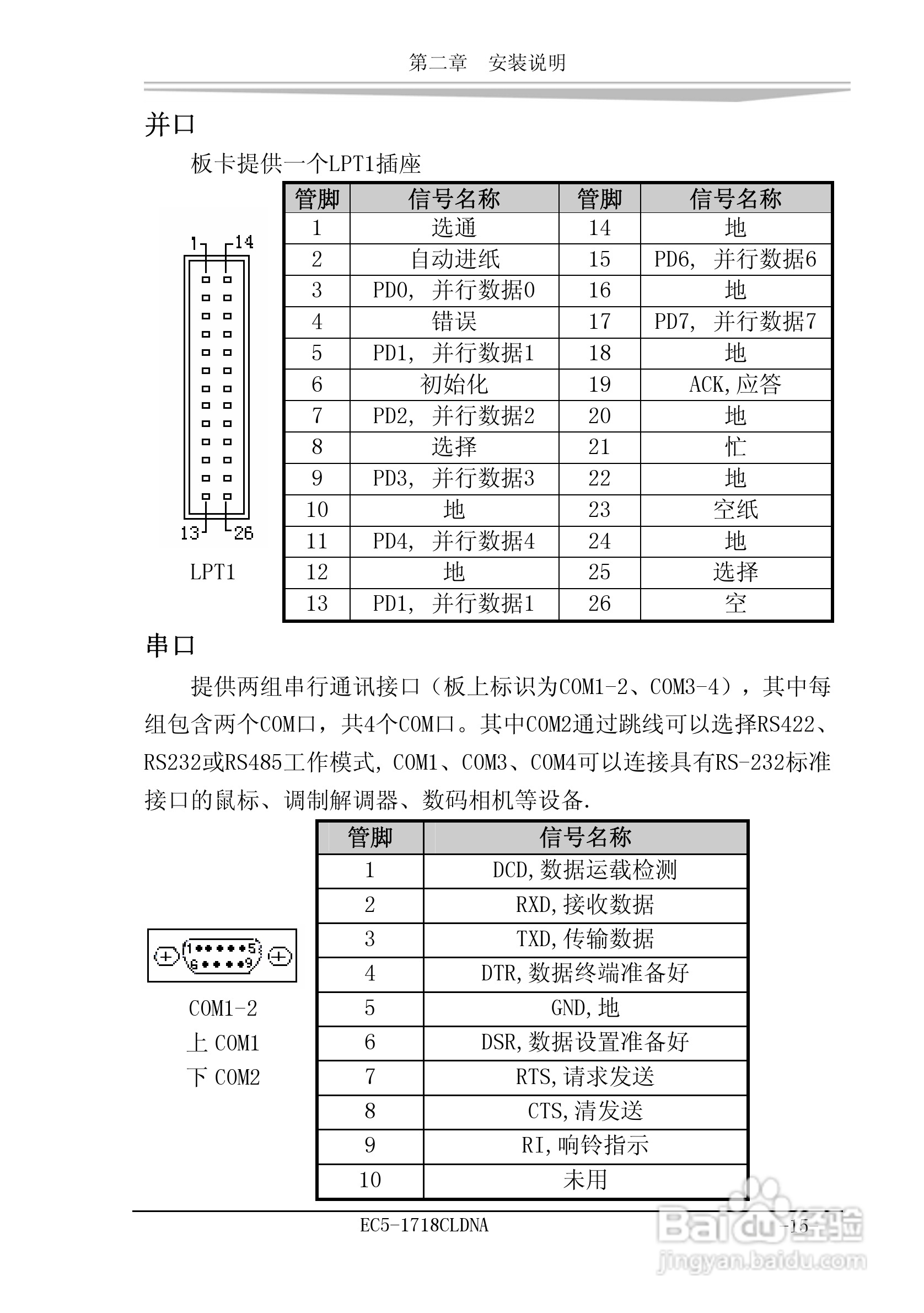
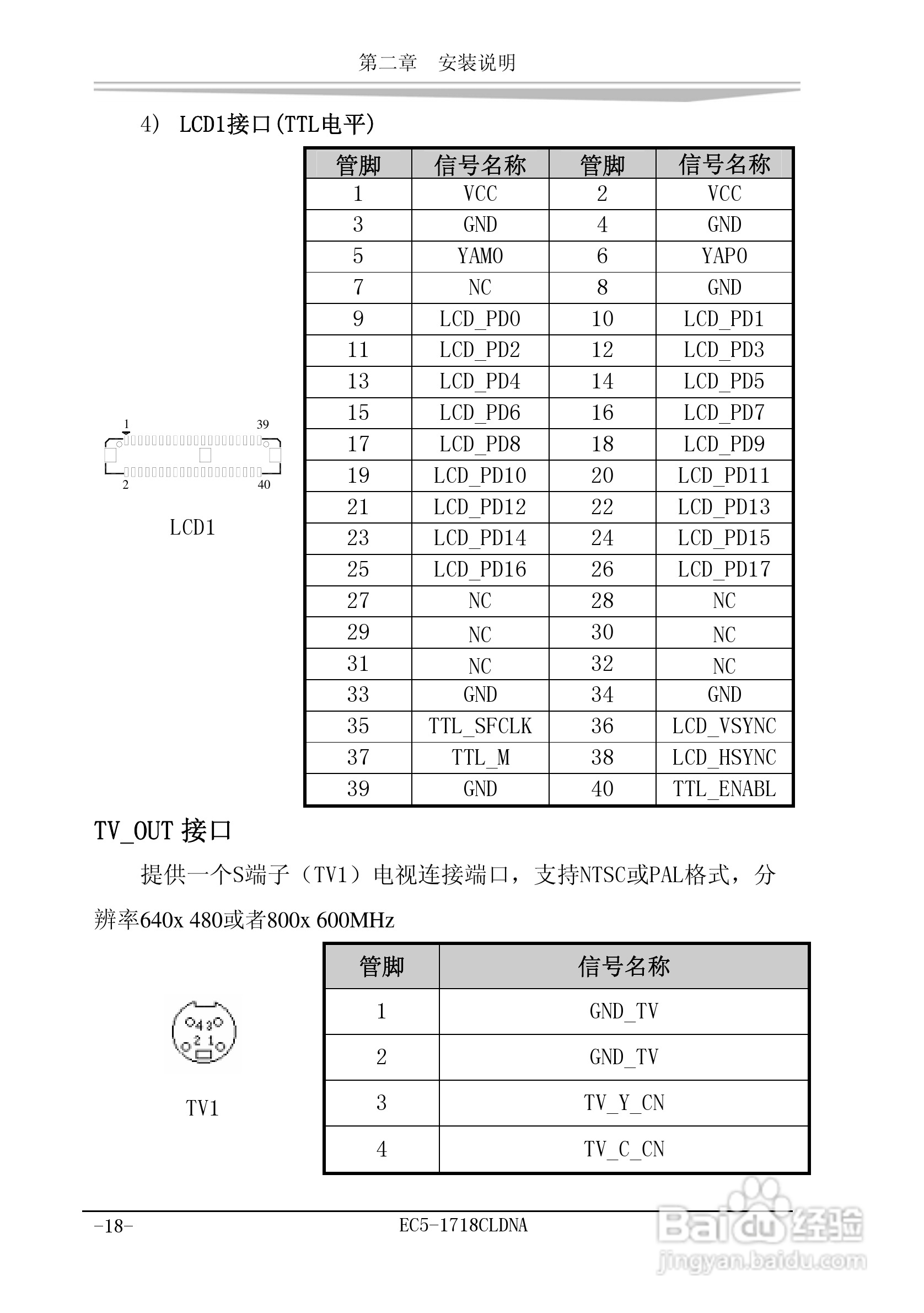
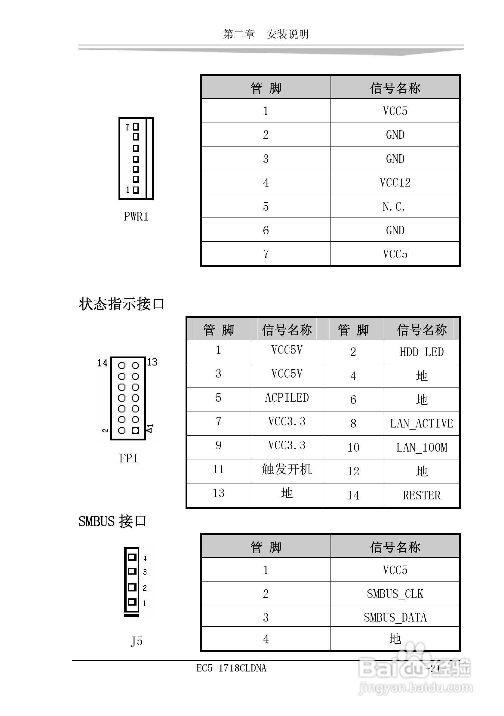
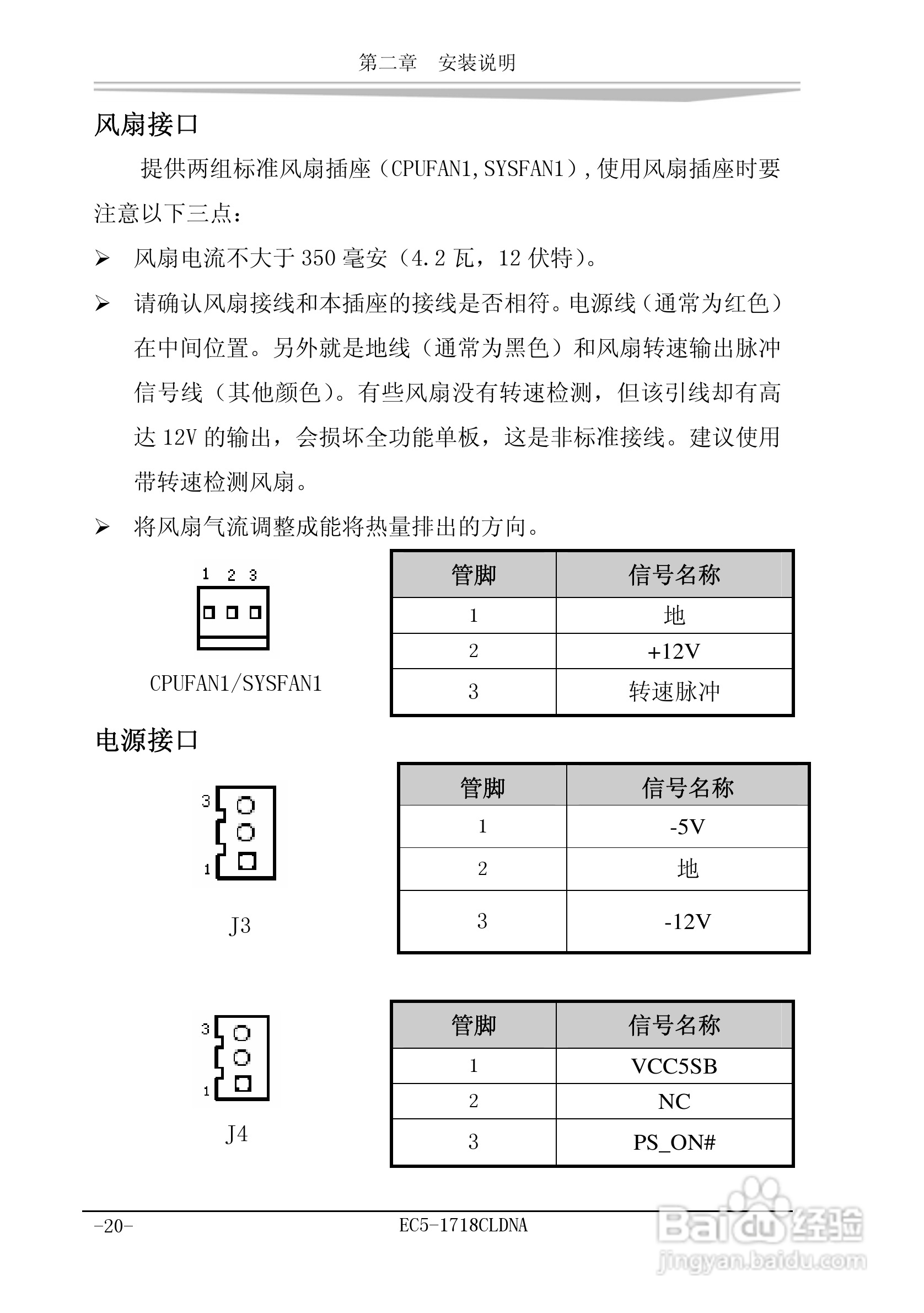
研祥EC5-1718CLDNA工业级CPU板卡说明书:[3]
2026-04-16 06:12:15
本篇为《研祥EC5-1718CLDNA工业级CPU板卡说明书》,主要介绍该产品的使用方法以及常见故障解决方案。
(共篇)
上一篇:
|
下一篇:
声明:
本网站引用、摘录或转载内容仅供网站访问者交流或参考,不代表本站立场,如存在版权或非法内容,请联系站长删除,联系邮箱:site.kefu@qq.com。
相关推荐
研祥EC5-1718CLDNA工业级CPU板卡说明书:[2]
阅读量:179
研祥EC5-1712CLDNA工业级CPU板卡说明书:[3]
阅读量:73
研祥EC5-1712CLDNA工业级CPU板卡说明书:[7]
阅读量:22
研祥EC5-1711CLDNA工业级CPU板卡说明书:[8]
阅读量:126
cpu怎么开启睿频
阅读量:98
猜你喜欢
garbage是什么意思
正方体的表面积公式是什么
隽永是什么意思
伪娘什么意思
生产资料是什么
pf是什么意思
傲娇什么意思
tender是什么意思
什么动物最聪明
现在什么行业最赚钱
猜你喜欢
出处是什么意思
诞辰是什么意思
入党动机是什么
awful什么意思
什么是有氧运动
春季高考是什么
农村养殖致富
送女人什么礼物最好
visa是什么
酸黄瓜的腌制方法