指南生活
首页
美食营养
手工爱好
生活家居
返回
指南生活
首页
美食营养
游戏数码
手工爱好
生活家居
健康养生
运动户外
职场理财
情感交际
母婴教育
时尚美容
知识问答
生活知识
生活百科
搜索
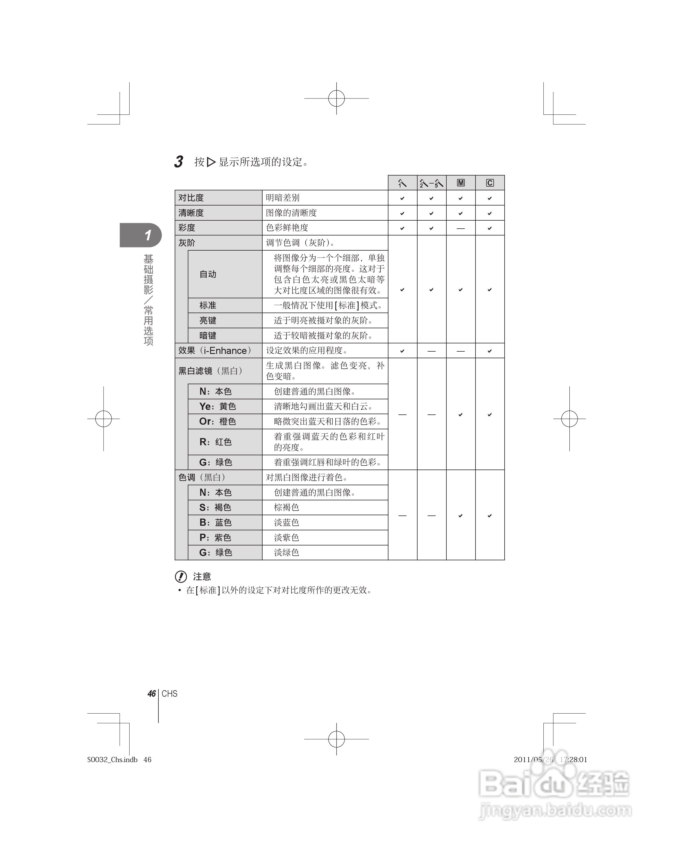
奥林巴斯E-P3数码照相机使用说明书:[5]
2026-05-05 02:12:44
本篇为《奥林巴斯E-P3数码照相机使用说明书》,主要介绍该产品的使用方法以及常见故障解决方案。
(共篇)
上一篇:
|
下一篇:
声明:
本网站引用、摘录或转载内容仅供网站访问者交流或参考,不代表本站立场,如存在版权或非法内容,请联系站长删除,联系邮箱:site.kefu@qq.com。
相关推荐
奥林巴斯E-P3数码照相机使用说明书:[3]
阅读量:134
使用说明书封面怎么做
阅读量:43
使用说明书wf2651使用指南
阅读量:124
奥林巴斯E-P3数码照相机使用说明书:[11]
阅读量:114
奥林巴斯E-P3数码照相机使用说明书:[12]
阅读量:63
猜你喜欢
cough是什么意思
聚乙烯是什么
资本性支出是什么意思
cif是什么意思
补充维生素c的好处
牙齿最多的动物是什么
tsi是什么意思
什么手游能赚人民币
诗是什么
暴殄天物是什么意思
猜你喜欢
什么叶酸比较好
结婚证需要什么材料
渎职是什么意思
什么是物理变化
神采奕奕是什么意思
什么兼职可以在家做
plain是什么意思
无线ap是什么
微博账号是什么
林麝养殖