指南生活
首页
美食营养
手工爱好
生活家居
返回
指南生活
首页
美食营养
游戏数码
手工爱好
生活家居
健康养生
运动户外
职场理财
情感交际
母婴教育
时尚美容
知识问答
生活知识
生活百科
搜索
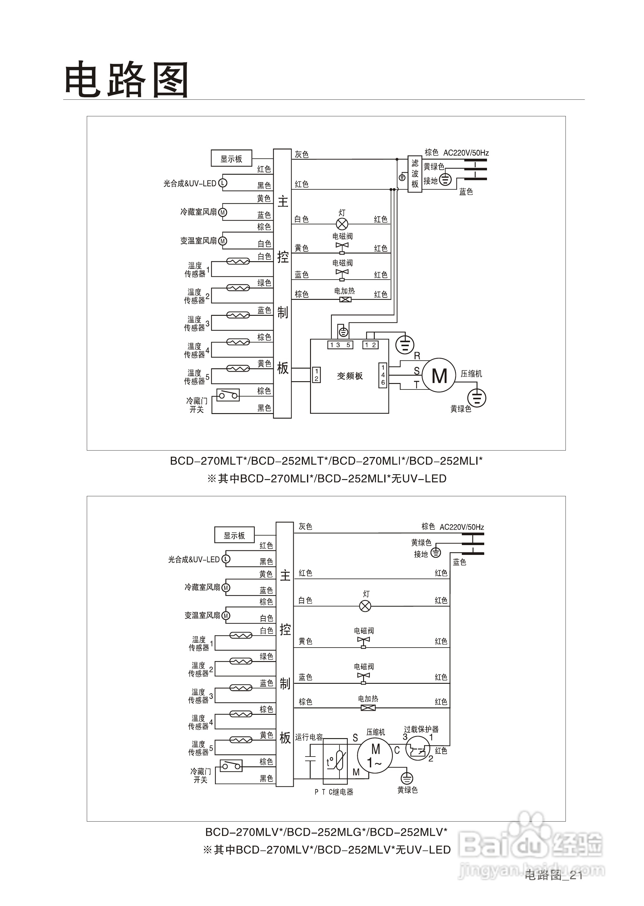
三星BCD-252MLVS电冰箱使用说明书:[3]
2026-05-14 12:16:35
(共篇)
上一篇:
声明:
本网站引用、摘录或转载内容仅供网站访问者交流或参考,不代表本站立场,如存在版权或非法内容,请联系站长删除,联系邮箱:site.kefu@qq.com。
相关推荐
养栀子花的禁忌
阅读量:127
家常菜(啫啫鱼煲)的做法
阅读量:103
眩晕应该怎么办
阅读量:182
墨西哥旅游攻略:Xplor探险公园
阅读量:109
企业如何进行知识产权战略转移
阅读量:91
猜你喜欢
什么是换手率
腰肌劳损贴什么膏药
教师节送老师什么礼物最好
什么让我陶醉
进退维谷是什么意思
手足口病有什么症状
i dare you是什么意思
什么是蓝牙
萨德是什么
有什么好玩的小游戏
猜你喜欢
虾皮不能和什么一起吃
蚯蚓养殖技术
prince是什么意思
七叶莲的养殖方法
手机热点是什么
羊养殖技术
清一色是什么意思
什么人始终不敢洗澡
现在养殖什么最赚钱
什么是板楼