指南生活
首页
美食营养
手工爱好
生活家居
返回
指南生活
首页
美食营养
游戏数码
手工爱好
生活家居
健康养生
运动户外
职场理财
情感交际
母婴教育
时尚美容
知识问答
生活知识
搜索
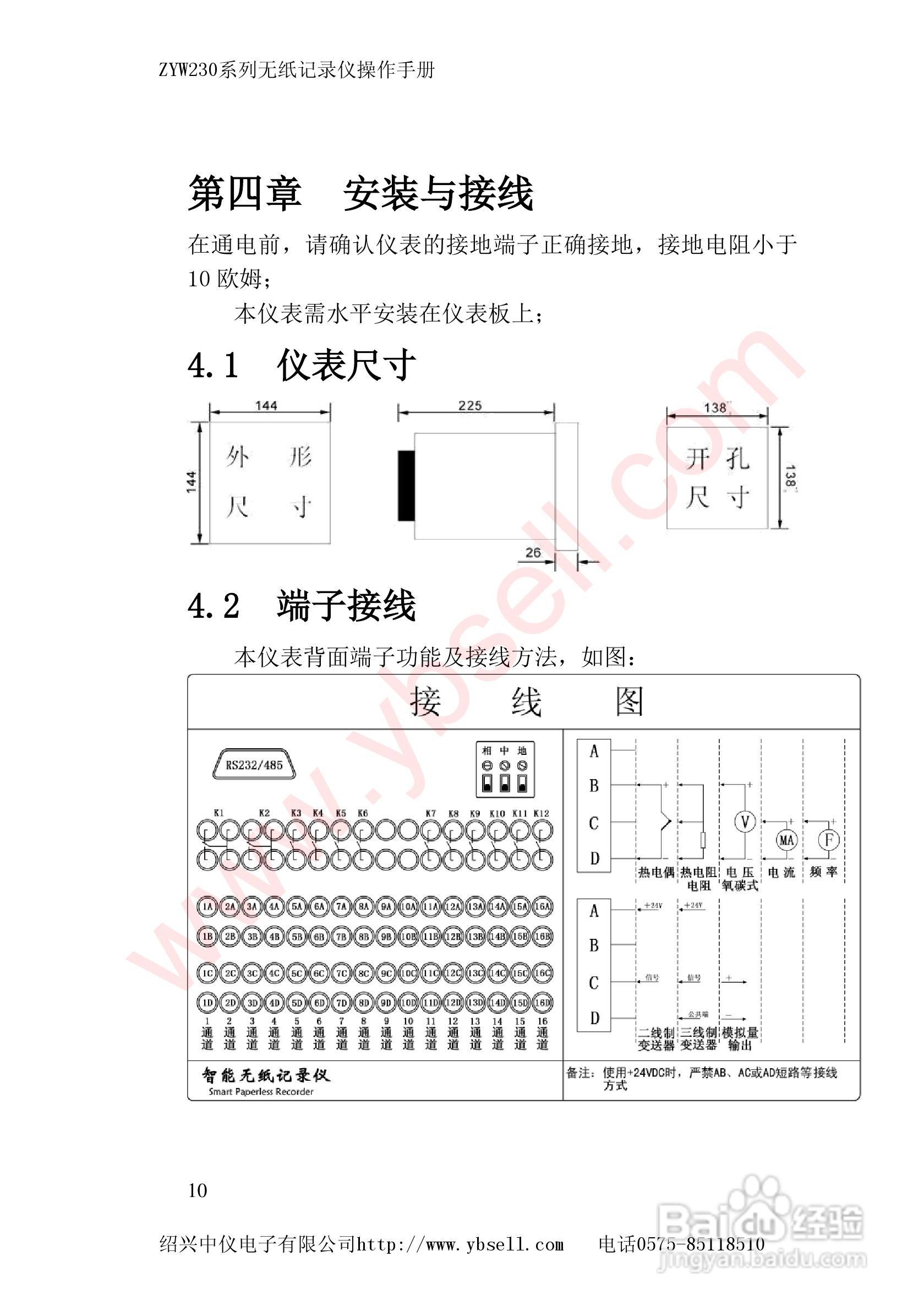
ZYW230无纸记录仪说明书:[1]
2026-02-23 04:40:01
本篇为《ZYW230无纸记录仪说明书》,主要介绍该产品的使用方法以及常见故障解决方案。
(共篇)
下一篇:
声明:
本网站引用、摘录或转载内容仅供网站访问者交流或参考,不代表本站立场,如存在版权或非法内容,请联系站长删除,联系邮箱:site.kefu@qq.com。
相关推荐
ZYW230无纸记录仪说明书:[3]
阅读量:32
ZYW230无纸记录仪说明书:[4]
阅读量:108
ZYW130无纸记录仪操作手册:[2]
阅读量:104
ZYW130无纸记录仪操作手册:[5]
阅读量:133
ZYW-MR53A无纸记录仪使用说明书:[4]
阅读量:61
猜你喜欢
奋斗说人生就是什么
唯唯诺诺是什么意思
什么牌子橄榄油好
大度的意思
赫然的意思
what about you是什么意思
新生儿奶瓶什么牌子好
race是什么意思
why是什么意思
afternoon是什么意思
猜你喜欢
痤疮什么症状
什么时候买车优惠最大
举目无亲的意思
量力而行的意思
阔别已久的意思
times是什么意思
狗尾续貂的意思
什么是芯片卡
婉转的意思
洗衣服用什么好