指南生活
首页
美食营养
手工爱好
生活家居
返回
指南生活
首页
美食营养
游戏数码
手工爱好
生活家居
健康养生
运动户外
职场理财
情感交际
母婴教育
时尚美容
知识问答
生活知识
搜索
斯菲尔WDH-31-500 电动机保护控制器用户手册:[1]
2026-01-25 13:03:31
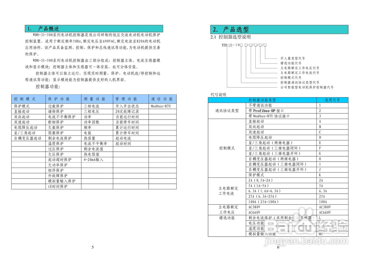
本篇为《斯菲尔WDH-31-500 电动机保护控制器用户手册》,主要介绍该产品的使用方法以及常见故障解决方案。
(共篇)
下一篇:
声明:
本网站引用、摘录或转载内容仅供网站访问者交流或参考,不代表本站立场,如存在版权或非法内容,请联系站长删除,联系邮箱:site.kefu@qq.com。
相关推荐
剑与远征冰湖之国攻略
阅读量:56
剑与远征回魂之境怎么过,回魂之境攻略
阅读量:52
微信网页电脑版怎么查看账号文件缓存在哪里
阅读量:32
电脑微信缓存的文件在哪里
阅读量:106
微信如何查看和某位好友的文件往来?
阅读量:110
猜你喜欢
白驹过隙是什么意思
模拟器是什么
阳光像什么
腼腆什么意思
12306候补是什么意思
25岁属什么
成都有什么特产
少校是什么级别
枸杞什么时候吃最好
alarm是什么意思
猜你喜欢
600分能上什么大学
老佛爷是什么牌子
鸡肝不能和什么一起吃
阿胶是什么
什么是证券
maria是什么意思中文
it行业是做什么的
6月5号是什么日子
trap是什么意思
天上火命是什么意思