指南生活
首页
美食营养
手工爱好
生活家居
返回
指南生活
首页
美食营养
游戏数码
手工爱好
生活家居
健康养生
运动户外
职场理财
情感交际
母婴教育
时尚美容
知识问答
生活知识
生活百科
搜索
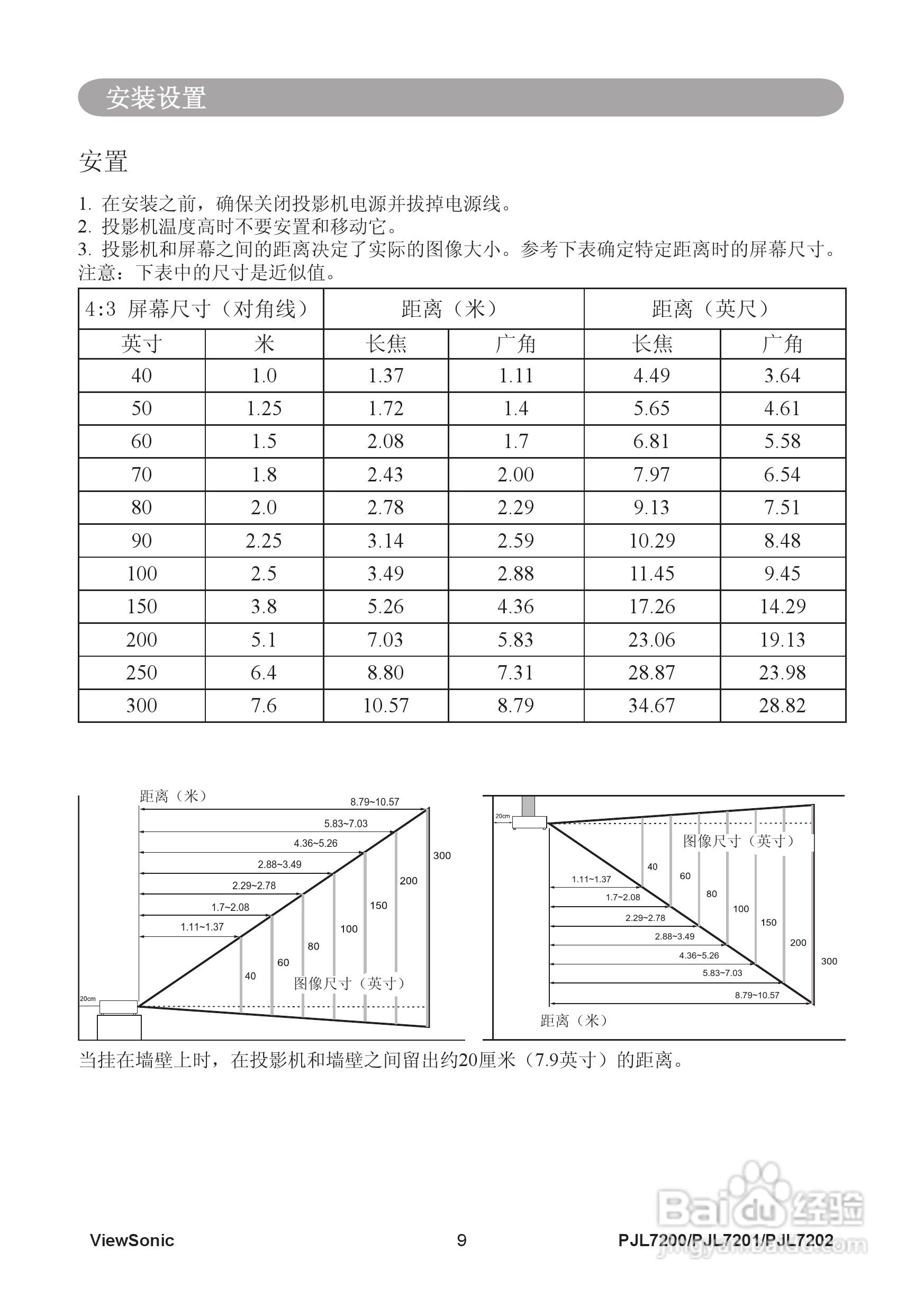
优派PJL7201投影机使用说明书:[2]
2026-04-08 01:36:13
本篇为《优派PJL7201投影机使用说明书》,主要介绍该产品的使用方法以及常见故障解决方案。
(共篇)
上一篇:
|
下一篇:
声明:
本网站引用、摘录或转载内容仅供网站访问者交流或参考,不代表本站立场,如存在版权或非法内容,请联系站长删除,联系邮箱:site.kefu@qq.com。
相关推荐
爱普生EB-C450XE投影机使用说明书:[5]
阅读量:127
明基W100投影机使用说明书:[1]
阅读量:68
夏普XR-J325XA投影机使用说明书:[4]
阅读量:31
爱普生EB-C260XS投影机使用说明书:[4]
阅读量:102
富可视IN3116投影机使用说明书:[2]
阅读量:70
猜你喜欢
微信聊天记录怎么查
停电了怎么查几点来电
邑怎么读
减数和被减数怎么区分
孕妇为什么不能吃山楂
扁豆的做法大全家常
香菇怎么做好吃
王者荣耀健康系统怎么解除
珏怎么读
qq亲密度怎么算的
猜你喜欢
苹果手机怎么用
猫为什么有九条命
袋鼠妈妈护肤品怎么样
为什么电脑
钒怎么读
海参怎么吃最有营养
微信步数怎么开
试纸怎么用
运气不好怎么转运
胃动力不足怎么调理