指南生活
首页
美食营养
手工爱好
生活家居
返回
指南生活
首页
美食营养
游戏数码
手工爱好
生活家居
健康养生
运动户外
职场理财
情感交际
母婴教育
时尚美容
知识问答
生活知识
搜索
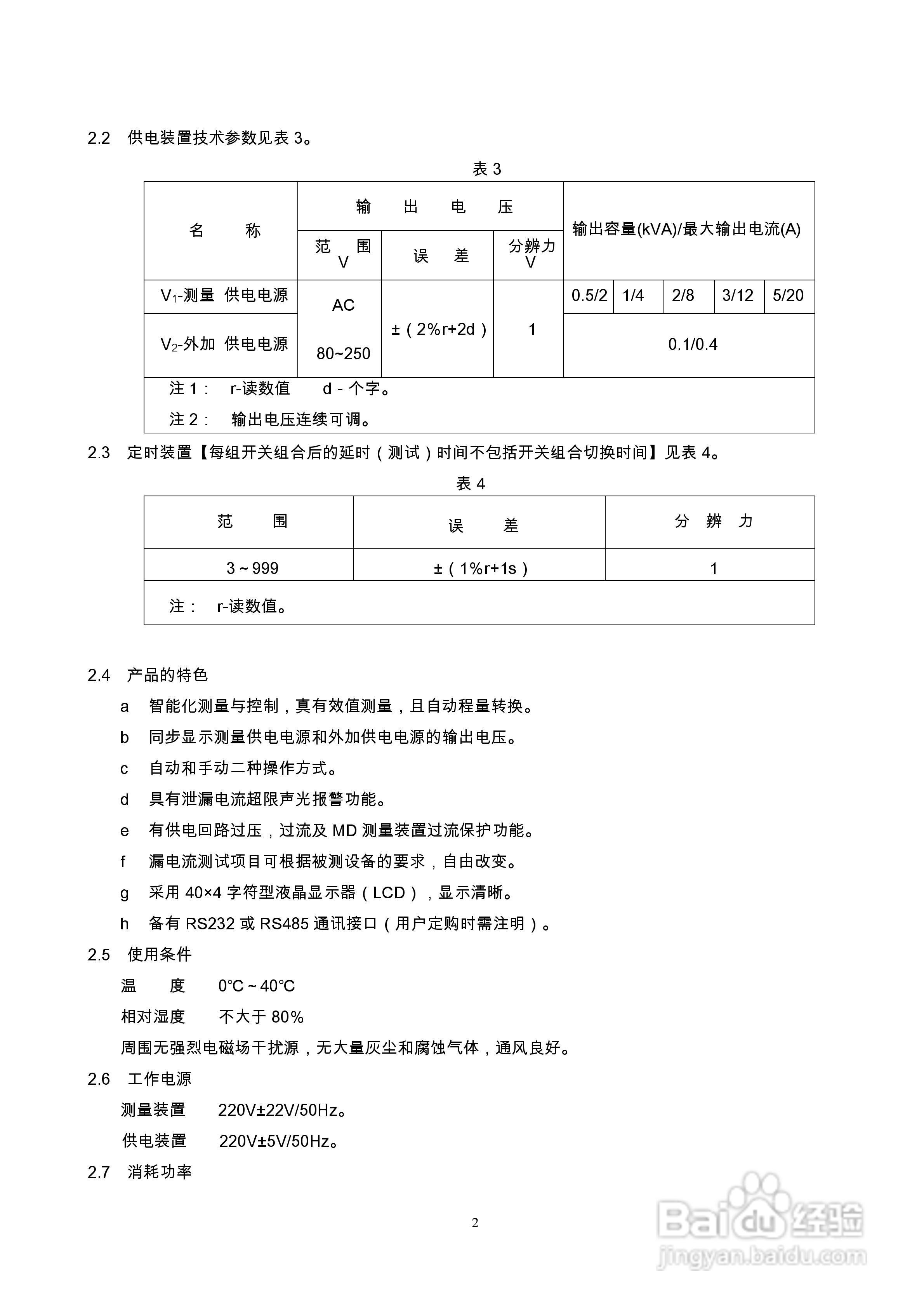
安标电子PA93数字泄漏电流测试仪说明书:[1]
2026-01-04 16:26:00
本篇为《安标电子PA93数字泄漏电流测试仪说明书》,主要介绍该产品的使用方法以及常见故障解决方案。
(共篇)
下一篇:
声明:
本网站引用、摘录或转载内容仅供网站访问者交流或参考,不代表本站立场,如存在版权或非法内容,请联系站长删除,联系邮箱:site.kefu@qq.com。
相关推荐
安标电子PA93数字泄漏电流测试仪说明书:[2]
阅读量:190
MA安标证的快速查询方法
阅读量:28
安标电子PA93数字泄漏电流测试仪说明书:[3]
阅读量:41
安标电子PS93型数字功率测试仪说明书:[3]
阅读量:30
固纬GPT-705A电子安规测试仪使用说明书:[1]
阅读量:174
猜你喜欢
我要旅游网
小孩子便秘怎么调理
华西村在哪里
怎样改路由器密码
手机如何恢复出厂设置
广发人工服务怎么打
小米路由器青春版
如何取名字
如何去掉痘印
如何ps抠图
猜你喜欢
红姑娘皮泡水的功效
白带有血丝是怎么回事啊
小米路由器客户端
华为麦芒4怎么样
湖北医药学院怎么样
藿香正气滴丸怎么吃
1分钟前刚刚哪里发生了地震
查干湖旅游攻略
连接无线路由器的步骤
结婚纪念日发朋友圈