指南生活
首页
美食营养
手工爱好
生活家居
返回
指南生活
首页
美食营养
游戏数码
手工爱好
生活家居
健康养生
运动户外
职场理财
情感交际
母婴教育
时尚美容
知识问答
生活知识
搜索
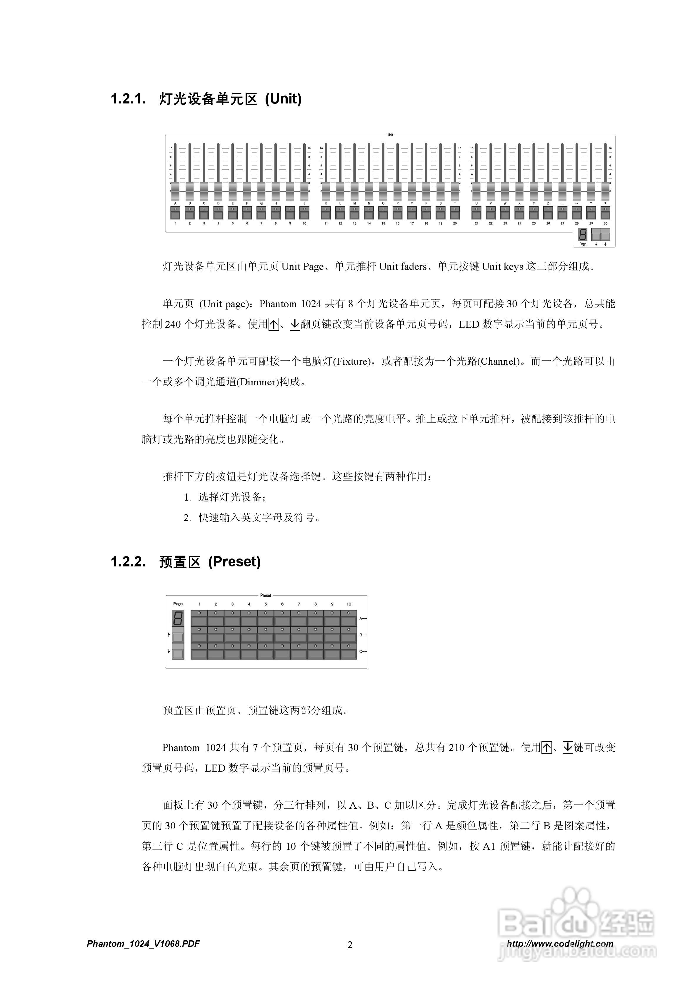
GODE Phantom1024灯光控制台使用说明书:[1]
2025-12-19 10:54:54
本篇为《GODE Phantom1024灯光控制台使用说明书》,主要介绍该产品的使用方法以及常见故障解决方案。
(共篇)
下一篇:
声明:
本网站引用、摘录或转载内容仅供网站访问者交流或参考,不代表本站立场,如存在版权或非法内容,请联系站长删除,联系邮箱:site.kefu@qq.com。
相关推荐
中空锚杆的使用方法
阅读量:84
怎么拍摄游乐园
阅读量:80
怎样使人像油润
阅读量:43
我的南京如何申请预售商品房首次转移登记
阅读量:112
数据库异地备份
阅读量:79
猜你喜欢
窝窝头怎么做
孕妇感冒喉咙痛怎么办
tiktok怎么读
小鸭洗衣机怎么样
微信怎么设置壁纸
用电饭锅怎么做蛋糕
qq邮箱的格式怎么写
土豆泥怎么做好吃
肩膀酸痛是怎么治疗
怎么煲鸡汤
猜你喜欢
哺乳期感冒怎么办
电脑密码怎么设置取消
志邦橱柜怎么样
电脑开机蓝屏怎么办
肚子痛怎么回事
盆腔积液是怎么回事
死神vs火影怎么变身
风湿性关节炎怎么治疗
老醋花生的汁怎么调
ps怎么打字