指南生活
首页
美食营养
手工爱好
生活家居
返回
指南生活
首页
美食营养
游戏数码
手工爱好
生活家居
健康养生
运动户外
职场理财
情感交际
母婴教育
时尚美容
知识问答
生活知识
生活百科
搜索
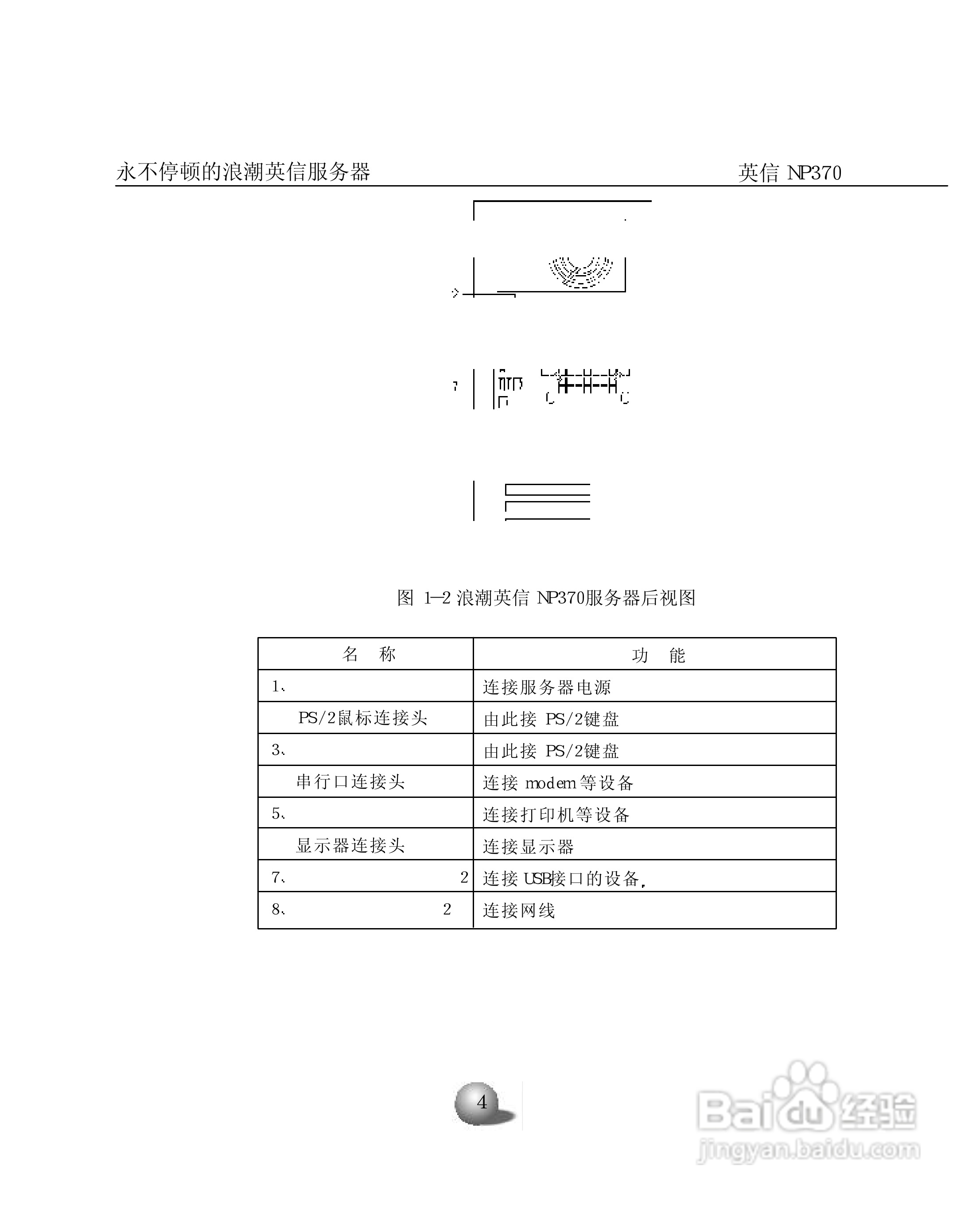
浪潮英信服务器NP370用户手册说明书:[1]
2026-04-26 14:22:05
本篇为《浪潮英信服务器NP370用户手册说明书》,主要介绍该产品的使用方法以及常见故障解决方案。
(共篇)
下一篇:
声明:
本网站引用、摘录或转载内容仅供网站访问者交流或参考,不代表本站立场,如存在版权或非法内容,请联系站长删除,联系邮箱:site.kefu@qq.com。
相关推荐
浪潮英信服务器NP370用户手册说明书:[3]
阅读量:87
浪潮英信服务器NP350用户手册说明书:[6]
阅读量:121
浪潮服务器系统安装
阅读量:117
浪潮服务器配置管理口
阅读量:113
浪潮服务器热备盘配置
阅读量:32
猜你喜欢
cheap什么意思
右眼皮跳是什么意思
11月9日是什么星座
坏账准备属于什么科目
意思是什么意思
ics是什么意思
血压高是什么原因导致的
ecr是什么意思
什么是生物多样性
服从调剂是什么意思
猜你喜欢
什么地方地震了
12306候补是什么意思
什么进曹营一言不发
有志者事竟成是什么意思
七一什么节
软装是什么
祈使句是什么
劳务公司是做什么的
什么的土地
疑惑的近义词是什么