指南生活
首页
美食营养
手工爱好
生活家居
返回
指南生活
首页
美食营养
游戏数码
手工爱好
生活家居
健康养生
运动户外
职场理财
情感交际
母婴教育
时尚美容
知识问答
生活知识
搜索
A5系列可编程控制器说明书V1.2:[2]
2026-01-13 17:47:48
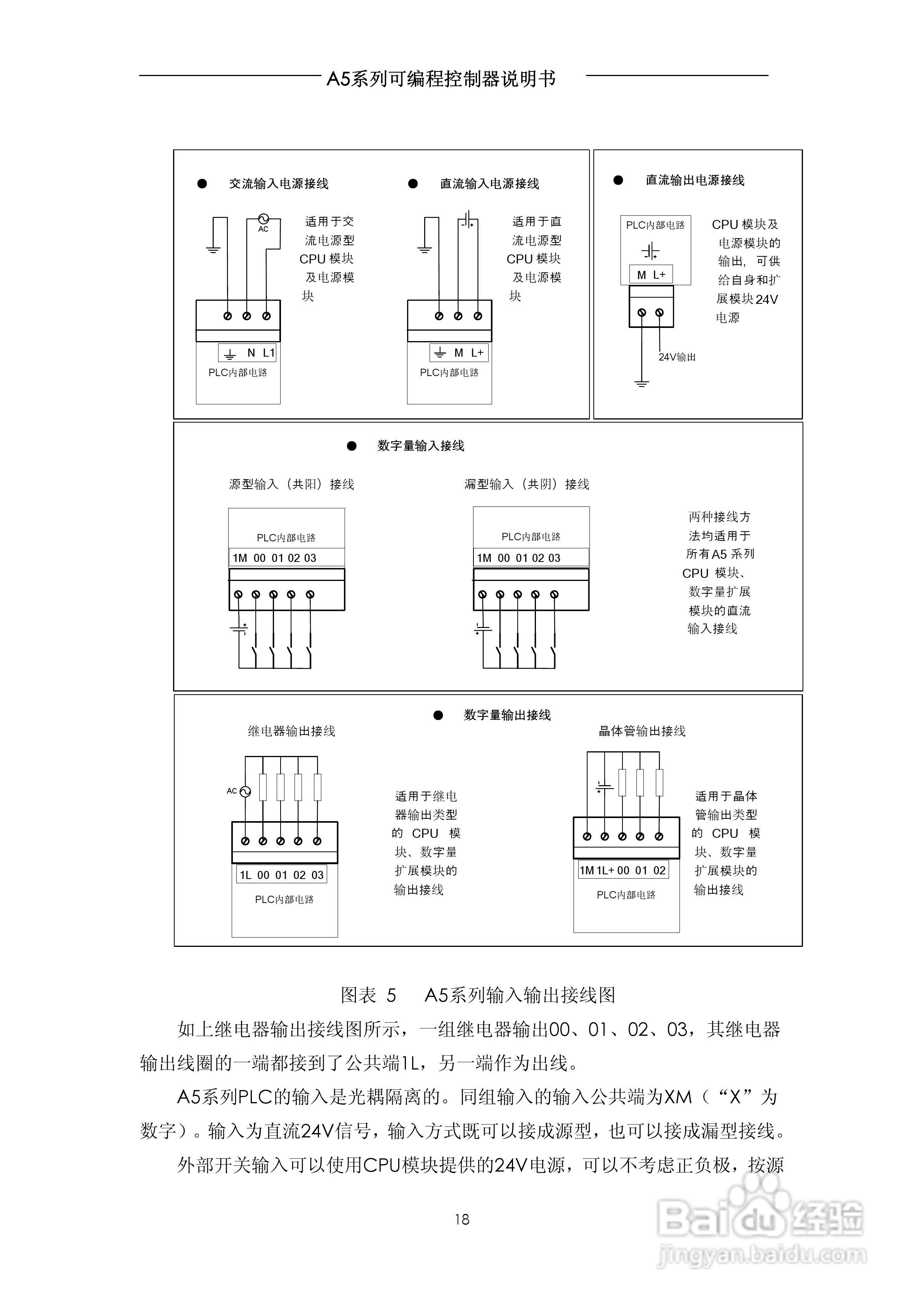
本篇为《A5系列可编程控制器说明书V1.2》,主要介绍该产品的使用方法以及常见故障解决方案。
(共篇)
上一篇:
|
下一篇:
声明:
本网站引用、摘录或转载内容仅供网站访问者交流或参考,不代表本站立场,如存在版权或非法内容,请联系站长删除,联系邮箱:site.kefu@qq.com。
相关推荐
A5系列可编程控制器说明书V1.2:[16]
阅读量:167
A5系列可编程控制器说明书V1.2:[13]
阅读量:42
A5系列可编程控制器说明书V1.2:[19]
阅读量:29
A5系列可编程控制器说明书V1.2:[11]
阅读量:88
A5系列可编程控制器说明书V1.2:[12]
阅读量:172
猜你喜欢
糟糠之妻是什么意思
耶和华祝福满满
price是什么意思
怀孕5个月应注意什么
拉杆箱什么品牌好
股票xd开头是什么意思
诗情画意的意思是什么
什么是swot模型
人心不古是什么意思
什么是车架号码
猜你喜欢
入职背景调查都查什么
paul是什么意思
列车停运什么意思
province是什么意思
结婚祝福语4个字
微端是什么意思
激活白条有什么后果
涓涓的意思
节日祝福
溪流竿什么牌子好