指南生活
首页
美食营养
手工爱好
生活家居
返回
指南生活
首页
美食营养
游戏数码
手工爱好
生活家居
健康养生
运动户外
职场理财
情感交际
母婴教育
时尚美容
知识问答
生活知识
生活百科
搜索
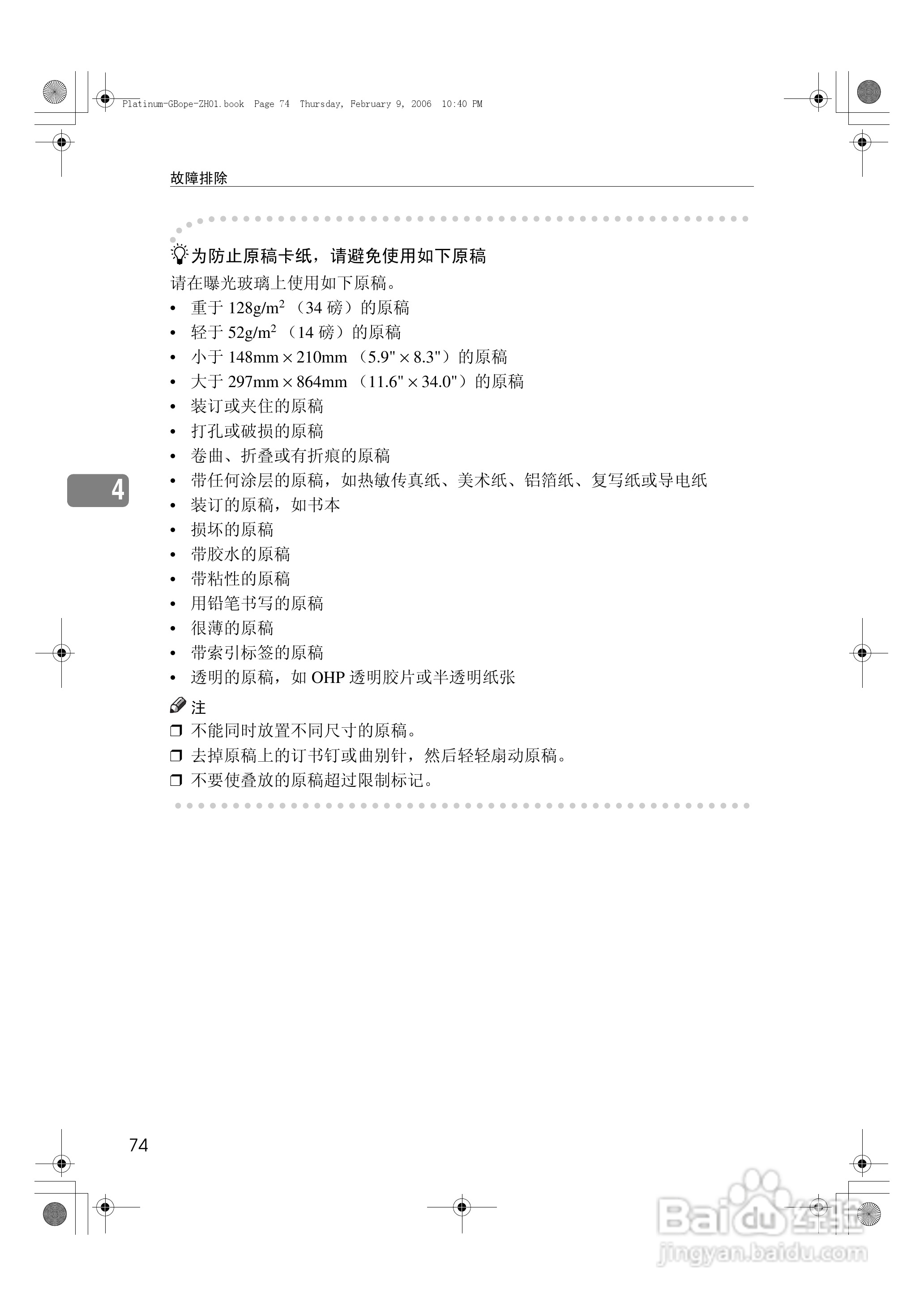
基士得耶CP6301C一体机使用说明书:[8]
2026-03-27 13:51:49
本篇为《基士得耶CP6301C一体机使用说明书》,主要介绍该产品的使用方法以及常见故障解决方案。
(共篇)
上一篇:
|
下一篇:
声明:
本网站引用、摘录或转载内容仅供网站访问者交流或参考,不代表本站立场,如存在版权或非法内容,请联系站长删除,联系邮箱:site.kefu@qq.com。
相关推荐
基士得耶CP6301C一体机使用说明书:[9]
阅读量:51
基士得耶CP6301C一体机使用说明书:[11]
阅读量:89
使用说明书封面怎么做
阅读量:102
使用说明书wf2651使用指南
阅读量:172
基士得耶CP6301C一体机使用说明书:[13]
阅读量:31
猜你喜欢
辐射1攻略
做什么运动减肥最快
怎么扫描二维码
长春旅游攻略必去景点
魔塔攻略
etc怎么激活安装图解
密室逃脱绝境系列8酒店惊魂攻略
减肥瘦身食谱
减肥好方法
浴巾怎么裹
猜你喜欢
广发信用卡积分怎么算
摩托车离合器怎么调
南京航空航天大学金城学院怎么样
黄果树瀑布旅游攻略
张家界旅游攻略自由行三天
红烧鲈鱼的家常做法
怎么样快速减肥
微信怎么所有人
减肥餐
三亚美食攻略