指南生活
首页
美食营养
手工爱好
生活家居
返回
指南生活
首页
美食营养
游戏数码
手工爱好
生活家居
健康养生
运动户外
职场理财
情感交际
母婴教育
时尚美容
搜索
尼康DTM-501、521、531、551 系列全站仪使用手册:[2]
2025-10-27 10:10:19
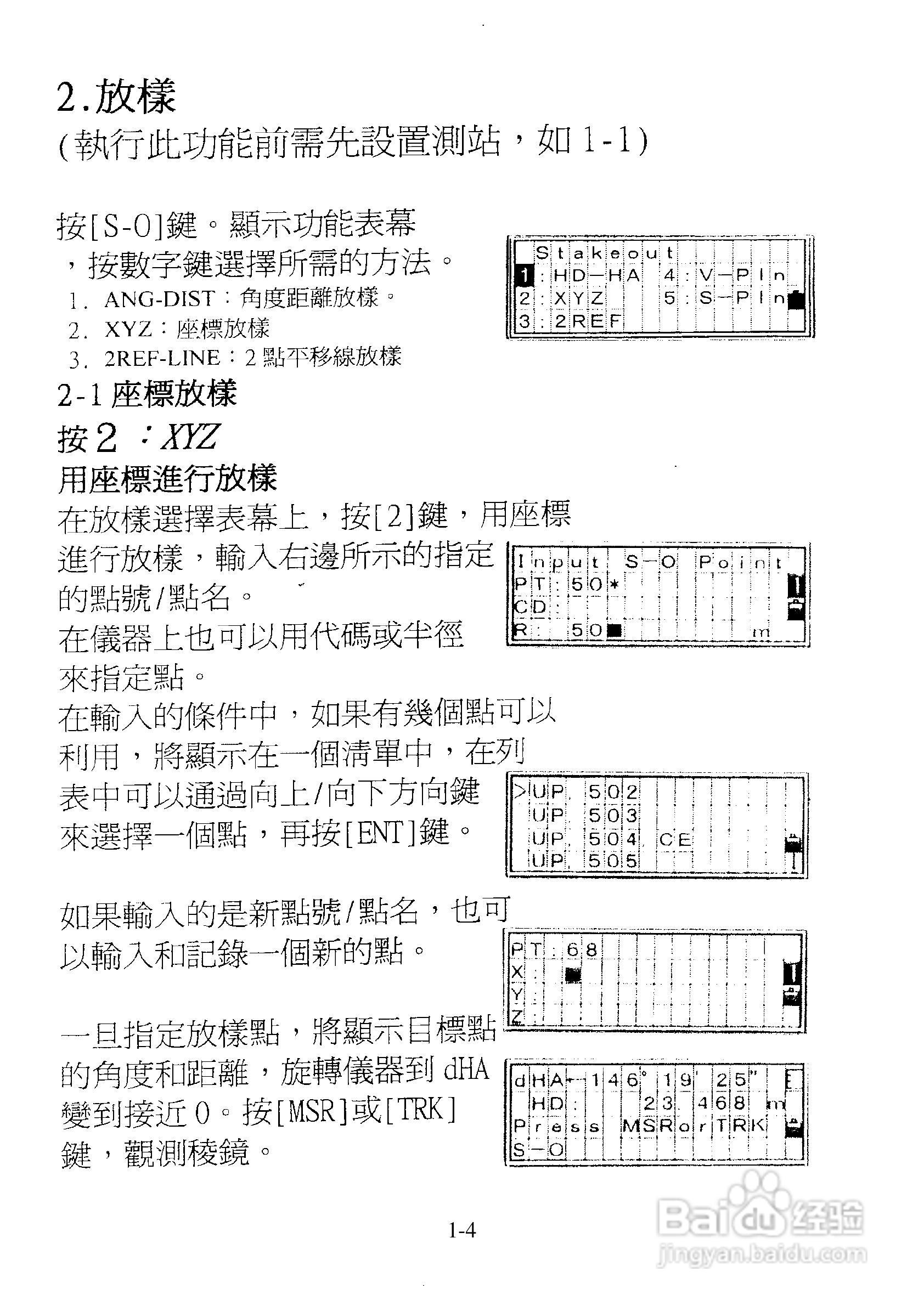
本篇为《尼康DTM-501、521、531、551 系列全站仪使用手册》,主要介绍该产品的使用方法以及常见故障解决方案。
(共篇)
上一篇:
|
下一篇:
声明:
本网站引用、摘录或转载内容仅供网站访问者交流或参考,不代表本站立场,如存在版权或非法内容,请联系站长删除,联系邮箱:site.kefu@qq.com。
相关推荐
尼康DTM-501、521、531、551 系列全站仪使用手册:[12]
阅读量:56
尼康DTM-501、521、531、551 系列全站仪使用手册:[9]
阅读量:128
全站仪的操作技巧
阅读量:179
全站仪使用方法
阅读量:46
全站仪obs 码率如何设置
阅读量:99
猜你喜欢
zone是什么意思
僵尸企业是什么意思
unique是什么意思
什么英文字母最多人喜欢听呢
xr是什么意思
制作幻灯片用什么软件
祝福你祖国
苦心孤诣是什么意思
绿草如茵的意思
什么是人民币升值
猜你喜欢
公司员工生日祝福语
给爸妈买什么礼物好
燕雀安知鸿鹄之志哉的意思
卸磨杀驴的意思
沙发床什么品牌好
main是什么意思
考研要带什么
梦到着火是什么意思
家庭主妇能做什么
奶瓶什么材质的最好