指南生活
首页
美食营养
手工爱好
生活家居
返回
指南生活
首页
美食营养
游戏数码
手工爱好
生活家居
健康养生
运动户外
职场理财
情感交际
母婴教育
时尚美容
知识问答
生活知识
生活百科
搜索
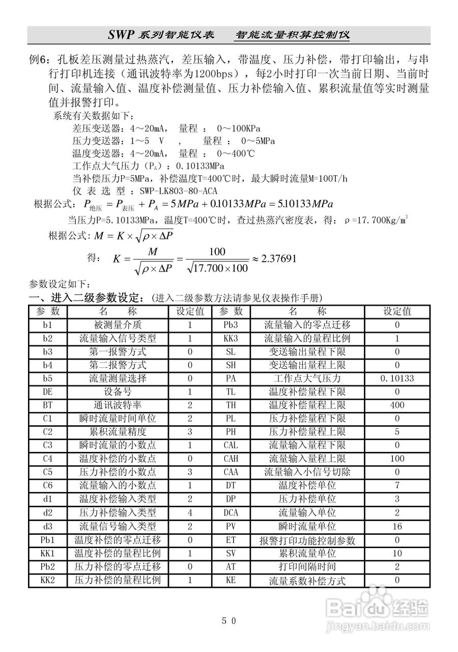
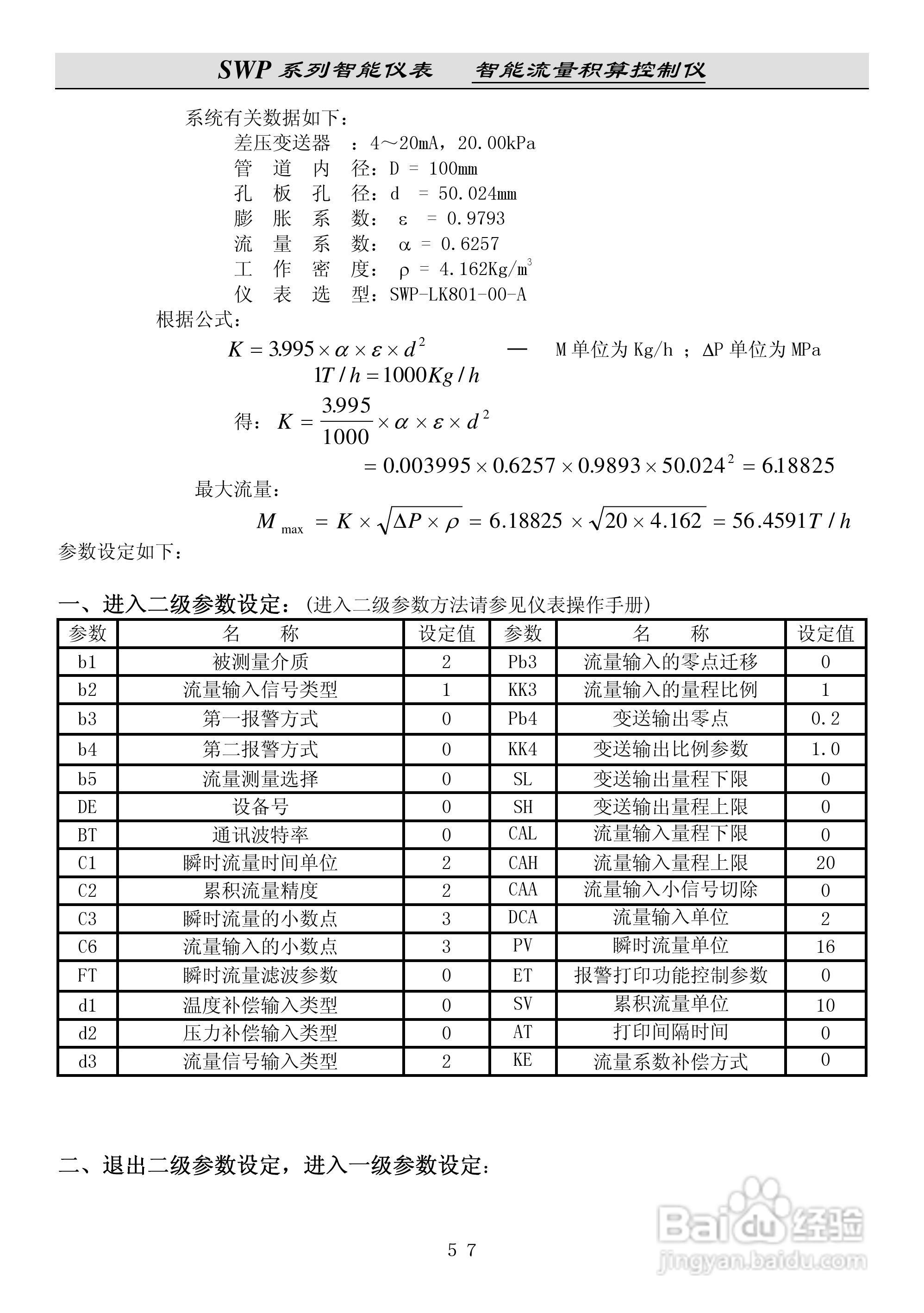
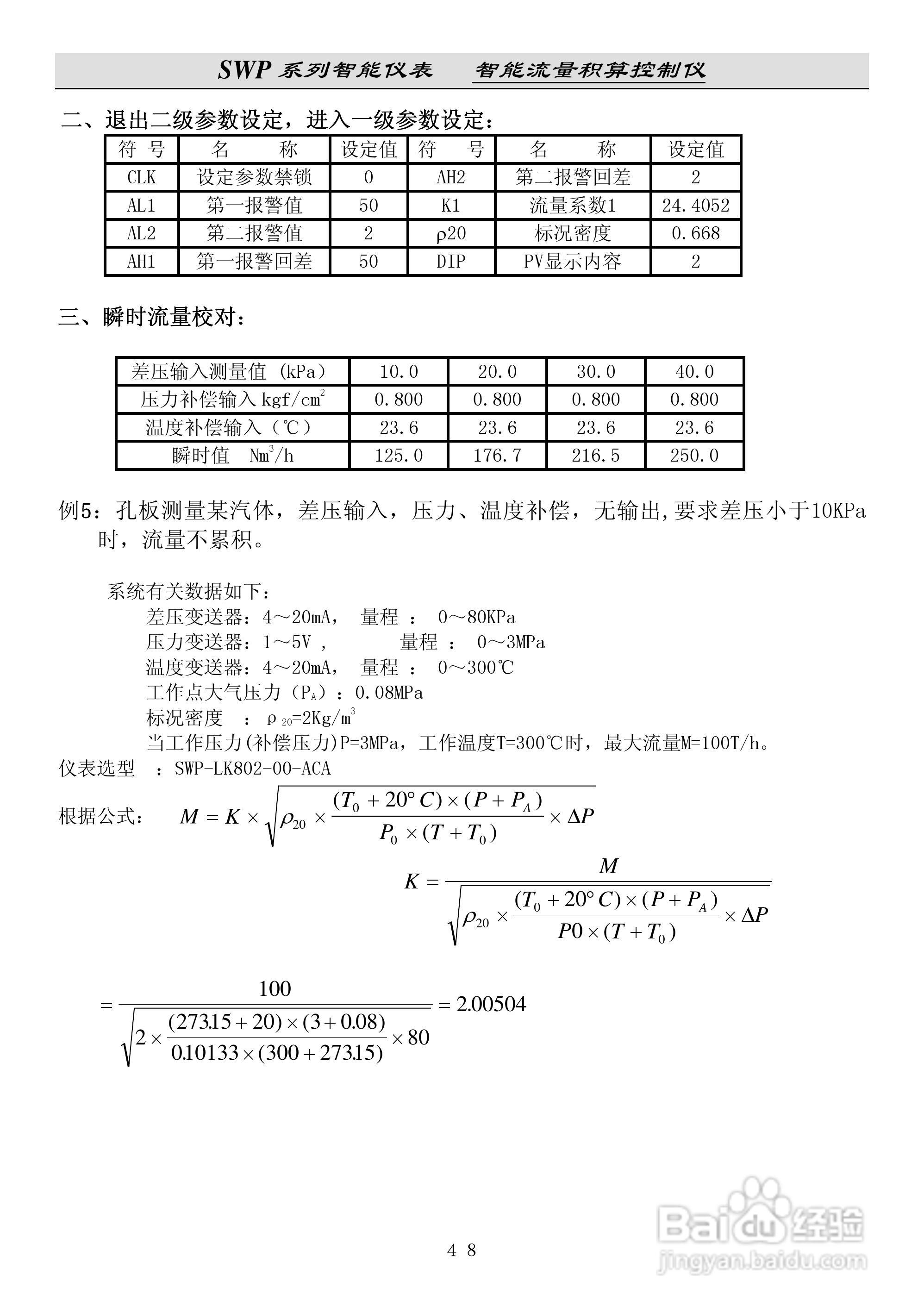
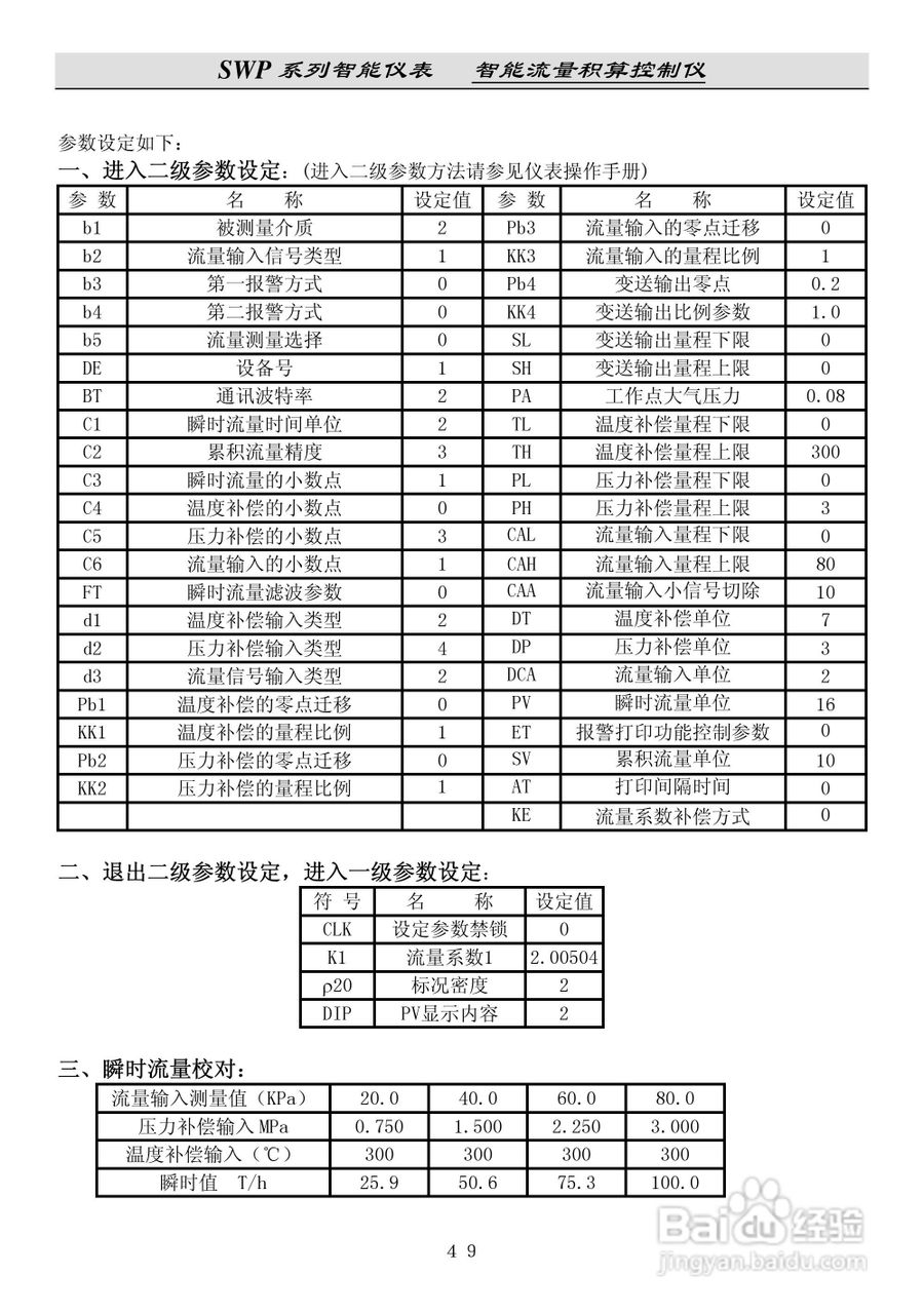
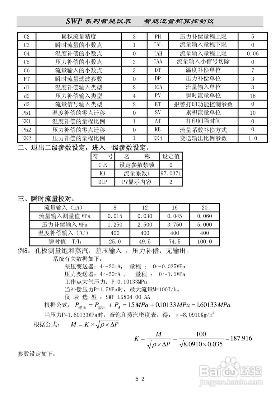
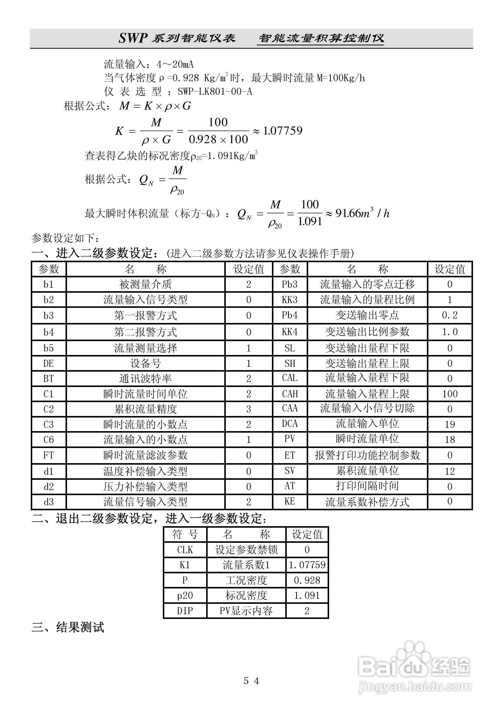
昌晖SWP-LK流量积算控制仪说明书:[6]
2026-04-25 19:25:49
本篇为《昌晖SWP-LK流量积算控制仪说明书》,主要介绍该产品的使用方法以及常见故障解决方案。
(共篇)
上一篇:
|
下一篇:
声明:
本网站引用、摘录或转载内容仅供网站访问者交流或参考,不代表本站立场,如存在版权或非法内容,请联系站长删除,联系邮箱:site.kefu@qq.com。
相关推荐
昌晖SWP-LE流量积算仪说明书:[6]
阅读量:67
昌晖CF-LK智能流量积算控制仪说明书:[6]
阅读量:20
昌晖SWP-LE流量积算仪说明书:[4]
阅读量:132
昌晖CF-LK智能流量积算控制仪说明书:[2]
阅读量:114
昌晖CF-LK智能流量积算控制仪说明书:[4]
阅读量:167
猜你喜欢
什么头什么尾
柳暗花明是什么意思
乖戾是什么意思
基金净值是什么意思
ppt用什么软件制作
sex是什么意思
行政工作主要负责什么
小腹痛是什么原因
剥夺政治权利是什么意思
pants是什么意思
猜你喜欢
冠带是什么意思
包容是什么意思
喉咙有异物感是什么原因
嘴唇发黑发紫是什么原因
5月19日是什么星座
once什么意思
led是什么意思
一个革一个斤念什么
拉肚子是什么原因
dnf是什么