指南生活
首页
美食营养
手工爱好
生活家居
返回
指南生活
首页
美食营养
游戏数码
手工爱好
生活家居
健康养生
运动户外
职场理财
情感交际
母婴教育
时尚美容
知识问答
生活知识
生活百科
搜索
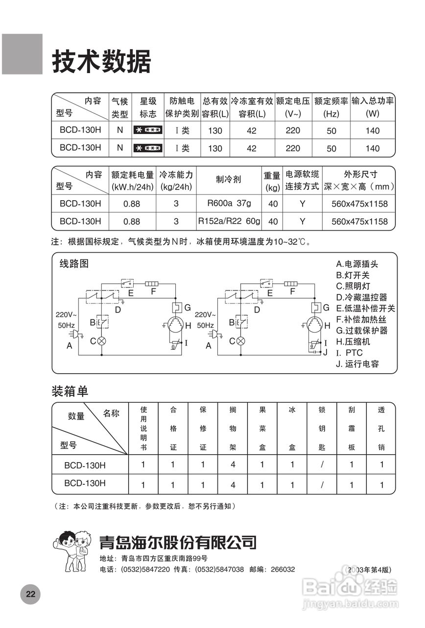
海尔BCD-130H TB冰箱说明书:[3]
2026-04-22 13:41:54
(共篇)
上一篇:
声明:
本网站引用、摘录或转载内容仅供网站访问者交流或参考,不代表本站立场,如存在版权或非法内容,请联系站长删除,联系邮箱:site.kefu@qq.com。
相关推荐
海尔BCD-130H TB冰箱说明书:[1]
阅读量:67
红烧梭子鱼的做法
阅读量:168
西红柿鸡蛋汤的做法十分简单,进来我教你做吧!
阅读量:83
家常菜(藤椒鸡(川味))的做法
阅读量:184
中风之后的康复疗法有哪些?
阅读量:151
猜你喜欢
猪大肠怎么做好吃
bird怎么读
锅贴的做法大全
桂花糕的做法家常做法
月球背面为什么去不了
华为怎么截屏
对联怎么贴
大米生虫怎么办
河虾怎么做好吃
菠萝蜜怎么剥
猜你喜欢
睢怎么读
奶茶怎么做
阜怎么读
怎么画画
word怎么自动生成目录
柠檬蜂蜜怎么制作
学做家常菜做法大全
剪映怎么去水印
地瓜粉的做法
璞怎么读