指南生活
首页
美食营养
手工爱好
生活家居
返回
指南生活
首页
美食营养
游戏数码
手工爱好
生活家居
健康养生
运动户外
职场理财
情感交际
母婴教育
时尚美容
知识问答
生活知识
搜索
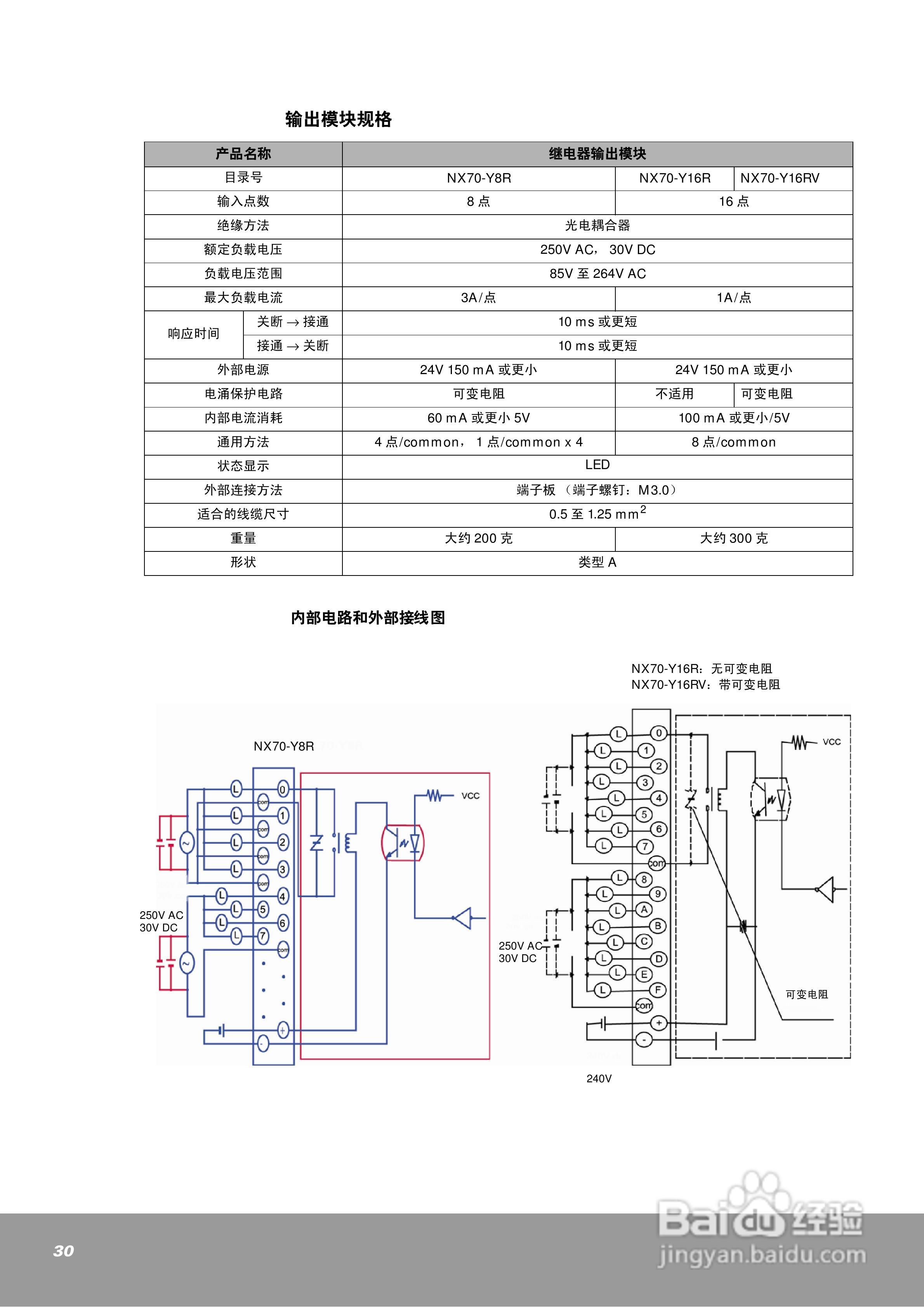
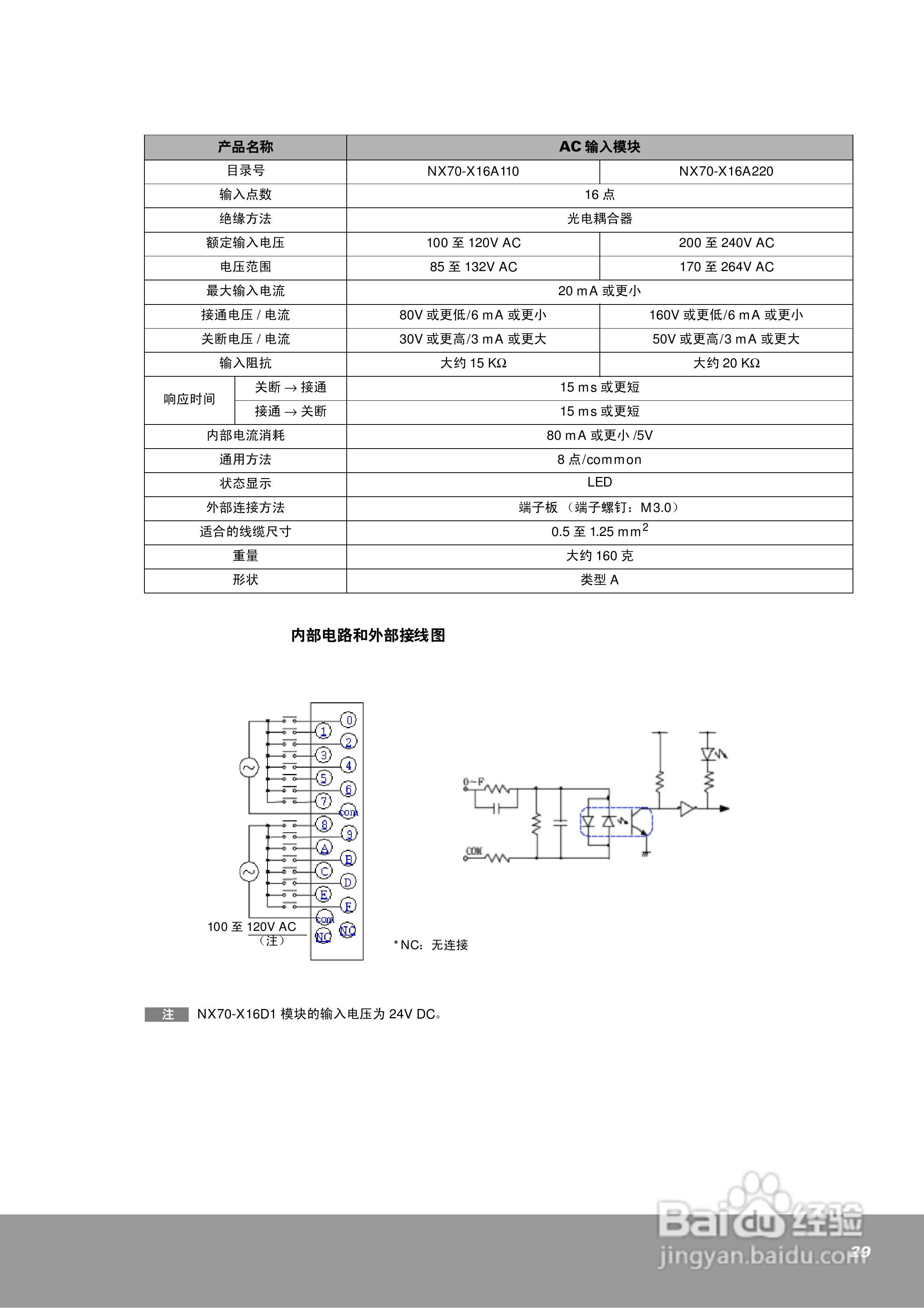
OEMa xNX70系列控制器用户手册:[3]
2026-01-01 03:54:23
本篇为《OEMa xNX70系列控制器用户手册》,主要介绍该产品的使用方法以及常见故障解决方案。
(共篇)
上一篇:
|
下一篇:
声明:
本网站引用、摘录或转载内容仅供网站访问者交流或参考,不代表本站立场,如存在版权或非法内容,请联系站长删除,联系邮箱:site.kefu@qq.com。
相关推荐
OEMa xNX70系列控制器用户手册:[8]
阅读量:85
OEMa xNX70系列控制器用户手册:[10]
阅读量:106
控制器暂停功能的实现步骤
阅读量:69
OEMa xNX70系列控制器用户手册:[11]
阅读量:138
OEMa xNX70系列控制器用户手册:[12]
阅读量:145
猜你喜欢
滁州学院怎么样
吃什么可以提高免疫力
经期可以吃药吗
凉拌黄花菜的做法
琼海旅游
小狗咳嗽怎么办
大理旅游攻略
精子成活率低怎么治疗
广西南宁旅游景点大全
重庆旅游地图
猜你喜欢
厦门工商旅游学校
旅游业的发展前景
牡丹江旅游
象山旅游
吃什么水果可以减肥
淘宝怎么开企业店铺
可以试看很多的体验区10分钟
重庆周边旅游景点
浙江越秀外国语学院怎么样
会计分录怎么做