å±é¨æ¾çµæ£æµä»ªæä½è¯´æ
1ã示波å±Â                  2ãæéè¡¨å¤´ï¼æ¾ç¤ºæ¾çµé读æ°
3ã线æ§ã对æ°è½¬æ¢å¼å ³
4ã½æ°åè¡¨å¤´ï¼æ¾ç¤ºæ¾çµéè¯»æ°æè¯éªçµå读æ°
5ãpCãkV转æ¢å¼å ³Â         6ãæ¾å¤§å¨å¢çç²è°
7ã大å¨å¢çç»è°Â            8ãé¢å¸¦é«ç«¯éæ©
9ãé¢å¸¦ä½ç«¯éæ©Â            10ãçªä½ç½®è°è
11ãçªå®½åº¦è°è              12ãå³çªéæ
13ãå·¦çªéæÂ                14ãæ¶åºé¢çéæ©
15ãé«é¢æ¶åºçµåè°è        16ãæ¤åæè½¬
17ãæ¤åç´çº¿è½¬æ¢Â            18ãå·¥é¢ï¼50Hzï¼ãé«é¢æ¶åºéæ©
19ãå ãå¤é¶æ éæÂ          20ãè¾ å©èç¦
21ãèç¦Â                    22ã亮度
23ãçµæºå¼å ³Â                24ãä¸»çµæºæåº§
25ãä¸»çµæºä¿é©ä¸Â            26ãçµæºä¿é©ä¸
27ãçµæºä¿é©ä¸Â              28ãé«é¢æ¶åºçµåè¾å ¥æåº§
29ãçµæºä¿é©ä¸Â           30ãæ¥å°èºæ
31ãè¯éªçµåè°èçµä½å¨Â    32ãè¯éªçµåè¾å ¥æåº§ï¼éè¿ååå¨ï¼
33ãæ¾å¤§å¨è¾å ¥æåº§


1ã弿ºåå¤ï¼å°æ¶åºæ¾ç¤ºæ¹å¼å¼å ³18ç½®äºâæ¤åâã
2ãæ¾çµéæ ¡æ£ï¼æå¾æ¥å¥½çº¿åï¼å¨æªå è¯éªçµååç¨RTJF99â1æ ¡æ£èå²åçå¨äºä»¥æ ¡æ£ã
ç¶åï¼è°èæ¾å¤§å¨å¢çè°è6ã7ï¼ä½¿è¯¥æ³¨å ¥èå²é«åº¦éå½ï¼ç¤ºæ³¢å±ä¸é«åº¦2 cm以ä¸ï¼ï¼ä½¿æ°åçµå表4ï¼æé表2读æ°å¼ä¸æ³¨å ¥å·²ç¥çµéç¸ç¬¦ï¼ä¾å¦æ³¨å ¥100pCæ¶ï¼æ°å表åºè°å°æ¾ç¤º100.0pCï¼ãè°å®åï¼æ¾å¤§å¨ç»è°ææ7çä½ç½®ä¸è½åæ¹åï¼éä¿æä¸æ ¡æ£æ¶ç¸åã
3ãæµè¯æä½
æ¥éé«åè¯éªåè·¯çµæºï¼é¶æ å¼å ³è³âéâä½ç½®ï¼ç¼ç¼åé«è¯éªçµåï¼æ¤åä¸åºç°ä¸¤ä¸ªé¶æ èå²ã
æµè¯ä¸å¸¸ä¼åç°æåç§å¹²æ°ï¼å¯¹äºåºå®ç¸ä½çå¹²æ°ï¼å¯ç¨æ¶é´çªè£ ç½®æ¥é¿å¼ãåä¸å¼å ³â10â â11âï¼ç¨ä¸ä¸ªæä¸¤ä¸ªæ¶é´çªå¹¶ç¨çµä½å¨â12â â13âæ¥æ¹åæ¤åä¸å 亮åºåçä½ç½®ä¸å®½åº¦ï¼ä½¿å ¶é¿å¼å¹²æ°èå²ä¹å¤ï¼ç¨æ¶é´çªè£ ç½®å¯ä»¥å嫿µé产çäºä¸¤ä¸ªåæ³¢å çæ¾çµéã
4ãé¢çé«äº50Hzçå±é¨æ¾çµè¯éªï¼
å½é¡»è¿è¡é«äº50Hzçå±é¨æ¾çµè¯éªæ¶ï¼å¯å°é¢çéæ©å¼å ³18æ¥äºç¸åºé¢çæ¡£ä¸ï¼ä»é«é¢è¯éªçµæºä¸å13Vâ½275Vçµåéå ¥æåº§28ä¸ï¼å°æ¤å大å°è°èæé®15转å¨å°ç¸åºççµåä½ç½®ã
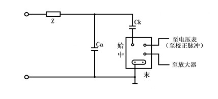
1ãå¹¶èæ³

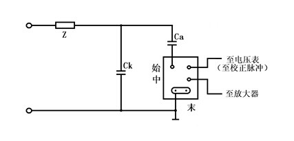
2ãä¸²èæ³

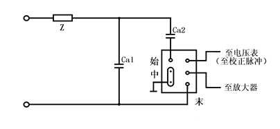
3ã平衡æ³
