指南生活
首页
美食营养
手工爱好
生活家居
返回
指南生活
首页
美食营养
游戏数码
手工爱好
生活家居
健康养生
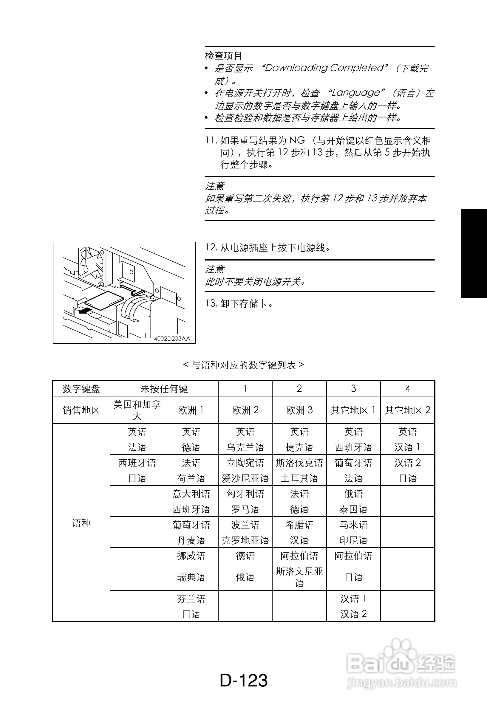
运动户外
职场理财
情感交际
母婴教育
时尚美容
知识问答
搜索
MINOLTA DI470/DI552打印机维修手册:[14]
2025-11-23 01:51:35
本篇为《MINOLTA DI470/DI552打印机维修手册》,主要介绍该产品的使用方法以及常见故障解决方案。
(共篇)
上一篇:
|
下一篇:
声明:
本网站引用、摘录或转载内容仅供网站访问者交流或参考,不代表本站立场,如存在版权或非法内容,请联系站长删除,联系邮箱:site.kefu@qq.com。
相关推荐
MINOLTA DI470/DI552打印机维修手册:[13]
阅读量:91
MINOLTA DI470/DI552打印机维修手册:[10]
阅读量:70
打印机状态错误怎么办
阅读量:181
打印机驱动程序如何安装
阅读量:91
打印机脱机怎么办?
阅读量:56
猜你喜欢
移舟泊烟渚日暮客愁新的意思
traffic是什么意思
方兴未艾是什么意思
什么鸟在什么地方过冬
classic是什么意思
cmd是什么意思
bark是什么意思
chanel是什么意思
recycle是什么意思
三眼一板的意思
猜你喜欢
房租费计入什么科目
媲美是什么意思
轻工辅料都包括什么
核桃什么时间吃最好
standard是什么意思
actress是什么意思
举一反三是什么意思
祝福语言
view是什么意思
各司其职的意思