指南生活
首页
美食营养
手工爱好
生活家居
返回
指南生活
首页
美食营养
游戏数码
手工爱好
生活家居
健康养生
运动户外
职场理财
情感交际
母婴教育
时尚美容
知识问答
生活知识
搜索
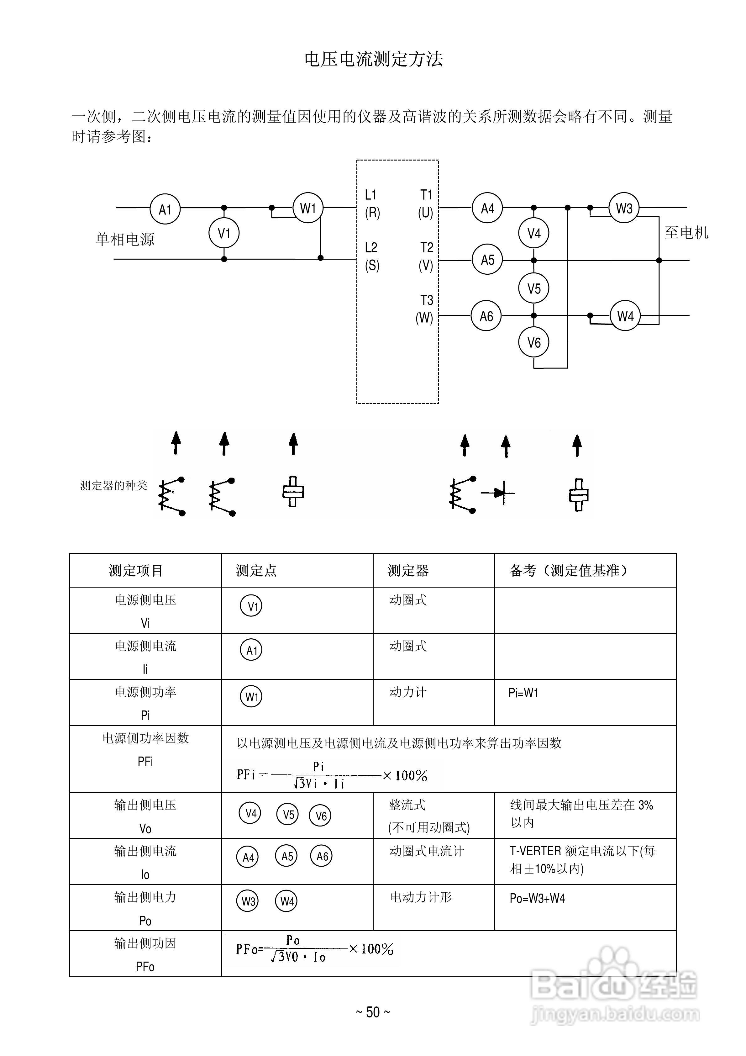
台达T-VERTER变频器使用说明书:[6]
2026-01-13 13:55:38
本篇为《台达T-VERTER变频器使用说明书》,主要介绍该产品的使用方法以及常见故障解决方案。
(共篇)
上一篇:
声明:
本网站引用、摘录或转载内容仅供网站访问者交流或参考,不代表本站立场,如存在版权或非法内容,请联系站长删除,联系邮箱:site.kefu@qq.com。
相关推荐
林业概念股有哪些?
阅读量:175
360浏览器怎么地址栏搜索后显示搜索词
阅读量:93
蛋炒饭的做法(早餐菜谱)
阅读量:54
默契趣红包,检验默契轻松判断真假朋友
阅读量:149
肩周炎的治疗方法
阅读量:140
猜你喜欢
云南有什么特产
手臂发麻是什么原因
什么食物含维生素d
难过的反义词是什么
dinner什么意思
甘蔗男是什么意思
委托人是什么意思
有什么好看的漫画
什么是原位癌
b站是什么意思
猜你喜欢
公历是什么意思
plank是什么意思
gift什么意思
opp是什么意思
sharon什么意思
手脚出汗是什么原因
家里养什么鱼好
什么的我
你莫走我不走是什么歌
negative是什么意思