指南生活
首页
美食营养
手工爱好
生活家居
返回
指南生活
首页
美食营养
游戏数码
手工爱好
生活家居
健康养生
运动户外
职场理财
情感交际
母婴教育
时尚美容
知识问答
生活知识
生活百科
搜索
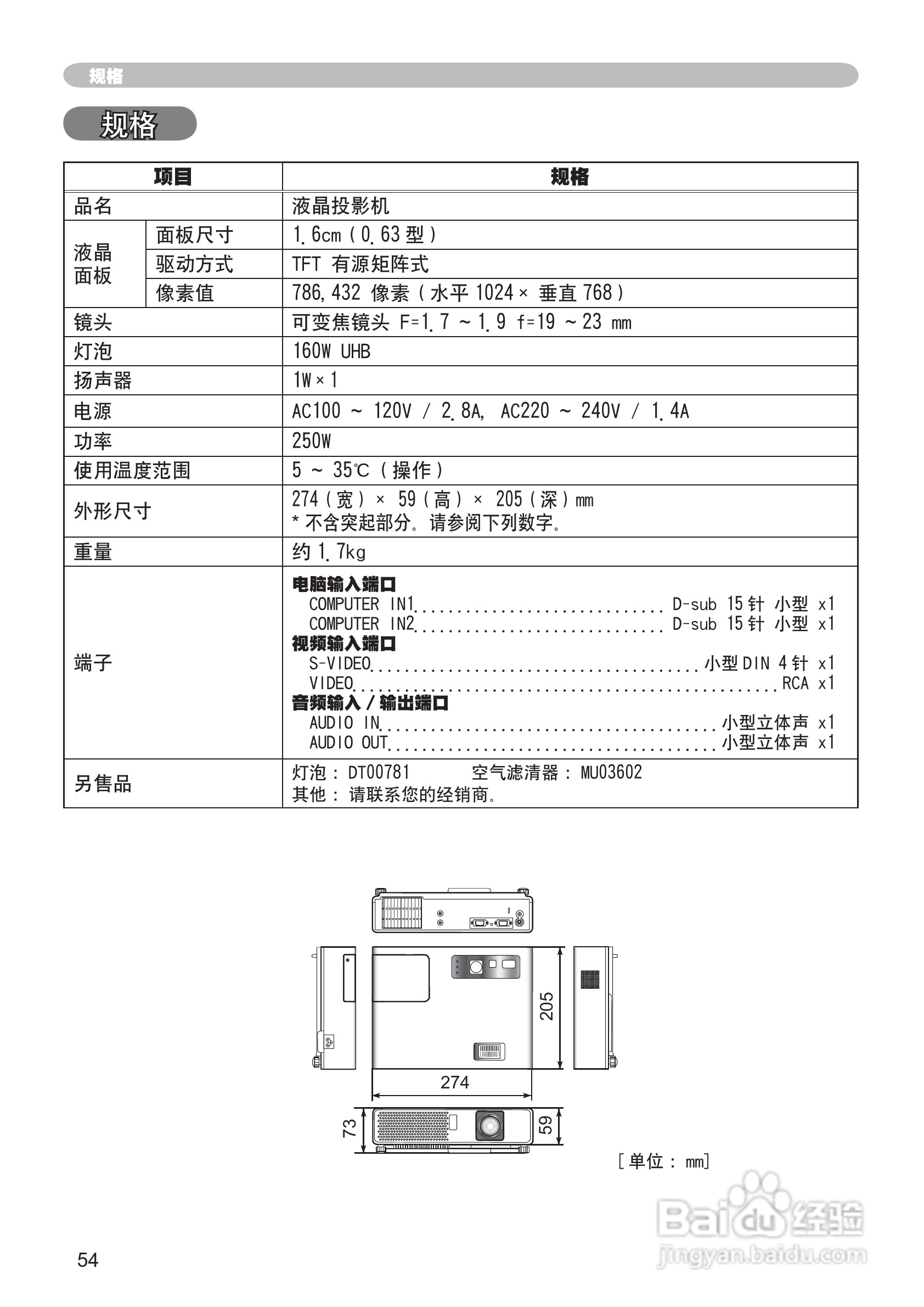
日立CP-RX70投影机使用说明书:[7]
2026-04-22 10:46:59
本篇为《日立CP-RX70投影机使用说明书》,主要介绍该产品的使用方法以及常见故障解决方案。
(共篇)
上一篇:
声明:
本网站引用、摘录或转载内容仅供网站访问者交流或参考,不代表本站立场,如存在版权或非法内容,请联系站长删除,联系邮箱:site.kefu@qq.com。
相关推荐
凤凰新闻如何绑定微信
阅读量:156
新闻热点:[3]双十一(1111)指南
阅读量:148
苹果小圆点怎么设置
阅读量:161
上海iphone手机开不了机该如何解决
阅读量:112
昏睡的傍晚,激情的晚饭——薄荷香黑椒牛柳
阅读量:36
猜你喜欢
流鼻血是什么病的前兆
cf是什么
接二连三是什么意思
吃枸杞有什么好处
欧派是什么意思
au是什么金属
两会什么时候开
pe是什么意思的缩写
什么是局域网
什么叫事业单位
猜你喜欢
菜鸟是什么意思
水杯什么材质好
雄激素是什么
聒噪是什么意思
ceo是什么
滔滔不绝是什么意思
春分是什么意思
打封闭是什么意思
mat是什么意思
report是什么意思