指南生活
首页
美食营养
手工爱好
生活家居
返回
指南生活
首页
美食营养
游戏数码
手工爱好
生活家居
健康养生
运动户外
职场理财
情感交际
母婴教育
时尚美容
知识问答
生活知识
生活百科
搜索
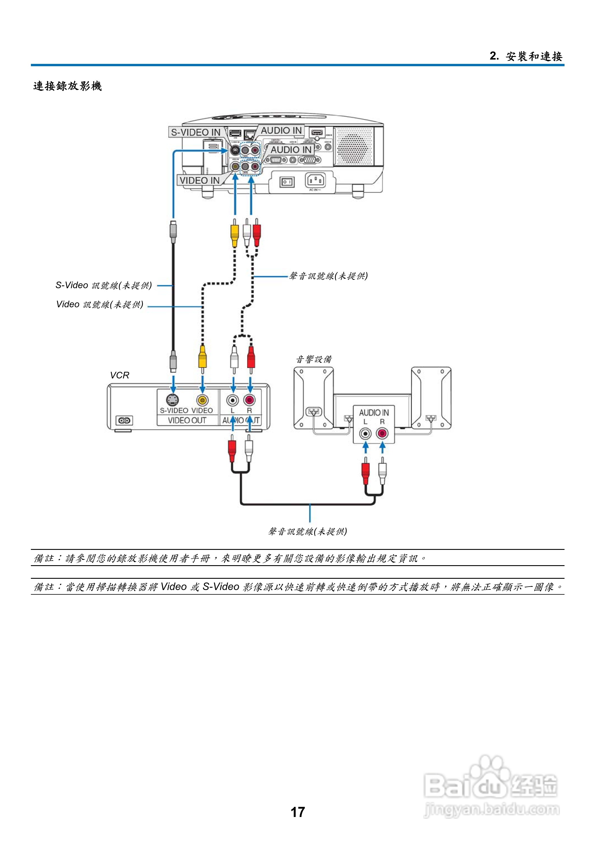
NEC NP901W型投影机用户手册:[4]
2026-04-05 03:19:12
本篇为《NEC NP901W型投影机用户手册》,主要介绍该产品的使用方法以及常见故障解决方案。
(共篇)
上一篇:
|
下一篇:
声明:
本网站引用、摘录或转载内容仅供网站访问者交流或参考,不代表本站立场,如存在版权或非法内容,请联系站长删除,联系邮箱:site.kefu@qq.com。
相关推荐
NEC NP901W型投影机用户手册:[9]
阅读量:180
NEC NP901W型投影机用户手册:[12]
阅读量:191
投影机怎样连接使用
阅读量:77
投影机的安装与调试
阅读量:175
投影机ip设置
阅读量:67
猜你喜欢
横线怎么打
口水多是怎么回事
锦鲤鱼怎么养长得快
怎么样变白
总是失眠怎么办
电脑fps低怎么办
鲁智深怎么死的
离职原因怎么说合适
我的世界船怎么合成
温庭筠怎么读
猜你喜欢
华为充电提示音怎么设置
午餐肉怎么吃
怎么查路由器密码
levante怎么读
怎么瘦肚子和腰上赘肉
zippo怎么加油
说话结巴怎么办
发出的邮件怎么撤回
小米手机截图怎么截
蛋糕怎么做的松软蓬松