指南生活
首页
美食营养
手工爱好
生活家居
返回
指南生活
首页
美食营养
游戏数码
手工爱好
生活家居
健康养生
运动户外
职场理财
情感交际
母婴教育
时尚美容
知识问答
生活知识
搜索
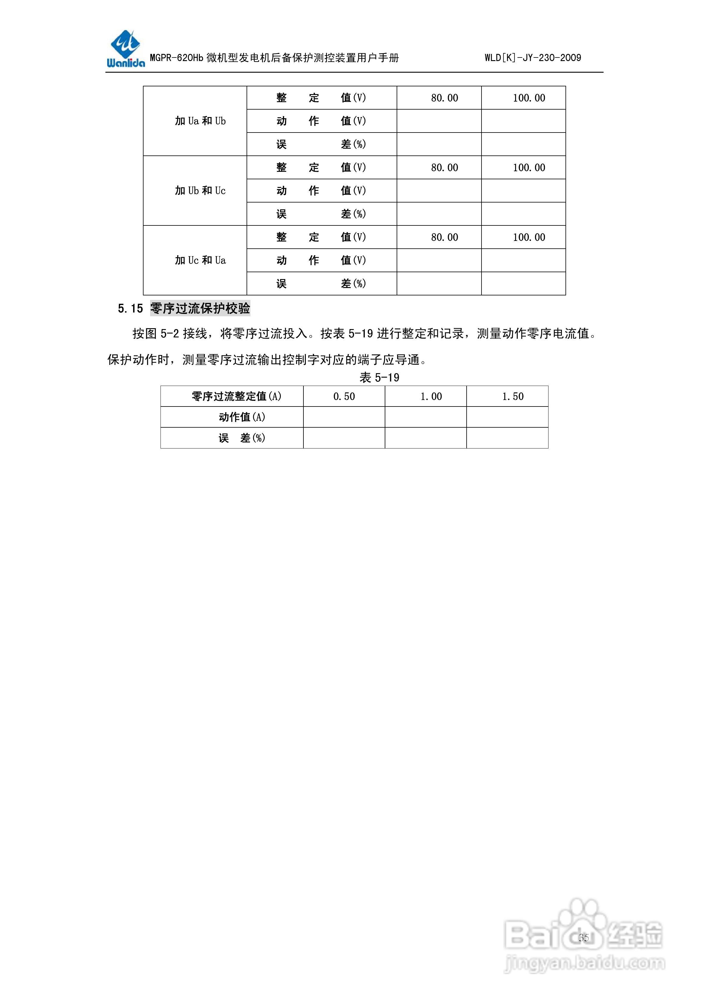
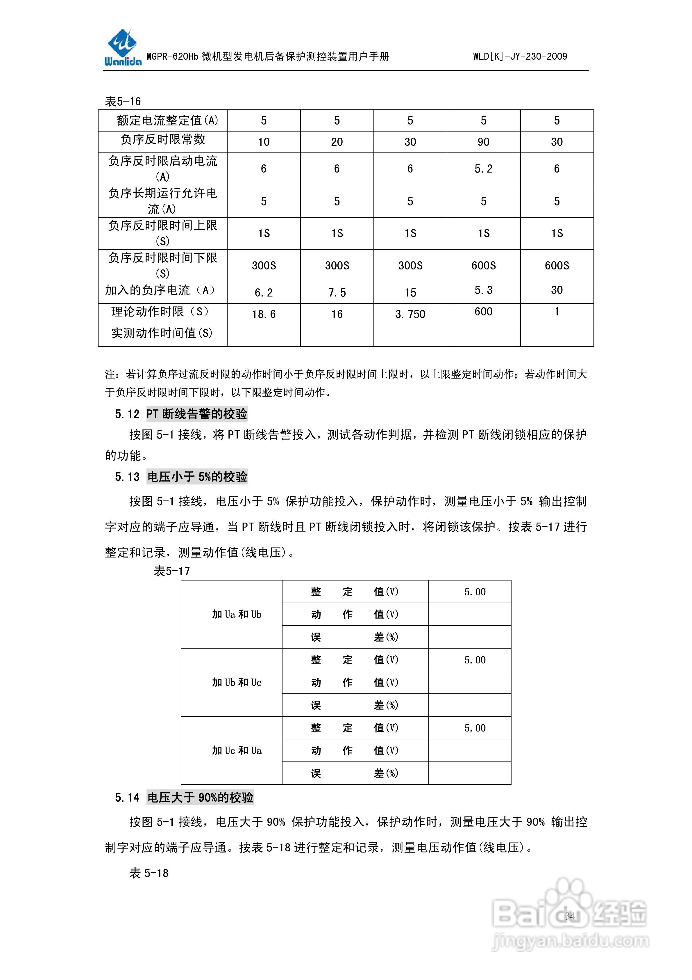
MGPR-620Hb微机型发电机后备保护测控装置用户手册:[4]
2025-11-24 07:42:21
本篇为《MGPR-620Hb微机型发电机后备保护测控装置用户手册》,主要介绍该产品的使用方法以及常见故障解决方案。
(共篇)
上一篇:
声明:
本网站引用、摘录或转载内容仅供网站访问者交流或参考,不代表本站立场,如存在版权或非法内容,请联系站长删除,联系邮箱:site.kefu@qq.com。
相关推荐
MGPR-610Hb微机型发电机差动保护装置用户手册:[3]
阅读量:48
怎样制作发电机(1)
阅读量:87
MGPR-610Hb微机型发电机差动保护装置用户手册:[1]
阅读量:110
MGPR-610Hb微机型发电机差动保护装置用户手册:[2]
阅读量:66
发电机价格?
阅读量:84
猜你喜欢
pc是什么
周深为什么是女声
送老师什么花
tuesday是什么意思
保护的反义词是什么
驿站是什么意思
胎盘能吃吗有什么作用与功效
1992年属什么
mb是什么意思
mid是什么意思
猜你喜欢
11月4日是什么星座
微信拍一拍是什么意思
8月10日是什么星座
次日是什么意思
梦到鬼是什么意思
后腰疼痛是什么原因
html是什么
姘头是什么意思
心如止水什么意思
稽留流产是什么意思