电容电流测试仪在变压器或接地变中性点中的操作
操作方法
“1PT”方式就是外加一个电压互感器(PT)从变压器中性点或接地变中性点测量电容电流的方法,是对3PT和4PT方式的补充。这种测量方式的优点就是测试人员不必考虑母线PT组的接线方式,所以在测量过程中也无需二次班组人员配合。
1、测量接线
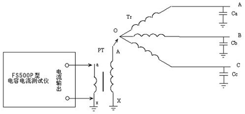
接线时采用FS500P型电容电流测试仪从变压器中性点或接地变中性点测量配网电容电流的接线如图十一所示:
图一变压器中性点测量方法

图一中,Tr为变压器35kV侧绕组,或是10kV系统的接地变,O为变压器中性点,Ca、Cb、Cc分别为三相对地电容,PT是外加的一个电压互感器,AX,ax分别为PT的一、二次绕组,PT的变比为(即从57V的端子进行测量)。
测量的操作步骤如下:
1)将仪器接地端子及PT一、二次绕组的X端和x端接地。
2)将仪器的电流输出端接到PT的二次侧(即57V的端子),再将PT的高压端A引一根导线,用绝缘杆引到变压器中性点O。
3)正确设置测试仪的测量方式:
4)将测试仪的“系统电压”选为10kV(因为测量用的PT是10kV的,选择“系统电压”和“PT接线方式”起到输入PT变比的作用)。
5)PT接线方式选1PT。
6)开始测量,得到测量结果。值得注意的是:如果被测系统是10kV系统,测量结果可以直接读取;对于其他电压等级,电容量是可以直接读取的,但电容电流测量值要乘上一个该电压和10kV的比值,因为对地电容量一定,电容电流与系统电压成正比关系。如被测系统为35kV,则真实的电容电流值为测试仪的“显示值”乘以3.5(即35kV/10kV)。
7)测量完毕,先取下绝缘杆,再收拾试验现场。
2、测量注意事项
1)PT的一、二次绕组及测试仪要接好地。
2)要使用合格的绝缘杆将引线引到变压器中性点O。
3)引线与周围的设备及试验人员保持安全距离。
3、外加PT进行测量的必要性
采用上述方法进行电容电流测量时要外加一个PT,这是为了将高压和低压进行安全隔离,保证试验人员及测试仪器的安全。
我们知道,配网系统正常运行时,变压器中性点或接地变中性点的对地电压是比较低的,一般只有几十伏到几百伏。但如果测量时系统发生单相接地,变压器中性点或接地变中性点的对地电压就上升为相电压,对35kV和10kV系统而言,此时中性点的电压分别为20.2kV和5.8kV,如果不经过PT而直接将仪器引线到中性点进行测量,当系统发生单相接地时,就会有很高的电压加在仪器上,从而危及仪器和试验人员的安全,后果不堪设想。有了PT的隔离,PT的二次侧电压才200V或58V,测试仪是能承受这样的电压的,对试验人员也是安全的。
所以,从安全性考虑,从变压器中性点或接地变中性点测量配网电容电流时采用PT隔离是十分必要的。