指南生活
首页
美食营养
手工爱好
生活家居
返回
指南生活
首页
美食营养
游戏数码
手工爱好
生活家居
健康养生
运动户外
职场理财
情感交际
母婴教育
时尚美容
知识问答
生活知识
生活百科
搜索
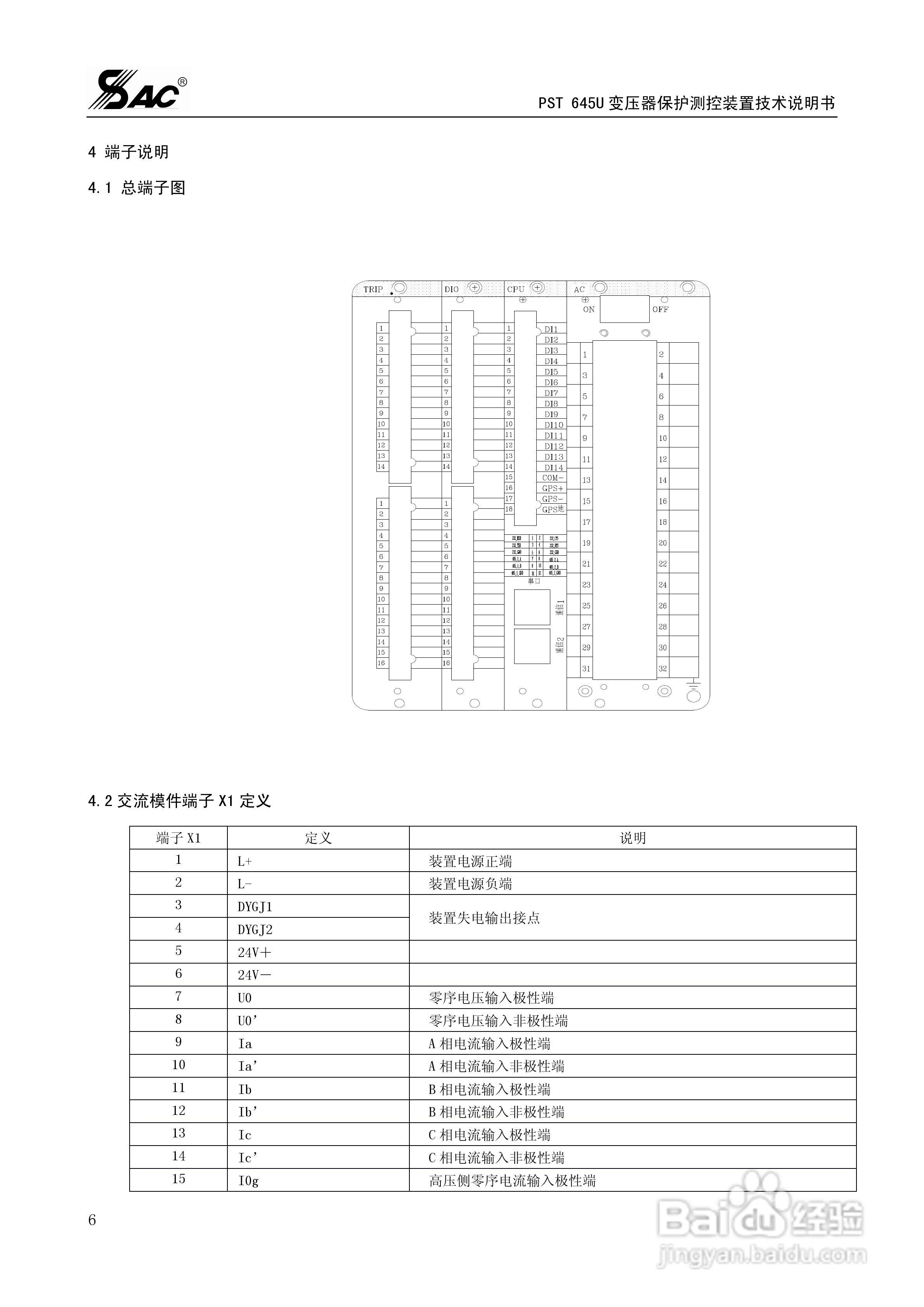
PST645U变压器保护测控装置技术说明书:[1]
2026-04-10 04:38:25
本篇为《PST645U变压器保护测控装置技术说明书》,主要介绍该产品的使用方法以及常见故障解决方案。
(共篇)
下一篇:
声明:
本网站引用、摘录或转载内容仅供网站访问者交流或参考,不代表本站立场,如存在版权或非法内容,请联系站长删除,联系邮箱:site.kefu@qq.com。
相关推荐
打印机怎么连无线网络
阅读量:188
如何安装打印机驱动
阅读量:105
松下KX-MB778TW/788TW小型多功能一体机操作手冊:[10]
阅读量:37
广告行业如何在最短时间实现转型?
阅读量:159
木为什么出现色差
阅读量:84
猜你喜欢
football是什么意思
lcm是什么意思
web是什么
牛头人是什么意思梗
agent是什么意思
dj是什么
有什么好的创业项目
更年期是什么
绿茶什么时候喝最好
牡丹什么时候开
猜你喜欢
手提电脑什么牌子好
大悲咒是什么意思
落枕了什么办法最有效
文献综述是什么
吃香蕉有什么好处
吹毛求疵什么意思
肺大泡是什么病
沙雕什么意思
什么是断掌
扮猪吃老虎什么意思