指南生活
首页
美食营养
手工爱好
生活家居
返回
指南生活
首页
美食营养
游戏数码
手工爱好
生活家居
健康养生
运动户外
职场理财
情感交际
母婴教育
时尚美容
知识问答
生活知识
生活百科
搜索
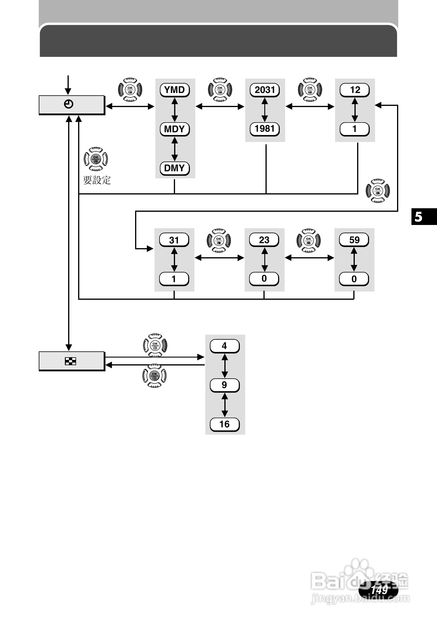
Olympus奥林巴斯C-700UZ数码相机说明书:[15]
2026-03-25 09:11:29
本篇为《Olympus奥林巴斯C-700UZ数码相机说明书》,主要介绍该产品的使用方法以及常见故障解决方案。
(共篇)
上一篇:
|
下一篇:
声明:
本网站引用、摘录或转载内容仅供网站访问者交流或参考,不代表本站立场,如存在版权或非法内容,请联系站长删除,联系邮箱:site.kefu@qq.com。
相关推荐
Olympus奥林巴斯C-700UZ数码相机说明书:[14]
阅读量:33
Olympus奥林巴斯C-700UZ数码相机说明书:[12]
阅读量:113
数码相机fe-350wide使用说明
阅读量:159
数码相机购买有什么指南
阅读量:40
数码相机维修教程
阅读量:157
猜你喜欢
歪打正着的意思
improve是什么意思
飘窗用什么材料好
nbsp什么意思
accept是什么意思
company是什么意思
开网店卖什么最畅销
什么是钉子户
卫衣什么意思
union是什么意思
猜你喜欢
虎头蛇尾是什么意思
高职高专是什么意思
钓鱼线什么牌子好
色即是空的意思
黄粱美梦的意思
sophia什么意思
dnf天界徽章有什么用
rgb是什么意思
掉以轻心的意思
海内的意思