指南生活
首页
美食营养
手工爱好
生活家居
返回
指南生活
首页
美食营养
游戏数码
手工爱好
生活家居
健康养生
运动户外
职场理财
情感交际
母婴教育
时尚美容
知识问答
生活知识
生活百科
搜索
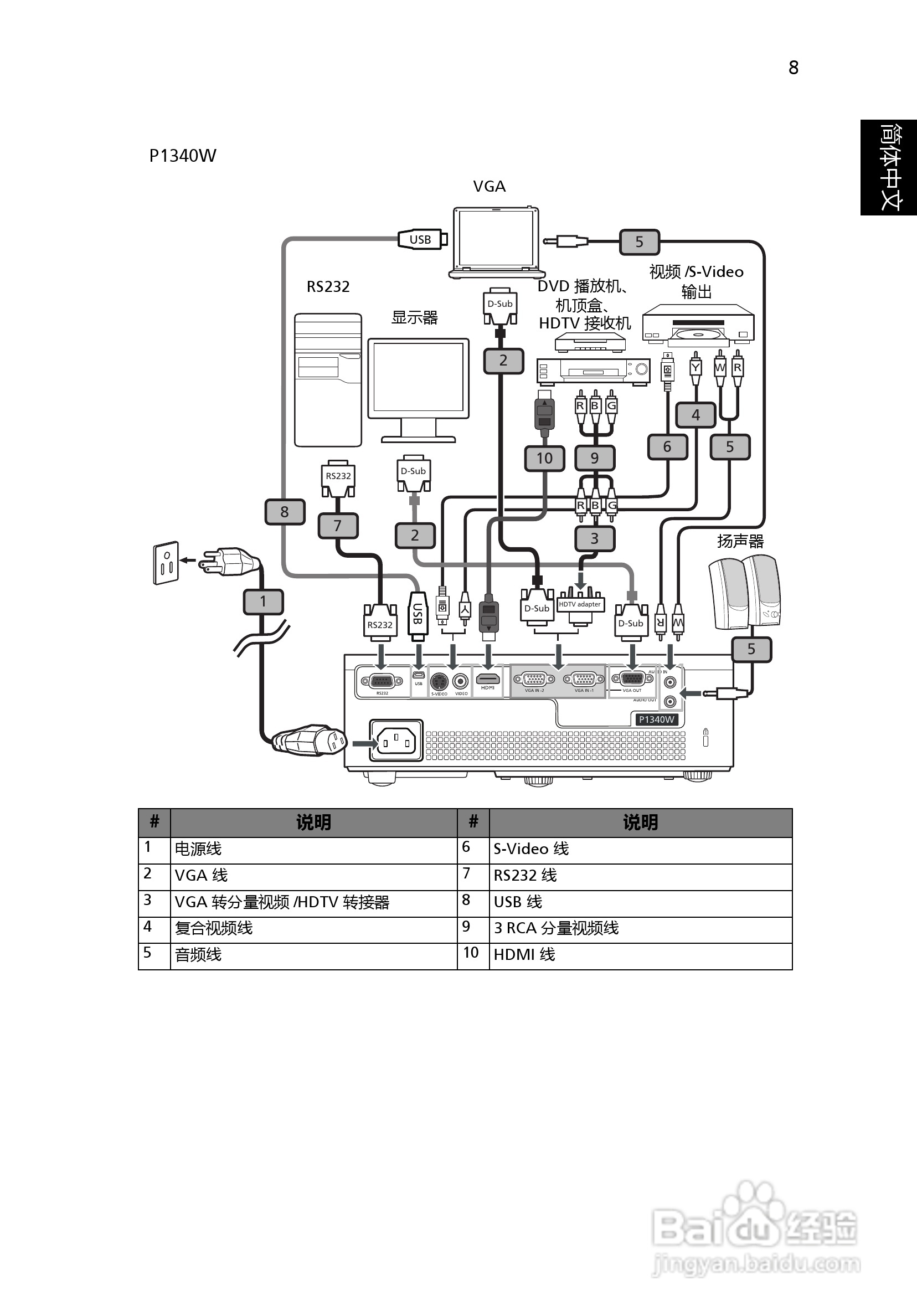
宏基H6510BD投影机使用说明书:[2]
2026-05-10 14:54:10
本篇为《宏基H6510BD投影机使用说明书》,主要介绍该产品的使用方法以及常见故障解决方案。
(共篇)
上一篇:
|
下一篇:
声明:
本网站引用、摘录或转载内容仅供网站访问者交流或参考,不代表本站立场,如存在版权或非法内容,请联系站长删除,联系邮箱:site.kefu@qq.com。
相关推荐
宏基H5360BD投影使用说明书:[2]
阅读量:192
Acer H9500BD投影机使用说明书:[6]
阅读量:25
Acer H9500BD投影机使用说明书:[5]
阅读量:59
Acer H9500BD投影机使用说明书:[4]
阅读量:132
宏基H5360BD投影使用说明书:[3]
阅读量:124
猜你喜欢
dna是什么意思
儒雅的意思
first name是什么意思
星期三有什么综艺节目
股票dr是什么意思
什么牌子的polo衫好
无厘头是什么意思
身不由己的意思
这一生最美的祝福歌谱
冷暖自知是什么意思
猜你喜欢
涅磐是什么意思
祝福 歌词
指日可待的意思
卧室挂什么画风水好
教师节 送什么花
给爸爸的祝福语
97年属于什么生肖年
煎饼侠什么时候上映
老师的祝福语
水疗会所有什么服务