指南生活
首页
美食营养
手工爱好
生活家居
返回
指南生活
首页
美食营养
游戏数码
手工爱好
生活家居
健康养生
运动户外
职场理财
情感交际
母婴教育
时尚美容
知识问答
生活知识
生活百科
搜索
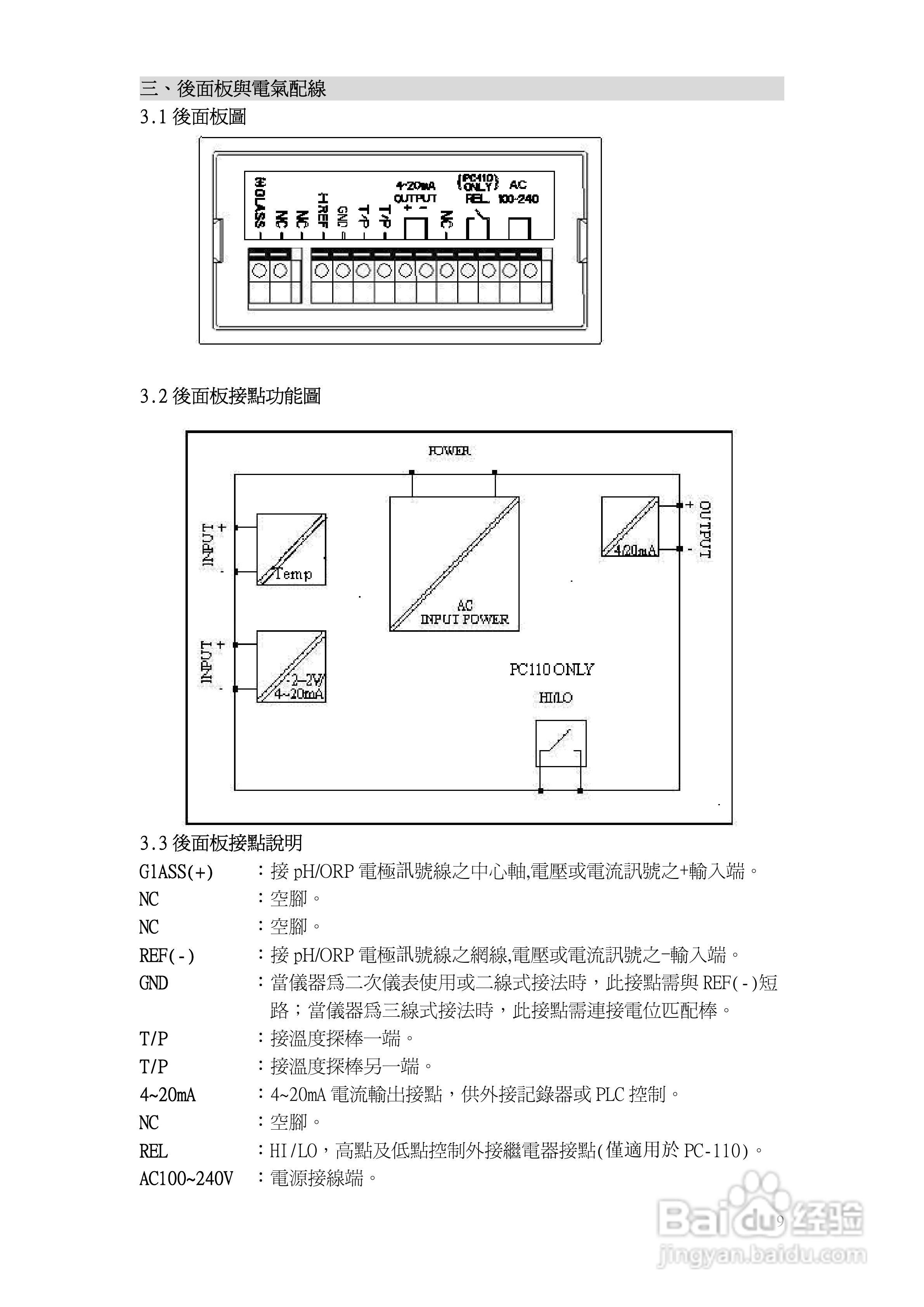
上泰PC100/110微电脑pHORP监示器操作手册:[1]
2026-03-25 09:11:08
本篇为《上泰PC100/110微电脑pHORP监示器操作手册》,主要介绍该产品的使用方法以及常见故障解决方案。
(共篇)
下一篇:
声明:
本网站引用、摘录或转载内容仅供网站访问者交流或参考,不代表本站立场,如存在版权或非法内容,请联系站长删除,联系邮箱:site.kefu@qq.com。
相关推荐
vf6.0用SQL命令简单查询
阅读量:106
帝国时代2加扎马达第三关攻略
阅读量:185
青藏高原的合理身体检查,高原的基本保健常识
阅读量:134
方舟超级火鸡怎么驯服
阅读量:47
fgo魔法少女攻略
阅读量:60
猜你喜欢
lol吸血鬼怎么玩
张国荣是怎么去世的
微信如何截屏
比亚迪m6怎么样
巴马长寿村在哪里
婴儿不睡觉怎么办
九龙山在哪里
如何制作表格
如何让自己变得自信
电脑如何设置自动关机
猜你喜欢
海陵岛在哪里
大学生如何学习
u盘缩水怎么修复
老君山在哪里
如何保护肝脏
南澳岛在哪里
枸杞子怎么泡水
如何选择奶粉
海南旅游业
电脑如何恢复出厂设置