指南生活
首页
美食营养
手工爱好
生活家居
返回
指南生活
首页
美食营养
游戏数码
手工爱好
生活家居
健康养生
运动户外
职场理财
情感交际
母婴教育
时尚美容
知识问答
生活知识
搜索
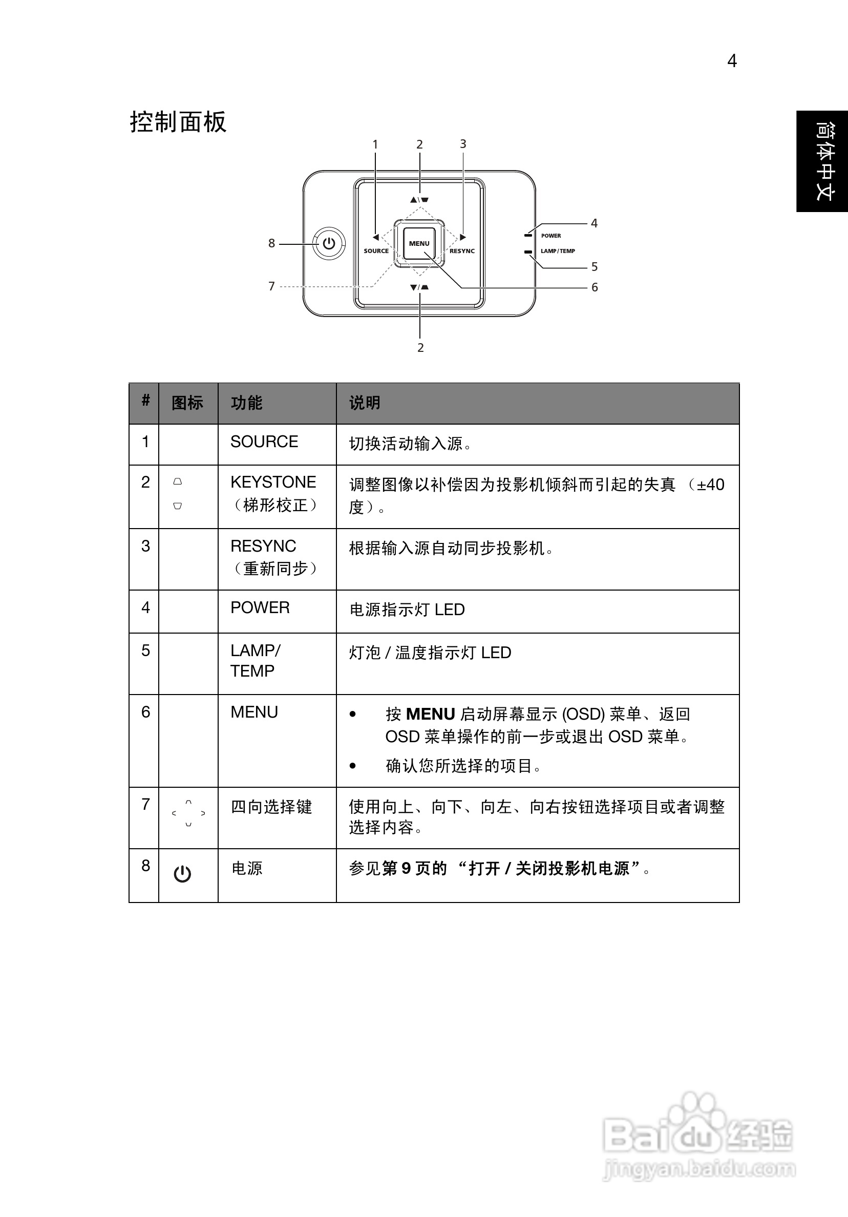
Acer X1120H投影机使用说明书:[2]
2025-12-13 20:47:59
本篇为《Acer X1120H投影机使用说明书》,主要介绍该产品的使用方法以及常见故障解决方案。
(共篇)
上一篇:
|
下一篇:
声明:
本网站引用、摘录或转载内容仅供网站访问者交流或参考,不代表本站立场,如存在版权或非法内容,请联系站长删除,联系邮箱:site.kefu@qq.com。
相关推荐
试管婴儿医院怎么选择
阅读量:53
土豆火腿酸黄瓜鸡蛋沙拉
阅读量:25
长城的石头怎么运上去
阅读量:167
弥猴桃如何催熟
阅读量:30
情人节送什么礼物好?
阅读量:166
猜你喜欢
怒气冲冲的意思
大悲咒是什么意思
双层玻璃杯什么牌子好
欢乐颂2什么时候播出
二百五是什么意思
摩挲的意思
嗤笑的意思
蜂蜜洗脸有什么好处
陡坡缓降是什么意思
凋谢的意思
猜你喜欢
贫贱夫妻百事哀是什么意思
妄自菲薄的意思
list是什么意思
epr是什么意思
失眠要吃什么药
什么让生活更美好作文500字
汽车首保需要带什么
dj是什么意思
什么是深度水解奶粉
鲍鱼是什么意思