指南生活
首页
美食营养
手工爱好
生活家居
返回
指南生活
首页
美食营养
游戏数码
手工爱好
生活家居
健康养生
运动户外
职场理财
情感交际
母婴教育
时尚美容
知识问答
生活知识
生活百科
搜索
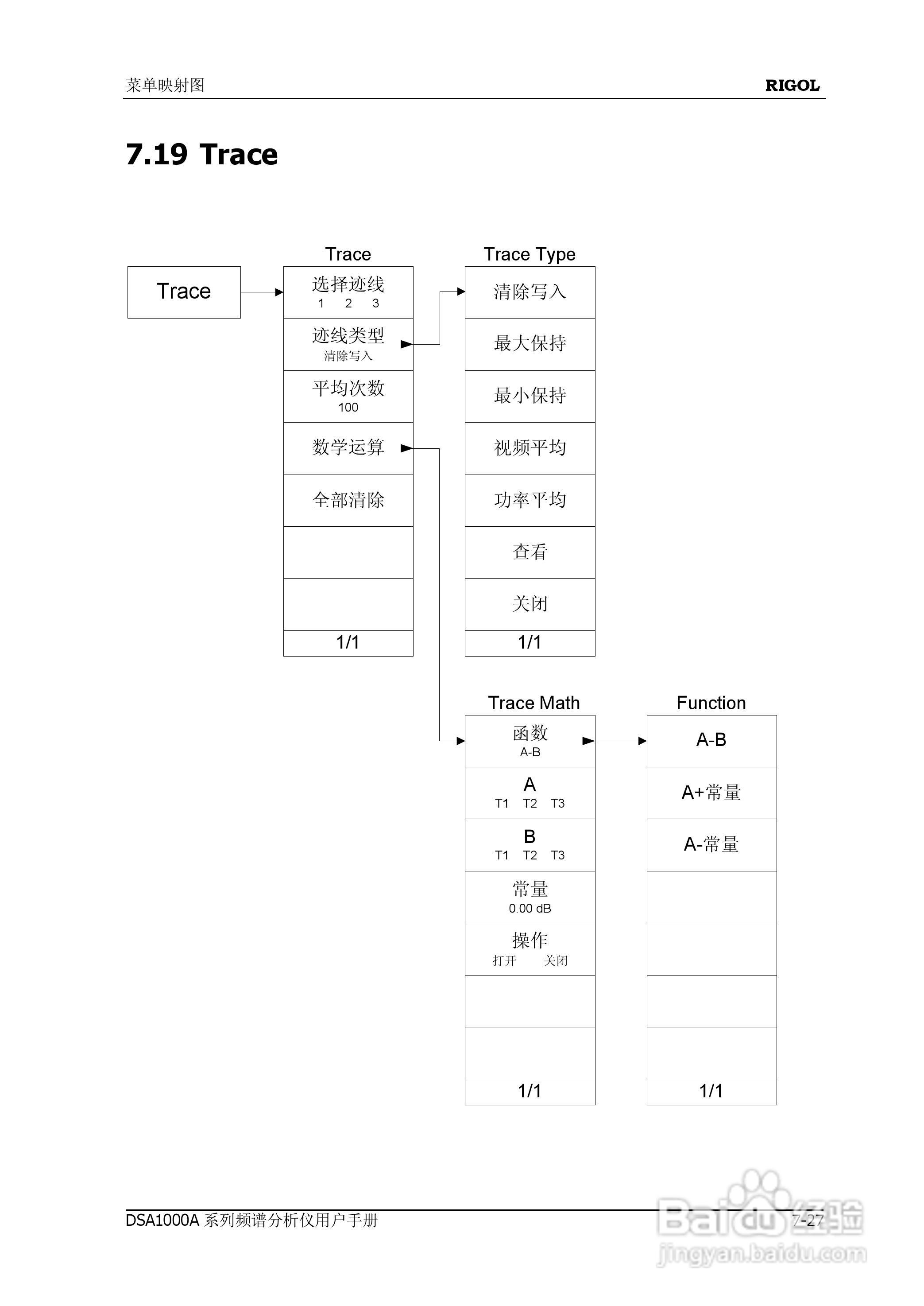
普源DSA1000A系列频谱分析仪说明书:[26]
2026-04-13 08:56:48
本篇为《普源DSA1000A系列频谱分析仪说明书》,主要介绍该产品的使用方法以及常见故障解决方案。
(共篇)
上一篇:
|
下一篇:
声明:
本网站引用、摘录或转载内容仅供网站访问者交流或参考,不代表本站立场,如存在版权或非法内容,请联系站长删除,联系邮箱:site.kefu@qq.com。
相关推荐
普源DSA1000A系列频谱分析仪说明书:[23]
阅读量:32
普源DSA1000A系列频谱分析仪说明书:[14]
阅读量:134
频谱分析仪维修维护保养的基本方法
阅读量:37
普源DSA1000A系列频谱分析仪说明书:[11]
阅读量:60
普源DSA1000A系列频谱分析仪说明书:[12]
阅读量:48
猜你喜欢
洁尔阴洗液有什么作用
meet是什么意思
虾和什么不能一起吃
what什么意思
become是什么意思
离婚需要什么手续
绩效是什么意思
第一志愿和第二志愿有什么区别
cellular版是什么意思
水利局是什么单位
猜你喜欢
八字刘海适合什么脸型
cod是什么游戏
吐槽是什么意思
was是什么意思
field是什么意思
龙和什么生肖最配
多梦是什么原因
嬴稷和嬴政什么关系
271是什么意思
见贤思齐是什么意思