指南生活
首页
美食营养
手工爱好
生活家居
返回
指南生活
首页
美食营养
游戏数码
手工爱好
生活家居
健康养生
运动户外
职场理财
情感交际
母婴教育
时尚美容
搜索
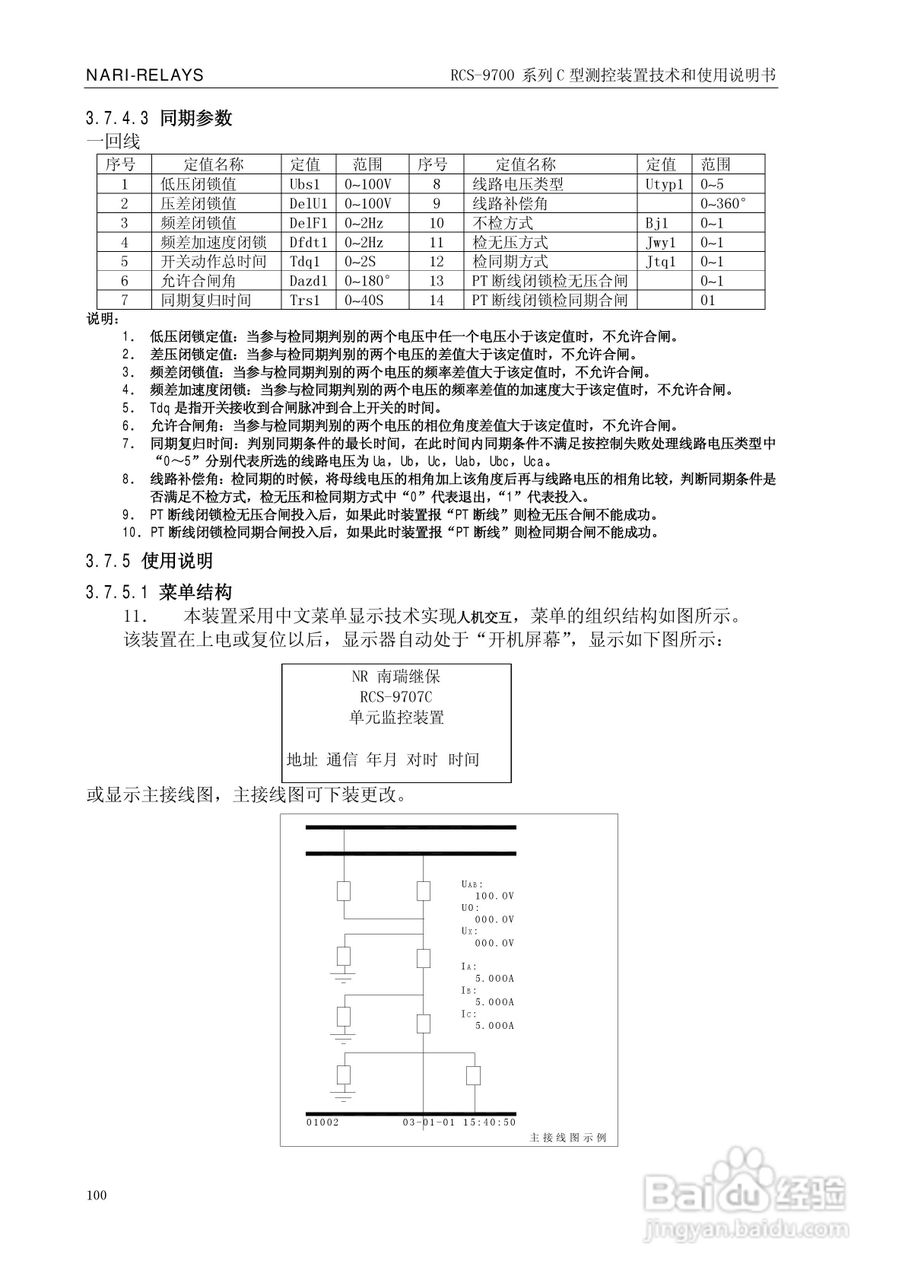
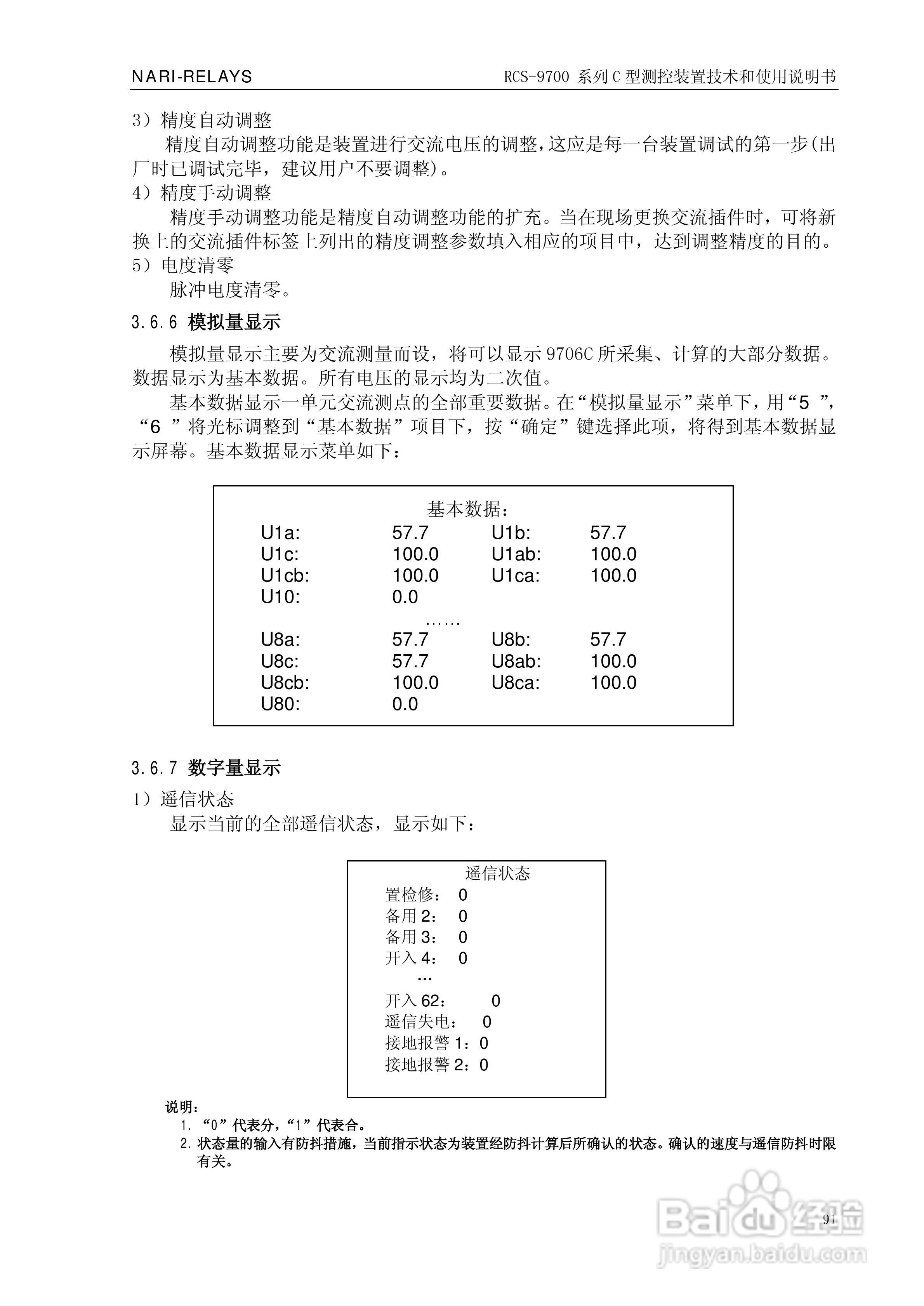
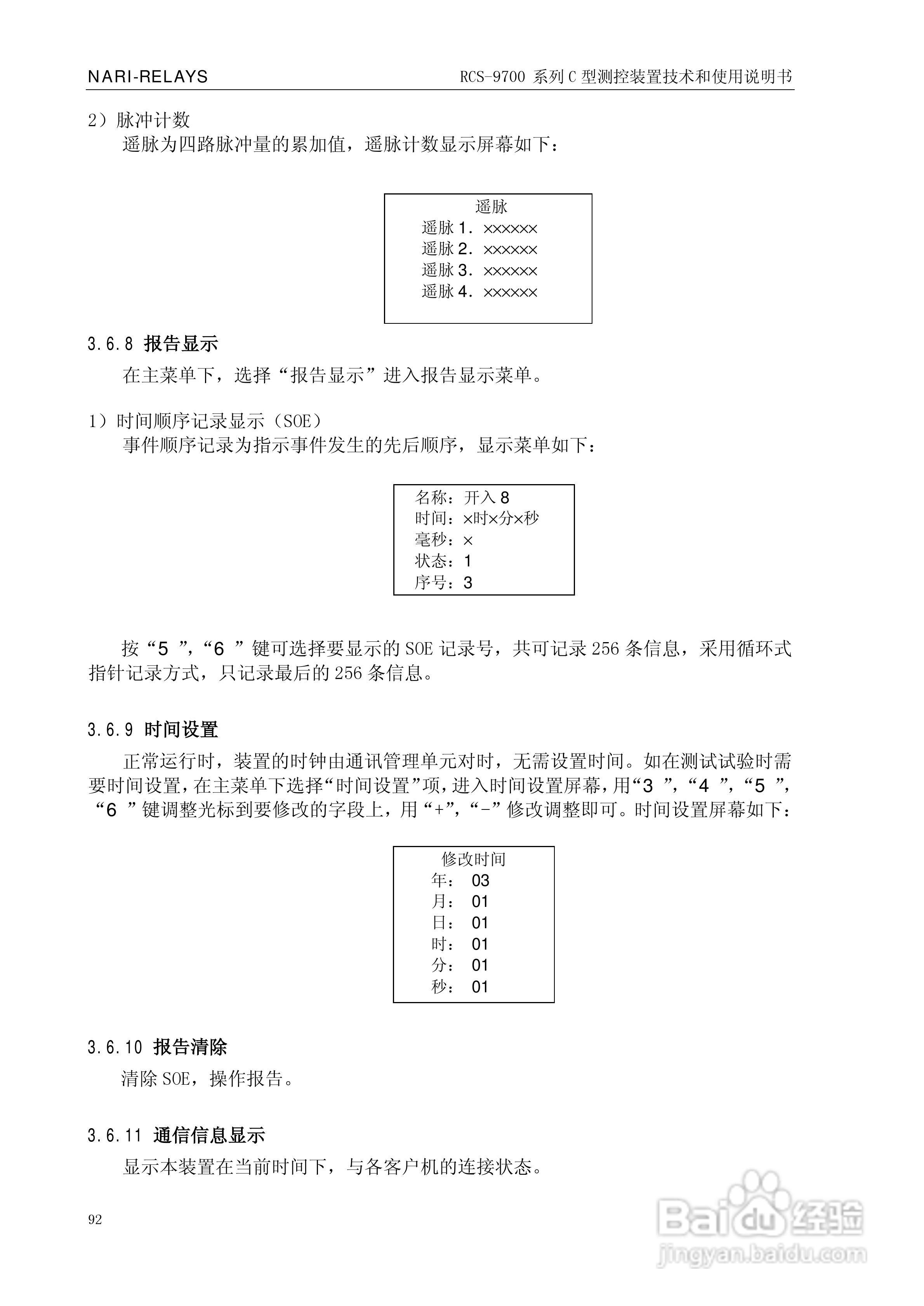
RCS-9709C测控装置技术和使用说明书:[11]
2025-11-04 18:24:51
本篇为《RCS-9709C测控装置技术和使用说明书》,主要介绍该产品的使用方法以及常见故障解决方案。
(共篇)
上一篇:
|
下一篇:
声明:
本网站引用、摘录或转载内容仅供网站访问者交流或参考,不代表本站立场,如存在版权或非法内容,请联系站长删除,联系邮箱:site.kefu@qq.com。
相关推荐
RCS-9709C测控装置技术和使用说明书:[14]
阅读量:96
RCS-9709C测控装置技术和使用说明书:[18]
阅读量:173
使用说明书封面怎么做
阅读量:140
使用说明书wf2651使用指南
阅读量:53
RCS-9709C测控装置技术和使用说明书:[20]
阅读量:21
猜你喜欢
红掌的养殖方法
黄瓜的腌制方法
配股是什么意思
维生素e软胶囊
宫颈糜烂是什么症状
several是什么意思
颈椎病的最好3种运动
什么的目光填空
运动会加油稿80字
琴瑟之好是什么意思
猜你喜欢
什么叫取保候审
什么浏览器最好用
维生素d中毒症
耳濡目染什么意思
狗带是什么意思
dat是什么文件
憨态可掬是什么意思
issue是什么意思
西安有什么好玩的地方
gpm是什么单位