富士ZFK3,4,7 氧化锆氧分析仪使用说明书

2026-05-10 04:49:17

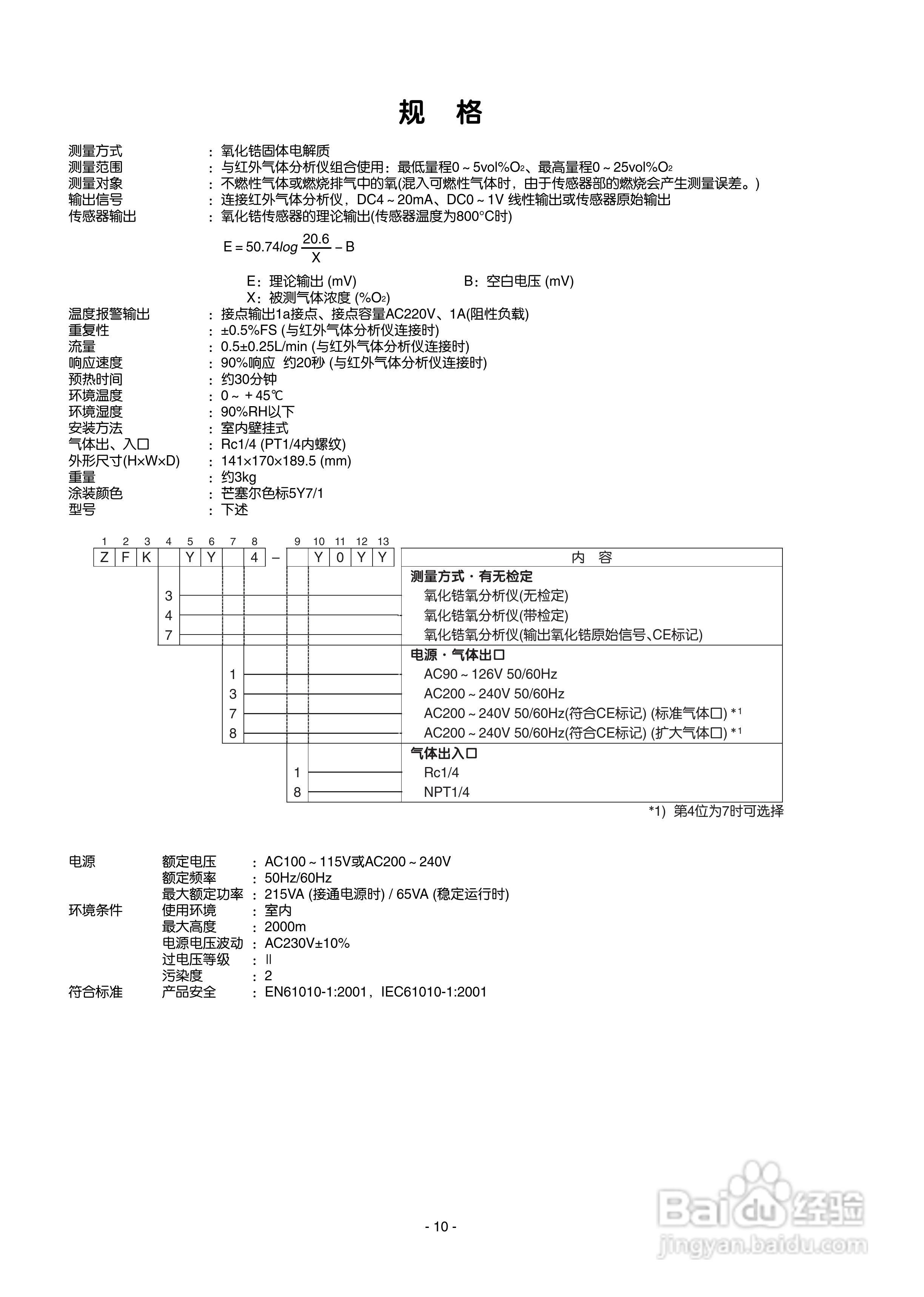
富士ZFK3,4,7 氧化锆氧分析仪使用说明书

富士ZFK3,4,7 氧化锆氧分析仪使用说明书

富士ZFK3,4,7 氧化锆氧分析仪使用说明书

富士ZFK3,4,7 氧化锆氧分析仪使用说明书

富士ZFK3,4,7 氧化锆氧分析仪使用说明书

富士ZFK3,4,7 氧化锆氧分析仪使用说明书

富士ZFK3,4,7 氧化锆氧分析仪使用说明书

富士ZFK3,4,7 氧化锆氧分析仪使用说明书

富士ZFK3,4,7 氧化锆氧分析仪使用说明书

富士ZFK3,4,7 氧化锆氧分析仪使用说明书

富士ZFK3,4,7 氧化锆氧分析仪使用说明书

富士ZFK3,4,7 氧化锆氧分析仪使用说明书

富士ZFK3,4,7 氧化锆氧分析仪使用说明书

富士ZFK3,4,7 氧化锆氧分析仪使用说明书

富士ZFK3,4,7 氧化锆氧分析仪使用说明书

富士ZFK3,4,7 氧化锆氧分析仪使用说明书

富士ZFK3,4,7 氧化锆氧分析仪使用说明书

富士ZFK3,4,7 氧化锆氧分析仪使用说明书

富士ZFK3,4,7 氧化锆氧分析仪使用说明书

富士ZFK3,4,7 氧化锆氧分析仪使用说明书

声明:本网站引用、摘录或转载内容仅供网站访问者交流或参考,不代表本站立场,如存在版权或非法内容,请联系站长删除,联系邮箱:site.kefu@qq.com。
猜你喜欢