索佳SET210、510、610全站仪(光波测距经纬仪)使用手册:[14]

2025-10-20 00:01:52

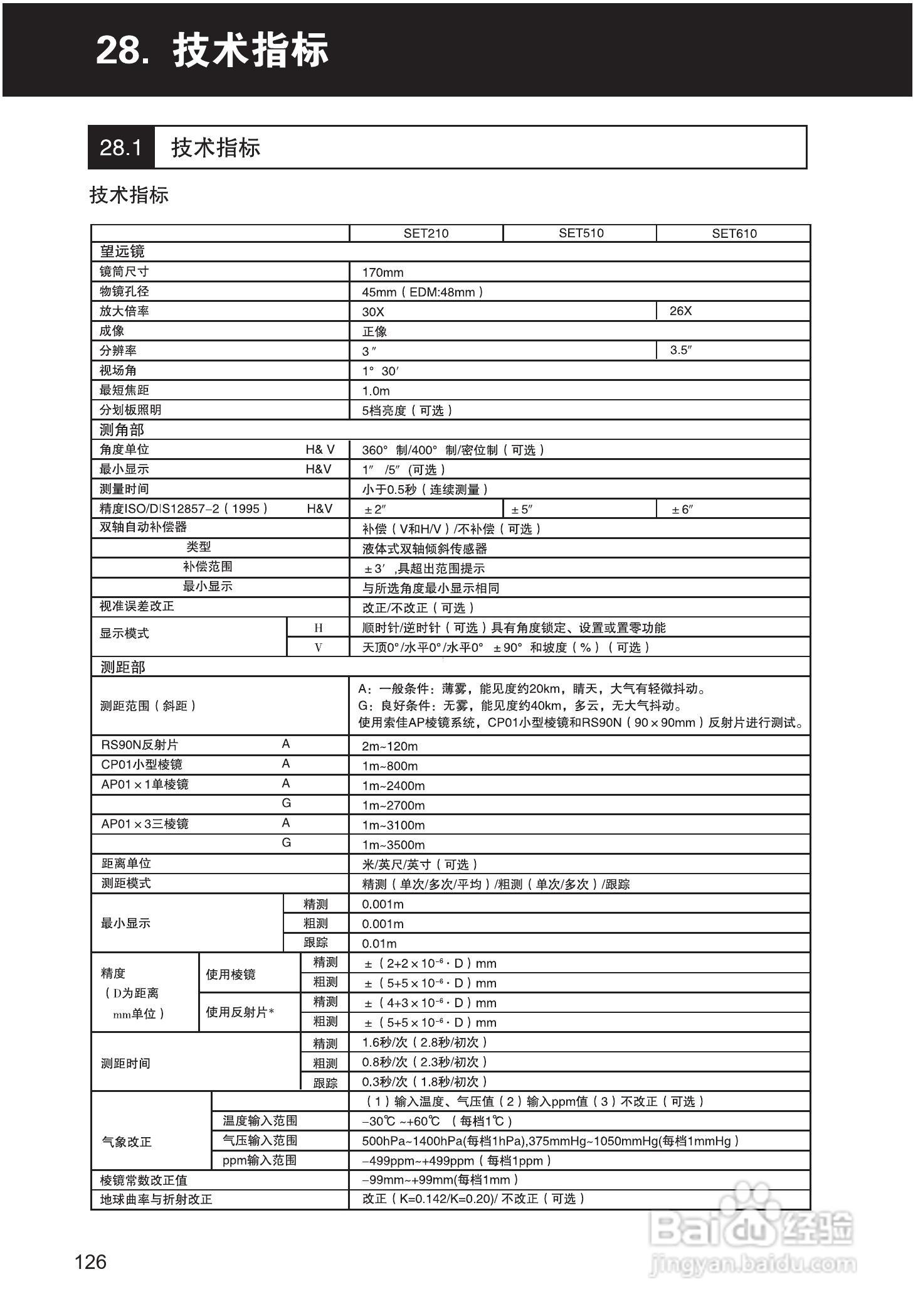
本篇为《索佳SET210、510、610全站仪(光波测距经纬仪)使用手册》,主要介绍该产品的使用方法以及常见故障解决方案。

 

索佳SET210、510、610全站仪(光波测距经纬仪)使用手册:[14]

索佳SET210、510、610全站仪(光波测距经纬仪)使用手册:[14]

索佳SET210、510、610全站仪(光波测距经纬仪)使用手册:[14]

索佳SET210、510、610全站仪(光波测距经纬仪)使用手册:[14]

索佳SET210、510、610全站仪(光波测距经纬仪)使用手册:[14]

索佳SET210、510、610全站仪(光波测距经纬仪)使用手册:[14]

索佳SET210、510、610全站仪(光波测距经纬仪)使用手册:[14]

索佳SET210、510、610全站仪(光波测距经纬仪)使用手册:[14]

索佳SET210、510、610全站仪(光波测距经纬仪)使用手册:[14]

索佳SET210、510、610全站仪(光波测距经纬仪)使用手册:[14]

(共篇)上一篇:|下一篇:
声明:本网站引用、摘录或转载内容仅供网站访问者交流或参考,不代表本站立场,如存在版权或非法内容,请联系站长删除,联系邮箱:site.kefu@qq.com。
相关推荐
  • 阅读量:128
  • 阅读量:189
  • 阅读量:28
  • 阅读量:105
  • 阅读量:124
  • 猜你喜欢