指南生活
首页
美食营养
手工爱好
生活家居
返回
指南生活
首页
美食营养
游戏数码
手工爱好
生活家居
健康养生
运动户外
职场理财
情感交际
母婴教育
时尚美容
知识问答
生活知识
生活百科
搜索
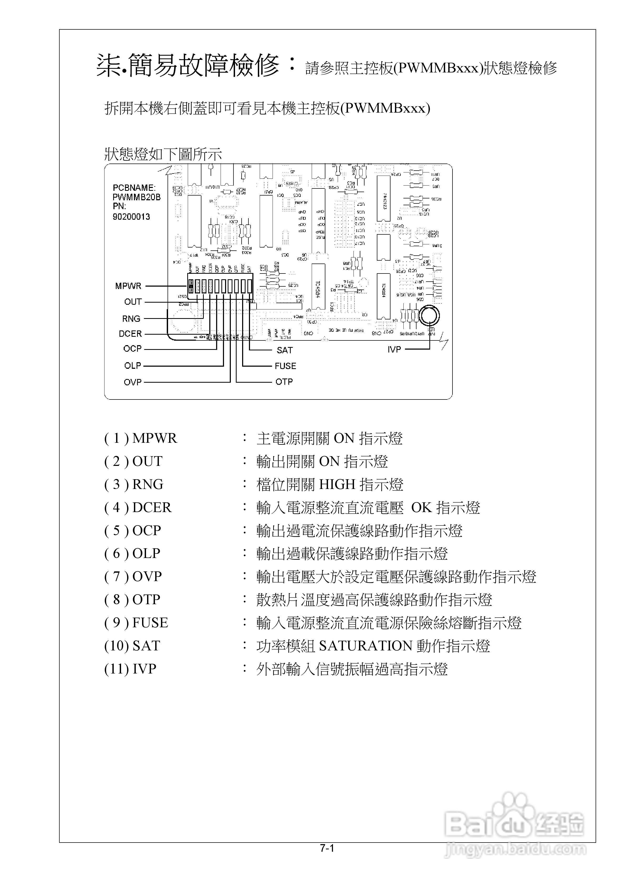
CIF-KA系列交流电源供应器操作手册:[2]
2026-05-04 03:29:43
本篇为《CIF-KA系列交流电源供应器操作手册》,主要介绍该产品的使用方法以及常见故障解决方案。
(共篇)
上一篇:
|
下一篇:
声明:
本网站引用、摘录或转载内容仅供网站访问者交流或参考,不代表本站立场,如存在版权或非法内容,请联系站长删除,联系邮箱:site.kefu@qq.com。
相关推荐
CIF-A系列交流电源供应器操作手册:[2]
阅读量:171
CIF-A系列交流电源供应器操作手册:[1]
阅读量:100
CIF系列附GPIB/RS232 三相控制器操作手冊:[4]
阅读量:66
cif文件怎么打开
阅读量:112
CIF价的出口发票如何开具
阅读量:179
猜你喜欢
肝内钙化灶是什么意思
nemo什么意思
脱颖而出的意思
fast是什么意思
你是什么样的女孩
荆芥的作用与功效
面瘫有什么症状
拔了智齿要注意什么
什么什么什么化
才高八斗什么意思
猜你喜欢
m2是什么意思
客厅放什么植物最好
生日粗卡什么意思
drop是什么意思
善始善终的意思
什么是dsp
告诫的意思
黑神话悟空什么时候出
谷维素片的作用
名不虚传的意思