指南生活
首页
美食营养
手工爱好
生活家居
返回
指南生活
首页
美食营养
游戏数码
手工爱好
生活家居
健康养生
运动户外
职场理财
情感交际
母婴教育
时尚美容
知识问答
生活知识
搜索
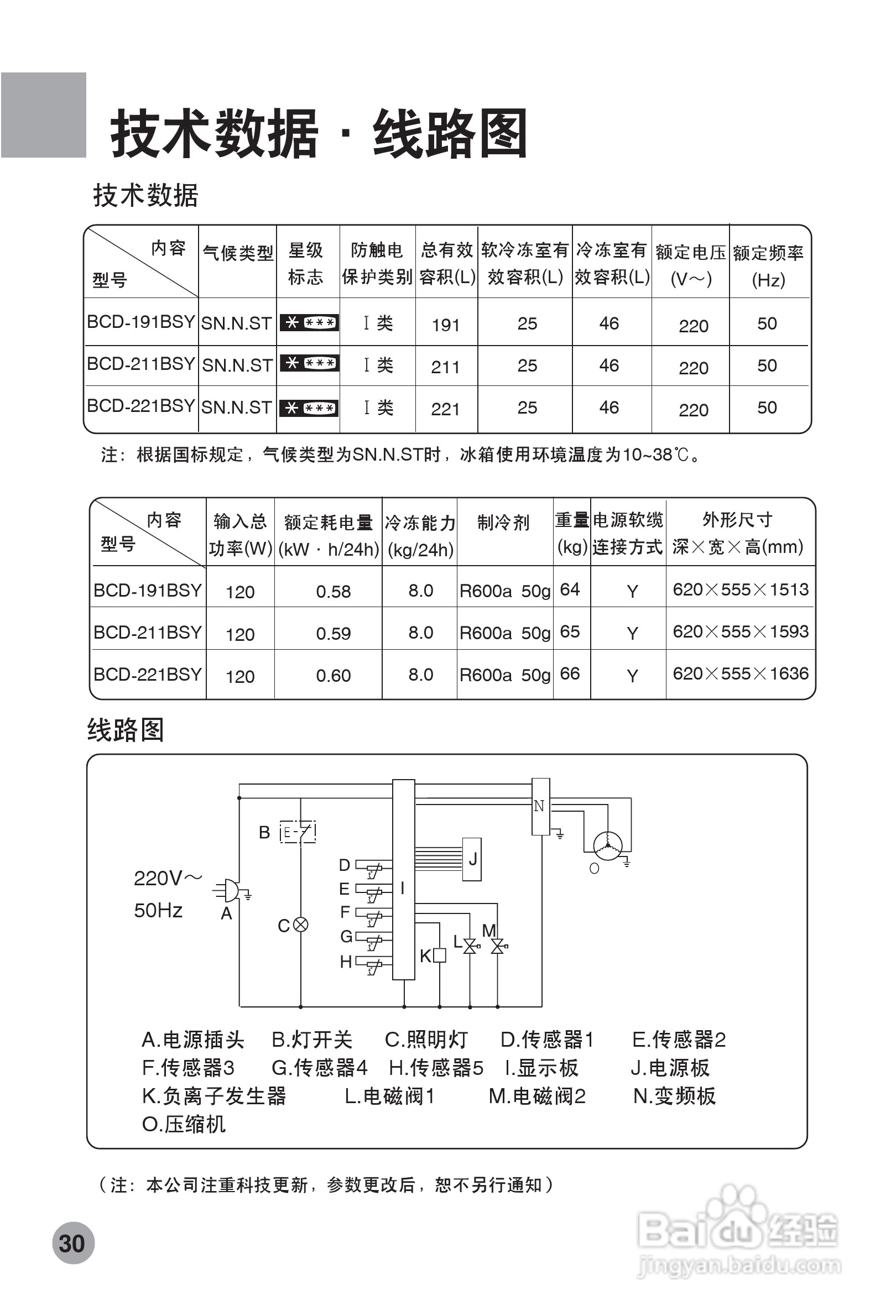
海尔 BCD-221BSY冰箱使用说明书:[4]
2026-01-10 03:56:50
(共篇)
上一篇:
声明:
本网站引用、摘录或转载内容仅供网站访问者交流或参考,不代表本站立场,如存在版权或非法内容,请联系站长删除,联系邮箱:site.kefu@qq.com。
相关推荐
海尔电视怎么投屏
阅读量:126
海尔冰箱BCD-221A型说明书:[1]
阅读量:171
海尔冰箱BCD-221A型说明书:[2]
阅读量:188
海尔冰箱BCD-221A型说明书:[3]
阅读量:91
海尔冰箱BCD-221A型说明书:[4]
阅读量:164
猜你喜欢
网上怎么找工作
毛豆怎么做好吃
治冻疮的方法
怎么增强wifi信号
脸上长癣起皮怎么办
挖掘机视频表演大全
三句半台词大全爆笑
男人延时方法
眼袋怎么消除简单方法
鸡翅根的做法大全家常
猜你喜欢
贝瓦儿歌大全100首
酱鸡脖子的家常做法
面粉可以做什么好吃的
自动挡的车怎么起步
油条的家常做法
歌曲大全
天气符号图片大全图解
水煮牛肉的家常做法
蛋黄酱怎么做
炸大虾的家常做法